0  195460  195468  195474  195478  195484  195486  195490  195496  195498  195504  195510  195514  195516  195520  195526  195528  195534  195538  195540  195544  195546  195550  195552  195554  195555  195556  195558  195559  195560  195562  195564  195568  195570  195574  195576  195580  195586  195588  195594  195598  195600  195604  195610  195616  195618  195624  195628  195630  195636  195640  195646  195654  447090 

17.天气转凉了,我们把洗过的衣服晾在阳光下晒.从内能改变的角度看,这是利用 

方式使水的内能增加,提高温度使水蒸发     ;另一方面,利用太阳光中的紫外线

有很好的         ,使衣服更卫生.

试题详情

16.下列实验分别探究的是声现象的什么知识?

①将碎纸片放在正在播放音乐的扬声器的纸盆上,看到纸片不断跳动,说明:发声的物体都在         

②放在真空罩内的电铃正在发声,用抽气机将罩内空气逐渐抽出,听到铃声越来越弱,说明:                       

试题详情

15.冰雕艺术家用钢锉来打削冰块,这说明钢和冰有不同的     ;盛饭用的勺子,常用木柄或橡胶柄,这又说明它们都不易     

试题详情

14.观察图中的四幅图,将测量结果写在其下方相应空格处.

试题详情

13.下列给出的三幅图,分别主要运用了什么光学知识?

 

A、激光引导掘进方向   B、小泥人照镜子   C、有经验的渔民在叉鱼

答:A           。 B           。 C         

试题详情

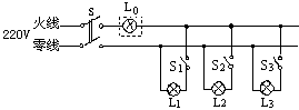
12.工人师傅常用一只标有“220V 40W”的灯泡L0(检验灯泡)取代保险丝来检查新安装的照明电路中每个支路的情况,如图2所示。当只闭合S、S1时L0不亮;当只闭合S、S2时L0和L2都呈暗红色;当只闭合S、S3时L0正常发光。由此可以判断

A、L1所在支路短路

B、L2所在支路短路

第12题图
 
 
C、L3所在支路短路

D、各支路均完好 

试题详情

11.金坛市正在加快“园林城市”建设的步伐,城市建设规划是城市建设的一项重要的工作,为此,需要航空摄影人员从高空给城市拍照,若所用的照相机镜头的焦距为60mm,则胶片与镜头的距离应                                             

A.大于120mm    B.恰为120mm    C.小于60mm    D.略大于60mm

试题详情

10.“向物质世界的两极进军”的历程中,人们对两极世界有很多说法,下列四种说法中不正确的是

A.香气扑鼻可以作为分子运动的证据 B.谱线“红移”可以作为宇宙大爆炸的证据

C.宇宙是个有层次的天体结构系统  D.原子核内有带正电的质子和带负电的中子

试题详情

9.宇宙大爆炸理论是目前被广为接受的一种宇宙起源学说,宇宙大爆炸理论认为:宇宙诞生于大爆炸,爆炸引起宇宙膨胀,并认为 

 A.宇宙还在不断地膨胀

 B.目前宇宙膨胀已结束且开始收缩

 C.宇宙膨胀早已结束,目前处于静态

 D.目前宇宙已处于既不膨胀、也不收缩的稳定状态

试题详情

8.如图所示的四幅图中,分别表示近视眼成像情况和矫正做法的是

 

①          ②           ③         ④

A、②、①       B、③、①      C、②、④      D、③、④ 

试题详情


同步练习册答案