0  248779  248787  248793  248797  248803  248805  248809  248815  248817  248823  248829  248833  248835  248839  248845  248847  248853  248857  248859  248863  248865  248869  248871  248873  248874  248875  248877  248878  248879  248881  248883  248887  248889  248893  248895  248899  248905  248907  248913  248917  248919  248923  248929  248935  248937  248943  248947  248949  248955  248959  248965  248973  447090 

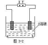
19.图3-2中X、Y分别是直流电源的两极,通电后发现a极极板质量增加,b极板处有无色无臭气体放出,符合这一情况的是[   ]

试题详情

18.实验室用图3-1装置分离CO2和CO气体并干燥。

图中a为止水夹,b为分液漏斗的活塞,通过Y形管和止水夹分别接c、d两球胆。现装置内的空气已排尽。为使实验成功,甲、乙、丙分别盛放的溶液是 [   ]

A.NaHCO3饱和溶液12mol/L盐酸18.4 mol/L H2SO4

B.NaOH饱和溶液2mol/L H2SO418.4 mol/L H2SO4

C.Na2CO3饱和溶液2 mol/L H2SO4NaOH饱和溶液

D.18.4 mol/L H2SO4NaOH饱和溶液18.4 mol/L H2SO4

试题详情

17.在硫酸工业生产中,为了有利于SO2的转化,且能充分利用热能,采用了中间有热交换器的接触室(见图10-1)按此密闭体系中气体的流向,则在A处流出的气体为    [   ]

A.SO2

B.SO3,O2

C.SO2,O2

D.SO2,SO3

试题详情

16.如图8-4,当阴极增重2.16g时,下列判断正确的是[   ]

A.[AgNO3]=0.08mol/L

B.阳极产生112mL气体(标况)

C.有1.204×1023个电子转移

D.反应中有0.02mol物质被氧化

试题详情

15.图8-3为装有活塞的密闭容器,内盛有22.4mLNO,若通入11.2mLO2(气体体积均在标况下测定)保持温度,压强不变,则容器内的密度 [   ]

A.等于1.369g/L

B.等于2.054g/L

C.在1.369g/L和2.054g/L之间

D.大于2.054g/L

试题详情

14.某物质的晶体中含A、B、C三种元素,其排列方式如图8-2C的原子个数比依次为[   ]

A.1∶3∶1

B.2∶3∶1

C.2∶2∶1

D.1∶3∶3

试题详情

13.如图8-1中配制一定物质的量浓度的某溶液,下列情况,会使配制结果偏低的是[   ]

A.未冷却就转移、定容

B.未洗涤烧杯和玻璃棒

C.定容时俯视刻度线观察液面

D.容量瓶未干燥,内有少量水

试题详情

12.在温度相同,压强分别为p1和p2的条件下,发生反应:

A(气)+2B(气)nC(气)

式中C的百分含量与时间t的曲线如图7-1所示。下面的结论正确的是[   ]

A.p1>p2  n<3

B.p1<p2  n>3

C.p1<p2  n=3

D.p1>p2  n>3

试题详情

11.有两个极易导热的密闭容器a和b(如图6-1所示),a容器体积恒定,b容器体积可变,压强不变。在同温同压和等体积条件下,向a和b两容器中通入等物质的量的NO2,发生反应:2NO2N2O4+Q,则以下说法正确的是[   ]

A.反应起始时两容器的反应速率va和vb的关系:va<vb

B.反应过程中两容器内的反应速率va和vb的关系:va<vb

C.两容器内反应达到平衡所需用的时间一定相同

D.反应达到平衡,两容器的NO2的转化率相同

试题详情

10.把镁条投入到盛有盐酸的敞口容器里,产生H2的速度可由图5-2表示,在下列因素中,①盐酸的浓度②镁条的表面积③溶液的温度④Cl-的浓度,影响反应速度的因素是[   ]

A.①④

B.③④

C.①②③

D.②③

试题详情


同步练习册答案