0  250800  250808  250814  250818  250824  250826  250830  250836  250838  250844  250850  250854  250856  250860  250866  250868  250874  250878  250880  250884  250886  250890  250892  250894  250895  250896  250898  250899  250900  250902  250904  250908  250910  250914  250916  250920  250926  250928  250934  250938  250940  250944  250950  250956  250958  250964  250968  250970  250976  250980  250986  250994  447090 

33.(3分)如图所示,一束光线与水平面成30°角从空气斜射到水面时,发生反射和折射,请你在图中画出它的反射光线(标出反射角的大小)和折射光线的大致方向。

试题详情

32.(3分)如图所示,当小球从A点经过B点到达C点的过程中,作出小球经过B点时所受重力示意图。

试题详情

31.现有“220V  100W”的电灯泡一只,若将它接在家庭电路中,通过该灯泡的电流为_________A;若将它接在电压为“110V”的电路中,该灯泡的电阻为________Ω(不考虑温度对电阻的影响),实际功率为_________W,消耗1kW·h的电能可供它连续工作______h。

试题详情

30.右图是甲、乙两种物质熔化时的温度-时间图像,其中物质_______是晶体,它的熔点是_____℃,在第6min时,这种晶体处于__________状态。

试题详情

29.安全电压是不高于_______V的电压;家庭电路中的触电事故,都是由人体直接或间接接触火线引起的,我们用_________来辨别火线;当发现有人触电时,不能直接去碰触电人,应当赶快________电源,或者用干燥的木棍、竹竿将电线挑开,使被触电人迅速脱离电源。

试题详情

28.电扇使用一段时间后,扇叶很容易粘上灰尘,这是因为扇叶转动过程中带上了__________,具有____________________的性质,所以灰尘被吸在扇叶上。

试题详情

27.一个重12N,体积为800cm3的小球,用手抓住将它浸没在水中,它受到的浮力是_______N;松开手后,小球将_________(“上浮”、“下沉”、“悬浮”),此过程中小球受到水的压强_________(“变大”、“变小”、“不变”),浮力__________(“变大”、“变小”、“不变”)。(g取10N/kg)

试题详情

26.右图是小磊同学看远处物体时的光路图,由图可知他是__________(填“近视”或“远视”)眼,如需矫正视力,他应选用的镜片是__________透镜。

试题详情

25.同学们上音乐课时,优美的琴声来自________,悠扬的歌声传得很远是通过__________传播的。

试题详情

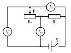
16.在右图所示电路中,电源电压保持不变。闭合开关S,将滑动变阻器的滑片P向左移动,下列说法中正确的是

A.电压表的示数不变,电流表的示数变大

B.电压表的示数变大,电流表的示数变大

C.电流表的示数与电流表的示数同时变大

D.电流表的示数与电流表的示数同时变小

第Ⅱ卷(非选择题共51分)

试题详情


同步练习册答案