0  255105  255113  255119  255123  255129  255131  255135  255141  255143  255149  255155  255159  255161  255165  255171  255173  255179  255183  255185  255189  255191  255195  255197  255199  255200  255201  255203  255204  255205  255207  255209  255213  255215  255219  255221  255225  255231  255233  255239  255243  255245  255249  255255  255261  255263  255269  255273  255275  255281  255285  255291  255299  447090 

11、下列关于布朗运动、扩散现象和对流的说法中错误的是

A、布朗运动是固体颗粒的运动,反映了液体分子的无规则运动;

B、布朗运动、扩散现象及对流都需要在重力的作用下才能进行;

C、布朗运动和扩散现象都不需要在重力作用下就能进行;

D、对流在完全失重状态下不能发生

试题详情

10、如图所示,L1和L2是输电线,甲是电压互感器,乙是电流互感器。若已知甲的变压比为500:1,乙的变流比为200:l,并且已知加在电压表两端的电压为220V,通过电流表的电流为5A,则输电线的输送功率为   ( )

A.1.1×102W  B.1.1×104W  

C.1.1×l06W    D.1.1×108W

试题详情

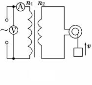
9、如图所示,理想变压器的原、副线圈匝数比n1∶n2=2∶1, 原线圈接正弦交流电,副线圈接电动机,电动机线圈电阻为R.当输入端接通电源后,电流表读数为I,电动机带动一质量为m的重物以速度v匀速上升.若电动机因摩擦造成的能量损失不计,则图中电压表的读数为

试题详情

8、 某发电站输出总电功率为P,用升压变压器将电压升到U后向远方送电,已知输电导线的总电阻为R,则在时间t内输电导线上的功率损耗是

   A. Pt    B. (U2/R)t    C. (P/U)2Rt    D. U2Rt

 

试题详情

7、 如图所示,理想变压器的初级线圈两端m、n接高压交流电源,降压后通过有一定电阻的输电导线接用电器。A、V是交流电表(V与R1并联),开始时K闭合,现将K断开,那么A、V的示数及R1消耗的功率该分别

   A. 增大、增大、增大

   B. 减小、增大、增大

   C. 增大、减小、增大

   D. 减小、增大、减小

试题详情

6、物体只在力F作用下运动,力F随时间变化的图象如图所示,在t=1 s时刻,物体的速度为零,则下列论述正确的是

  A.0-3 s内,力F所冲量不等于零

B.0-4 s内,力F冲量等于零

C.第1 s内和第2 s内的速度方向相同,加速度方向相反

D.第3 s内和第4 s内的速度方向相反,加速度方向相同

试题详情

5、质量为M的物块以速度V运动,与质量为m的静止物块发生正撞,碰撞后两者的动量正好相等,两者质量之比M/m可能为

A.3            B.4          C.5         D. 6

试题详情

3、一位质量为m的运动员从下蹲状态向上起跳,经Δt时间,身体伸直并刚好离开地面,速度为v。在此过程中,地面对他的冲量为

A.为mgΔt - mv   B. mv+mgΔt   C. mv   D. mv-mgΔt

试题详情

2、 如图所示的装置中,木块B与水平桌面间的接触是光滑的,子弹A沿水平方向射入木块后留在木块内,将弹簧压缩到最短.现将子弹、木块和弹簧合在一起作为研究对象(系统),则此系统在从子弹开始射入木块到弹簧压缩至最短的整个过程中

A、动量守恒、机械能守恒     B、动量不守恒、机械能不守恒

C、动量守恒、机械能不守恒    D、动量不守恒、机械能守恒

试题详情

1、 关于冲量、动量和动量的变化,下列说法中正确的是

   A. 物体动量等于物体所受冲量

   B. 物体所受合外力的冲量大小等于物体动量变化的大小

   C.一个物体的动能发生变化,其动量不一定变化

D. 物体的动量变化方向与物体的动量方向相同

试题详情


同步练习册答案