0  255309  255317  255323  255327  255333  255335  255339  255345  255347  255353  255359  255363  255365  255369  255375  255377  255383  255387  255389  255393  255395  255399  255401  255403  255404  255405  255407  255408  255409  255411  255413  255417  255419  255423  255425  255429  255435  255437  255443  255447  255449  255453  255459  255465  255467  255473  255477  255479  255485  255489  255495  255503  447090 

37、某人用绳子将一物体从水面下2m深处的地方匀速提到水面下0.5m处的过程中,所用时间为6s,拉力F1做功的功率为9W,当物体拉到有1/5的体积露出水面时,让其静止,此时绳子对物体的拉力为40N,不计绳子的质量,忽略水的阻力。

 求:(1)拉力F1的大小;(2)物体浸没时所受的浮力;(3)物体的密度。

试题详情

36、我们大家在生活中不难看到如下这些现象:石子抛向空中会落回地面,石块下落比羽毛要快多,有的同学的稿纸和橡皮丢下去会下落,我们看到纸片下落得比橡皮慢。冬天起风时,树叶在空中飘飘而下。苹果总是落回地面。抛向空中物体总是要落回地面。踢出的足球、掷出的铁饼、投出的标枪等最终都会落回地面。并且这些物体在下落过程中会越来越快。

 黄冈中学理科实验小组的同学对这个现象进行了一系列的探究,并提出了许多问题。明哲同学第一个提出自己了一个相关的问题:“不同的物体在空中下落的快慢一样吗?”“物体为什么总是要落回地面呢?”小信抢着问。

 请你根据这些现象提出一个相关的问题:____________________________

 明哲猜想,物体下落的快慢可能与物体的密度有关。请你珍对明哲的问题提出自己的猜想,并设计实验来证明你的猜想。

 你的猜想:________________________________________

 请设计实验证实你的猜想。在实验中一定要用到的实验仪器是________________。

 写出你的简要实验步骤:_____________________________________在实验中你可能用到的实验方法有____________________。

试题详情

35、如图所示,是测量小灯泡电功率的实物图,其中电源电压为6V,小灯泡额定电压是3.8V.其灯丝电阻约为10Ω,滑动变阻器标有“10Ω、1A”字样,电流表(0-0.6A、0-3A),电压表(0-3V、0-15V)

 (1)请用笔画线代替导线.把图16中的电路元件连接起来.(要求:滑片P向左端移动时灯亮!且连线不得交叉)

 (2)小刚合理地连接好电路.并按正确的顺序操作。闭合开关后灯不亮.聪明的小刚猜想:

 A.可能是灯丝断了

 B.可能是变阻器开路

 C.可能是小灯泡短路

 请根据电表示数判断故障原因,并将与故障对应的电表示数填入下表:

猜想
电流表示数/A
电压表示数/V
如果A成立
____
____
如果___成立
0.6
0

 (3)排除故障后,在测量小灯泡的额定功率时,应先调节______________,使小灯泡两端电压为______________V,再测出电路中的______________,最后计算出小灯泡的额定功率。

试题详情

34、小宇同学在测定盐水密度的实验中,其方法和步骤完全正确,如图甲显示的是他将烧杯中的部分盐水倒入量筒后,天平重新平衡时的情景,乙显示的是倒入盐水后量筒的读数。

 (1)根据图中相关数据帮小东将下表填写完整。

烧杯和盐水的总质量m(g)
倒出部分盐水后烧杯和盐水的总质量m1(g)
倒出盐水的质量m2(g)
 
盐水的密度ρ
(kg/m3)
 
 
33
 
 

 (2)另一位同学的实验方法是:先测出空烧杯的质量,并在量筒中倒入盐水,测出盐水的体积,再把量筒内的盐水全部倒入烧杯,测出烧杯和盐水的总质量,然后计算盐水的密度,用这种方法测出盐水的密度ρ′与小宇测出的密度ρ相比较,则ρ′___ρ(填“>”、“<”或“=”)。

试题详情

33、一个雨过天晴的夜晚,小刚在晚自习回家的路上,看见了路面水坑中一个弯弯的“月亮”,下图是当时场景的示意图。请你指出:①小刚他可能站在__________(选填“A、B、C”);②在图上画出小刚看见的“月亮”。

试题详情

32、如图所示,一小木块从斜面上滑下,在粗糙的水平面上滑动一段距离后便停下来。请你画出木块在水平面上滑动时的受力示意图。

试题详情

31、人类正面临能源危机,为选用节能交通信号灯的灯源,实验室通过实验发现下表中的LED灯和白炽灯在正常工作时,光照强度相同时的有关数据如下表:

二种灯
LED灯
白炽灯
发光原理
二极管发光
钨丝高温发光
额定电压
24伏
220伏
响应时间
10-9秒
10-3秒
额定功率
12瓦
100瓦

 (1)请根据以上材料说明使用LED灯的两个优点

 ①______________;②______________。

 (2)LED灯正常工作时的电流是__________A,每天正常工作10小时,使用LED灯比使用白炽灯可节约电能为________kW·h。

试题详情

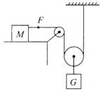
30、(1)如图甲所示的装置中,重物M为重100N、边长10cm的正方体,G重25N,重物G恰好沿竖直方向匀速下降,若不计滑轮重及摩擦,那么物体M对水平桌面间的压强为_____Pa,所受桌面的摩擦力为____N。

  

      甲        乙

 (2)如图乙所示,长1m重1.5N的均匀木板放在水平桌面上,木板左端离桌沿4dm上面挂一诱饵,若一重0.5N的老鼠偷吃食物,沿木板向左端爬去,根据杠杆的平衡条件___________得出,当老鼠爬过离桌沿____dm时,木板会失去平衡,而使它落入桌子下面的水桶中。

试题详情

29、在炎热的夏天,小华和同学们来到海滨浴场,当他们赤着脚踏上沙滩时,都发生了“啊…”的惊叫声,当他们走过沙滩,进入海水中时,他们又一次发出了“啊…”的惊叫声,请你分析回答:第一次惊叫声是由于他们感觉到__________而造成的;第二次惊叫声是由于他们感觉到__________而造成的,造成这种差别的原因是____________________。当他们从海水中起来时,由于有“海风”都感到有点冷,请你猜猜在白天“海风”是从大海吹向陆地,还是从陆地吹向大海___________________。

试题详情

28、有一个没有经验的人去捕鱼,他看到水中有一条鱼,并且旁边还有一只小鸟。他迫不急待地用鱼叉拼命地向那看到的鱼和鸟刺去,心里还美滋滋地想着这一举两得的好事总算是被自己碰到了。他一定__________(填“会”或“不会”)成功.看到鱼是由光的__________现象产生的__________像;看到的小鸟是由光的__________现象形成的。

试题详情


同步练习册答案