0  258302  258310  258316  258320  258326  258328  258332  258338  258340  258346  258352  258356  258358  258362  258368  258370  258376  258380  258382  258386  258388  258392  258394  258396  258397  258398  258400  258401  258402  258404  258406  258410  258412  258416  258418  258422  258428  258430  258436  258440  258442  258446  258452  258458  258460  258466  258470  258472  258478  258482  258488  258496  447090 

15.传感器能够感受一些_________量,并把它们按一定的规律转化为_________量,就可以方便地进行测量,传输、处理和控制.

试题详情

14.(2003上海考题)演示位移传感器的工作原理如右图示,物体M在导轨上平移时,带动滑动变阻器的金属滑杆p,通过电压表显示的数据,来反映物体位移的大小x。假设电压表是理想的,则下列说法正确的是  (    )

A.  物体M运动时,电源内的电流会发生变化

B.  物体M运动时,电压表的示数会发生变化。

C.  物体M不动时,电路中没有电流

D.  物体M不动时,电压表没有示数

试题详情

13.将如图所示装置安装在沿直轨道运动的火车车厢中,使杆沿轨道方向固定,就可以对火车运动的加速度进行检测。闭合开关S,当系统静止时,穿在光滑绝缘杆上的小球停在O点,固定在小球上的变阻器滑片停在变阻器BC的正中央,此时,电压表指针指在表盘刻度中央。当火车在水平方向有加速度时,小球在光滑绝缘杆上移动,滑片P随之在变阻器上移动,电压表指针发生偏转。已知,当火车向左加速运动时,电压表的指针向右偏。则:

A. 电压表指针向左偏,说明火车可能在向右做加速运动

B. 电压表指针向右偏,说明火车可能在向右做加速运动

C. 电压表指针向左偏,说明火车可能在向右做减速运动

D. 电压表指针向左偏,说明火车可能在向左做加速运动

答案:A

试题详情

11.压敏电阻的阻值随所受压力的增大而减小。某实验小组在升降机水平地面上利用压敏电阻设计了判断升降机运动状态的装置。其工作原理图如图甲所示,将压敏电阻、定值电阻R、电流显示器、电源E连成电路,在压敏电阻上放置一个绝缘重物。0-t1时间内升降机停在某一楼层处,t1时刻升降机开始运动,从电流显示器中得到电路中电流i随时间t变化情况如图乙所示。则下列判断正确的是 (  )

A.时间内绝缘重物处于超重状态

B.时间内绝缘重物处于失重状态

C.升降机开始时可能停在10楼,从时刻开始,经向下加速、匀速、减速,最后停在l楼

D.升降机开始时可能停在l楼,从时刻开始,经向上加速、匀速、减速,最后停在10楼

12.(2008高安二中高三双基测试卷物理试题六)利用光敏电阻制作的光传感器,记录了传送带上工件的输送情况,如图甲所示为某工厂成品包装车间的光传感记录器,光传感器B能接收到发光元件A发出的光,每当工件挡住A发出的光时,光传感器输出一个电信号,并在屏幕上显示出电信号与时间的关系,如图乙所示,若传送带始终匀速运动,每两个工件间的距离为0.2 m,则下述说法正确的是(  )

A.传送带运动的速度是0.1 m/s    

B.传送带运动的速度是0.2 m/s 

C.该传送带每小时输送3600个工件 

D.该传送带每小时输送7200个工件

试题详情

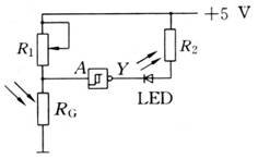
10.如图所示的光控电路用发光二极管LED模仿路灯,RG为光敏电阻.“”是具有特殊功能的非门,当加在它的输入端 A的电压逐渐上升到某个值时,输出端Y会突然从高电平跳到低电平,而当输入端A的电压下降到另一个值时,Y会从低电平跳到高电平.在天暗时路灯(发光二极管)会点亮,下列说法中正确的是    (   )

 A.天暗时Y处于高电平

 B.天暗时Y处于低电平

 C.当R1调大时A端的电压降低,灯(发光二极管)点亮

 D.当R1调大时A端的电压降低,灯(发光二极管)熄灭

试题详情

9.如图所示是一火警报警器的部分电  路示意图.其中R2为用半导体热敏材料制成的传感器,电流表为值班室的显示器,a、b之间接报警器.当传感器R2所在处出现火情时,显示器的电流I、报警器两端的电压U的变化情况是(   )

   A.I变大,U变大

   B.I变大,U变小

   C.I变小,U变大

   D.I变小,U变小

试题详情

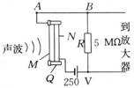
8.电容式话筒的保真度比动圈式话筒好,其工作原理如图所示.Q是绝缘支架,薄金属膜M和固定电极N形成一个电容器,被直流电源充电,当声波使膜片振动时,电容发生变化,电路中形成变化的电流.当膜片向右运动的过程中有      (   )

A.电容变大

   B.电容变小

   C.导线AB中有向左的电流

   D.导线AB中有向右的电流

试题详情

7.惯性制导系统已广泛应用于弹道式导弹工程中,这个系统的重要元件之一是加速度计.加速度计的构造原理的示意图如图所示.沿导弹长度方向安装的固定光滑杆上套一质量为m的滑块,滑块两侧分别与劲度系数均为k的弹簧相连;两弹簧的另一端与固定壁相连.滑块原来静止,弹簧处于自然长度,滑块上有指针可通过标尺测出滑块的位移,然后通过控制系统进行制导.设某段时间内导弹沿水平方向运动,指针向左偏离O点的距离为s,则这段时间内导弹的加速度    (   )

   A.方向向左,大小为 ks/m

   B.方向向右,大小为ks/m

   C.方向向左,大小为2ks/m

   D.方向向右,大小为 2ks/m

试题详情

6.如图所示是一种利用电磁原理制成的充气泵的结构示意图.其工作原理类似打点计时器,当电流从电磁铁的接线柱 a流入,吸引小磁铁向下运动时,以下选项中正确的是(   )

   A.电磁铁的上端为N极,小磁铁的下端为N极

   B.电磁铁的上端为S极,小磁铁的下端为S极

   C.电磁铁的上端为N极,小磁铁的下端为 S极

   D.电磁铁的上端为S极,小磁铁的下端为N极

试题详情

5.如图所示为一种自动跳闸的闸刀开关,O是转动轴,A是绝缘手柄,C是闸刀卡口,MN接电源线,闸刀处于垂直纸面向里、磁感应强度B=1 T的匀强磁场中,CO间距离10 cm.当磁场力为0.2 N时,闸刀开关会自动跳开.则要使闸刀开关能跳开,CO中通过的电流的大小和方向为   (   )

   A.电流方向C→O         B.电流方向O→C

   C.电流大小为1 A         D.电流大小为0.5 A

试题详情


同步练习册答案