0  265091  265099  265105  265109  265115  265117  265121  265127  265129  265135  265141  265145  265147  265151  265157  265159  265165  265169  265171  265175  265177  265181  265183  265185  265186  265187  265189  265190  265191  265193  265195  265199  265201  265205  265207  265211  265217  265219  265225  265229  265231  265235  265241  265247  265249  265255  265259  265261  265267  265271  265277  265285  447090 

 1(09潍坊)如图所示,将一只标有“12V6W”的灯泡L1和“6V6W”的灯泡L2并联后,接在6V的电源上(设灯丝电阻不变),则

A.灯泡L1比灯泡L2

B. 灯泡L2比灯泡L1

C.两灯的实际功率之和小于12W

D.两灯的实际功率之和等于12W

2 (09福州)如图6所示,灯L1、L2上分别标有“6V  6W” 、“6V  3W”的字样,当开关S闭合时,灯L1、L2都能发光,则甲、乙两电压表的示数之比是 C A.1∶1        B.1∶2 C.2∶3           D.3∶2

3(09蚌埠二中)如图所示电路,灯L1、L2的额定电压分别为2V、10V,S1闭合、S2断开、滑动变阻器滑片置于中点位置时,两灯均正常发光。S2闭合后,移动变阻器滑片使L2仍正常发光时,下列关于滑片位置和电流表示数的说法正确的是]A.滑片在中点右侧,电流表示数变小

B.滑片在中点左侧,电流表示数变大

C.滑片在中点右侧,电流表示数不变

D.滑片在中点左侧,电流表示数不变

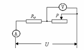
4(09贵阳)如图2所示,将滑动变阻器滑片P从某一位置移动到另一位置,则电压表的示数由8V变为6V,电流表示数相应由0.4A变为0.6A,那么定值电阻R0的电功率改变量为(不计温度对电阻的影响,电源电压保持不变)

A.12W     B.4W    C.8W    D.2W

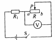
5(09河北)如图8所示电路,电源电压不变。闭合开关S,当滑片P置于变阻器的中点时,电压表的示数为4V;当滑片P置于变阻器的b端时,电压表的示数变化了2V,在15s内定值电阻R1产生的热量为60J。则下列结果正确的是(   )

A.电源电压为10V

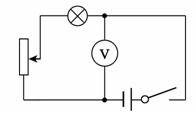
B. R1的阻值为18Ω

C.滑动变阻器R的最大阻值为9Ω

D. R1先后两次消耗的电功率之比为4﹕3

6(09绍兴)如图所示电路,A、B、C是电流表或电压表,单位是安或伏,闭合开关S,A、B、C三表的示数分别为0.5、1、1.5时,灯L1、L2恰好正常发光,已知灯L1、L2的额定功率之比为3∶1。下列说法正确的是(  )

A.A为电压表,B、C为电流表

B.电源电压是2伏,且灯L1和L2串联

C.10秒内,灯L1消耗的电能是15焦

D.灯L1和L2的额定电压之比为1∶3

7 (09柳州)如图2所示,标有“3 V 6 w”的灯L1与标有“3 V 3 w”的灯L2串联。闭合开关时,有一只灯泡能够正常发光,此时灯L1、L2的实际功率分别是

A、1.5 W  3 W   B、3 W 3 W    C、6 W  1.5 W   D、6 W 3 W

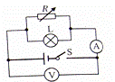
8 (09雅安)如图7所示,电源两端电压保持12V不变,小灯泡L上标有“6V  3W”字样,滑动变阻器最大电阻值R=60W。不考虑灯丝电阻随温度的变化,下列说法正确的是

A.S闭合后,使电压表的示数减少1V,小灯泡L两端的电压就增加1V

B.S闭合后,小灯泡L的最小实际电功率为0.5W

C.小灯泡L正常发光时,变阻器R消耗的电功率为6W

D.开关S断开时,电压表的示数为12V

9(09哈尔滨)如图所示,小灯泡规格为“6V 3.6W”(灯丝电阻不变),闭合开关,当滑动变阻器的滑片P移至a端时,电流表示数为0.6A;当滑片P移至b端时,电压表示数为4V,则……(   )

A.小灯泡灯丝电阻是6Ω

B.电源电压是10V

C.滑动变阻器最大阻值是10Ω

D.滑片P位于b端时.滑动变阻器消耗的功率是0.8W

10(09平原会考)家用的手电筒.用干电池作电源.正常发光时电流为O.32A.小灯泡的电功率接近: A.1W   B.10W   C.0.1KW   D.1KW

11(09绵阳)有两只定值电阻RA和RB,各自的电流与电压关系如U-I图象中的A、B。则

A.若将它们串联接在电源两端,RA的电流是RB的2倍

B.若将它们并联接在电源两端,RA的电压是RB的2倍

C.若将它们串联接在电源两端,RA的电功率是RB的2倍

D.若将它们并联接在电源两端,RA的电功率是RB的2倍

12(09平原会考)如图所示的电路中,电源电压恒定不变,当电键K闭合时

A.电压表示数变小,电流表示数变小,灯变暗

B.电压表示数变大,电流表示数变大,灯变亮

C.电压表示数不变,电流表示数不变,灯的亮度不变

D.电压表示数不变,电流表示数变小,灯变暗

13 (09宁波)如图所示,R是磁敏电阻,它的阻值能随周围磁场的增强而增大。闭合 开关S,当磁敏电阻R周围的磁场增强时(   )

A.电流表示数变小   B.电压表示数变小

C.灯L变亮      D.电路总功率变大

14(09温州)闭合开关后,下图中的四个灯泡都正常发光,其中最亮的是D

15(09泰安)如图所示,闭合开关,将滑动变阻器的滑片向上滑动时,观察到的现象是

A.灯泡变暗,电压表示数变大  

B. 灯泡变亮,电压表示数不变

C.电路消耗的总功率变小,电压表示数不变    

D. 电路消耗的总功率变大,电压表示数变大

16(09绵阳)我们知道,电炉通电后,电炉丝热得发红,而与电炉丝相连的导线却不怎么发热。其原因是

A.导线的电阻小    B.电炉丝的电阻小

C.通过导线的电流大   D.通过电炉丝的电流大

17(09成都)下列用电器在工作过程中,电能几乎全部转化为内能的是

 A.电脑   B.电风扇   C.洗衣机   D.电炉

18(09泰安)将规格都是“220V  200W”的一台电风扇、一台电视机和一把电烙铁,分别接入家庭电路中,通电时间相同,下列有关电流通过它们产生热量的说法中,正确的是 

A.电风扇产生的热量最多        B.电视机产生的热量最多

C.电烙铁产生的热量最多        D.三者产生的热量一样多

19(09兰州)电炉丝断了,去掉1/5后,仍然接在原来的电源两端,则在相同时间内产生的热量与原来产生的热量之比为

A. 5 :4     B.  1 :5      C. 5 :1     D.  4 :5

20(09常德)下列常见电器中不是利用电流热效应工作的是

试题详情

9.这首词运用了情景交融和虚实结合的表现手法,请任选一种表现手法,结合具体诗句作简要分析。(6分)

                                   

试题详情

8.有人说“长忆西湖”的“忆”字是全词关键,请简要分析。(5分)

                                   

 

试题详情

36.(36分)读材料和图,完成下列各题。

材料  下图区域曾经是中国文明的中心地之一,由于快速增长的人口,对土地资源造成了巨大压力。由于缺少其他经济来源,为了生存只得向陡坡地、林地、草地要粮,造成一定时期内生态、经济的恶性循环。

  (1)图中沙障(K处)保护的铁路线是___        ____铁路 ,阻隔的沙漠名称是___       ____ 。(4分)

  (2)Q山脉是____        ,在古代称之为“朔方之保障,沙漠之咽喉”,原因是什么?(6分)

  (3)P山脉是重要的地理分界线,其名称是________,下图景观常在该山以_______(填南或北)欣赏到。(4分)

  (4)该地区具有全国意义的自然资源是___________。分析在开采该资源过程中,可能导致的环境问题。(10分)

  (5)结合所学地理知识,比较图中M、N两河段水文特征的差异。(6分)

  (6)从环境保护的角度分析,该地区在国土整治中应该做的三项工作是什么?(6分)

试题详情

35.日本民主党党代表鸠山由纪夫于2009年9月16日击败自民党成功当选首相,在日本东京皇宫接受明仁天皇的任命书。鸠山新内阁由民主党、社民党、国民新党的17名成员联合组成。这表明,日本实行的是            (   )

    A.一党制  议会制君主立宪制        B.多党制  总统制共和制

    C.一党制  民主共和制           D.多党制  议会制君主立宪制

第Ⅱ卷 非选择题(共160分)

试题详情

34.图表反映出    (   )

    A.我国已经实现了各民族的

完全平等

    B.我国的西部大开发战略促

进了各民族的共同繁荣

    C.民族区域自治适合我国国

    D.民族平等是实现民族团结

的政治基础

试题详情

33.我国的村委会换届选举中,不少地方创造了村务大事公决制度、“民主恳谈”制度等民主决策制度创新实践;实行了村民票决村干部工资、村级事务契约化管理等民主管理新办法;推广了阳光财务、村务点题公开等新形式;实施了村务监督委员会制度等民主监督新机制。这些村级民主制度的创新,根源在于             (   )

    A.各级领导对村级民主制度建设的重视

    B.社会主义民主的本质是人民当家作主

    C.我国实行大多数人对极少数人的专政

    D.任何民主都是要服从大多数人的意见

试题详情


同步练习册答案