0  294694  294702  294708  294712  294718  294720  294724  294730  294732  294738  294744  294748  294750  294754  294760  294762  294768  294772  294774  294778  294780  294784  294786  294788  294789  294790  294792  294793  294794  294796  294798  294802  294804  294808  294810  294814  294820  294822  294828  294832  294834  294838  294844  294850  294852  294858  294862  294864  294870  294874  294880  294888  447090 

9. 铜质金属环从条形磁铁的正上方由静止开始下落,在下落过程中,下列判断中正确的是(   )

A. 金属环在下落过程中的机械能守恒

B. 金属环在下落过程动能的增加量小于其重力势能的减少量

C. 金属环的机械能先减小后增大

D. 磁铁对桌面的压力始终大于其自身的重力

试题详情

8. 2006年7月1日,世界上海拔最高、线路最长的青藏铁路全线通车,青藏铁路安装的一种电磁装置可以向控制中心传输信号,以确定火车的位置和运动状态,其原理是将能产生匀强磁场的磁铁安装在火车首节车厢下面,如图甲所示(俯视图),当它经过安放在两铁轨间的线圈时,线圈便产生一个电信号传输给控制中心.线圈边长分别为l1l2,匝数为n,线圈和传输线的电阻忽略不计.若火车通过线圈时,控制中心接收到线圈两端的电压信号u与时间t 的关系如图乙所示,t1t2t3t4是运动过程的四个时刻,则火车(   )

A.在t1~t2时间内做匀加速直线运动

B.在t3~t4时间内做匀减速直线运动

C.在t1~t2时间内加速度大小为

D.在t3~ t4时间内平均速度的大小为

试题详情

7. 光滑水平面上放一边长为l的正方形金属框,有界匀强磁场的方向竖直向上,磁场区域的宽度为L,且L>l。金属框在水平恒力F作用下沿水平做直线运动,穿过磁场区域。已知ab边进入磁场时,金属框的加速度恰好为零,当cd边离开磁场时即撤去恒力F 则从线框的ab边进入磁场到cd边离开磁场的过程中,线框的速度随时间变化的图象是(   )

   

试题详情

6. 如图所示,在光滑水平面上方,有两个磁感应强度大小均为B、方向相反的水平匀强磁场,如图所示,为两个磁场的边界,磁场范围足够大。一个边长为,质量为,电阻为的正方形金属线框垂直磁场方向,以速度从图示位置向右运动,当线框中心线AB运动到与重合时,线框的速度为,则 (    )

A.此时线框中的电功率为

B.此时线框的加速度为

C.此过程通过线框截面的电量为

D.此过程回路产生的电能为

试题详情

5.如图所示,闭合线圈固定在小车上,总质量为1kg.它们在光滑水平面上,以10m/s的速度进入与线圈平面垂直、磁感应强度为B的水平有界匀强磁场,磁场方向垂直纸面向里已知小车运动的速度ν随车的位移s变化的ν-s图象如图所示.则:(    )

A.线圈的长度L=10cm      B.磁场的宽度d=15cm

C.线圈进入磁场过程中做匀加速运动,加速度为0.8m/s2

D.线圈通过磁场过程中产生的热量为24J

试题详情

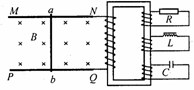
4. 如图所示,MN利PQ为处于同一水平面内的两根平行的光滑金属导轨,垂直导轨放置的金属棒ab与导轨接触良好,在水平金属导轨之间加竖直向-卜的匀强磁场,导轨的N、Q端按理想变压器的初级线圈,理想变压器的输出端有三组次级线圈,分别接有电阻元件R、电感元件L和电容元件C。若用IR、IL、IC分别表示通过R、L和C的电流,不考虑电容器的瞬间充放电,则下列判断中正确的是 (    )

A.若ab棒匀速运动,则

B.若ab棒匀加速运动,则

C.若ab棒做加速度变小的加速运动,则

D.若ab棒在某一中心位置附近做简谐运动,则

试题详情

3. 某同学在实验室里熟悉各种仪器的使用.他将一条形磁铁放在水平转盘上,如图甲所示,磁铁可随转盘转动,另将一磁感应强度传感器固定在转盘旁边当转盘(及磁铁)转动时,引起磁感应强度测量值周期性地变化,该变化的周期与转盘转动周期一致.经过操作,该同学在计算机上得到了如图乙所示的图像.

 

该同学猜测磁感应强度传感器内有一线圈,当测得磁感应强度最大时就是穿过线圈的磁通量最大时.接照这种猜测(    )

A.在t=0.1 s时刻,线圈内产生的感应电流的方向发生了变化,

B.在t=0.15 s时刻,线圈内产生的感应电流的方向发生了变化,

C.在t=0.1 s时刻,线圈内产生的感应电流的大小达到了最大值,

D.在t=0.15 s时刻,线圈内产生的感应电流的大小达到了最大值.

试题详情

2. 如图所示,电路中AB是规格相同的灯泡,L是电阻可忽略不计的电感线圈,那么()

A.合上S,AB一起亮,然后A变暗后熄灭

B.合上S,B先亮,A逐渐变亮,最后AB一样亮

C.断开S,A立即熄灭,B由亮变暗后熄灭

D.断开S,B立即熄灭,A闪亮一下后熄灭

试题详情

1. 足够长的光滑金属导轨水平平行固定,置于竖直向上的匀强磁场中,在导轨上放两条金属杆,两杆平行且与导轨垂直接触良好。设导轨电阻不计,两杆的电阻为定值。从某时刻起给施加一与导轨平行方向向右的恒定拉力作用,则以下说法正确的是 (   )

A.向左做加速运动

B.受到的安培力始终向左

C.一直做匀加速直线运动

D.均向右运动,运动后的速度始终不会相等,但最终速度差为一定值

试题详情

41.(9分)下图表示果蝇体细胞染色体组成及某些基因的分布情况,请分析回答:

  (1)果蝇的性别决定方式是      

如图所示的果蝇细胞中有    

染色体组,卵细胞中同时含有来自父方

的一组染色体的概率占      

  (2)若基因型为BbXDXd,则两对等位基因

按照      规律遗传。

  (3)若基因型为AaBb,则两对等位基因按照      规律遗传。

  (4)若有关基因所控制的性状如下表格。

基因
A
a
B
b
C
c
D
d
性状
灰身
黑身
长翅
残翅
粗眼
细眼
红眼
白眼

    用灰身长翅粗眼(AaBbCc)的果蝇做测交实验,该个体测交后代的性状表现及个体数如下表:

表现型
灰身残翅粗眼
灰身残翅细眼
黑身长翅粗眼
黑身长翅细眼
灰身长翅粗眼
灰身长翅细眼
黑身残翅粗眼
黑身残翅细眼
个体数
100
100
100
1000
25
25
25
25

    该果蝇减数分裂产生配子时,发生互换的初级卵母细胞占       。产生abCXD卵细胞的概率是      ,与该卵细胞同时产生的3个极体的基因组成是    

试题详情


同步练习册答案