0  297361  297369  297375  297379  297385  297387  297391  297397  297399  297405  297411  297415  297417  297421  297427  297429  297435  297439  297441  297445  297447  297451  297453  297455  297456  297457  297459  297460  297461  297463  297465  297469  297471  297475  297477  297481  297487  297489  297495  297499  297501  297505  297511  297517  297519  297525  297529  297531  297537  297541  297547  297555  447090 

10. 如图,电源的内阻不可忽略。已知定值电阻R1=10Ω,R2=8Ω.当电键S接位置1时,电流表的示数为0.20A,那么当电键S接位置2时,电流表的示数可能是下列的哪些值 

A.0.28A     B.0.25A

C.0.22A     D.0.19A

试题详情

9.如图所示的电路中,当R1的滑片向左移动时,(电压表V1并联在R1两端,电压表V2并联在R2两端),若电压表V1和电压表V2的示数的变化量分别为ΔU1和ΔU2(均为绝对值),则ΔU1和ΔU2的大小关系是

A.ΔU1>ΔU2     B.ΔU1=ΔU2

C.ΔU1<ΔU2      D.条件不足,无法确定

试题详情

8.如图所示的电路中,当滑动变阻器的滑片向上推动时:

A.电压表示数变大,电流表示数变小

B.电压表示数变小.电流表示数变大

C.电压表、电流表示数都变大   

D.电压表、电流表示数都变小

试题详情

7.把一小段通电直导线放入磁场中,导线受到安培力的作用。关于安培力的方向,下列说法中正确的是:

A.安培力的方向可通过安培定则判定。

B.安培力的方向一定跟磁感应强度的方向垂直,但不一定跟电流方向垂直。

C.安培力的方向、电流方向、磁感应强度方向一定两两垂直。

D.安培力的方向,既跟磁感应强度的方向垂直,又跟电流方向垂直。

 

试题详情

6.下图所示的四种情况,通电直导体均置于匀强磁场中,其中通电导线不受安培力的是

试题详情

5.如图所示,条形磁铁放在水平桌面上,在其正中央的上方固定一根长直导线,导线与磁铁垂直,给导线通以垂直纸面向外的电流,则 

A.磁铁对桌面压力减小,不受桌面的摩擦力作用

B.磁铁对桌面压力减小,受到桌面的摩擦力作用

 C.磁铁对桌面压力增大,不受桌面的摩擦力作用

 D.磁铁对桌面压力增大,受到桌面的摩擦力作用

试题详情

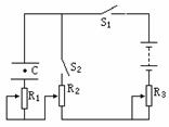
4.如图所示电路,开关S1、S2原来都是闭合的,当滑动变阻器R1、R2、R3的滑片都刚好处于各自中点位置时,悬在平行板电容器中间的带电尘埃恰好处于静止状态,在其它条件不变的情况下,要使尘埃向下运动,可用的方法是:

A.把R1的滑片位置向上移动 

B.把R2的滑片位置向上移动

C.把R3的滑片位置向上移动    D.把开关S2断开

试题详情

3. 如图所示电路L1发光,L2、L3不亮,A1有读数,A2没有读数,则产生的故障应是(只有一处有故障)

A. 灯泡L1断路    B. 灯泡L2断路 

C. 灯泡L3短路    D. 灯泡L2短路

试题详情

2.一个阻值为R的电阻两端加上电压U后,通过电阻横截面的电量q随时间t变化的图象如图所示,此图象的斜率可表示为

A.U         B.R    C.      D.

试题详情

1.一根粗细均匀的电阻丝截成长度相等的三段,再将它们并联起来,测得阻值为3Ω,则此电阻丝原来的阻值为

A.9Ω         B.8Ω         C.27Ω    D.3Ω

试题详情


同步练习册答案