0  297450  297458  297464  297468  297474  297476  297480  297486  297488  297494  297500  297504  297506  297510  297516  297518  297524  297528  297530  297534  297536  297540  297542  297544  297545  297546  297548  297549  297550  297552  297554  297558  297560  297564  297566  297570  297576  297578  297584  297588  297590  297594  297600  297606  297608  297614  297618  297620  297626  297630  297636  297644  447090 

24.如图所示,一个质量为m,电量为q的带电粒子,以初速v0沿y轴的正方向,从O点进入一个有界的匀强磁场中,匀强磁场的方向垂直于纸面向外,磁感强度为B,它的边界是半径为r 圆。调整这个圆形磁场区域的圆心位置,使得粒子在运动过程中偏转的角度最大,并且离开磁场后沿直线前进,可以达到x轴上的某点。求:

  

(1)满足上述条件的半径r的取值范围;

试题详情

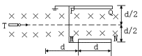
23.初速度为零的离子经过电势差为U的电场加速后,从离子枪T中水平射出,与离子枪相距d处有两平行金属板MN和PQ,整个空间存在一磁感强度为B的匀强磁场如图所示。不考虑重力的作用,荷质比(q,m分别为离子的带电量与质量),应在什么范围内,离子才能打到金属板上?

试题详情

22.如图甲所示,质量为m,长为l的铜棒,用长度亦为l的两根轻软导线水平悬吊在竖直向上的匀强磁场中,磁感应强度为B,未通电时,轻线在竖直方向,通入恒定电流后,棒向外偏转的最大角度,求此棒中恒定电流的大小。

同学甲的解法如下:对铜棒进行受力分析,通电时导线向外偏转,说明安培力方向垂直电流和磁场方向向外,受力如图乙所示(侧视图)。当最大偏转角θ时,棒受力平衡,有:    ,    得

同学乙的解法如下:铜棒向外偏转过程中,导线拉力不做功,如图丙所示。

F做功为:

重力做功为:

由动能定理得:

请你对同学甲和乙的解答作出简要的评价;若你两者都不支持,则给出你认为正确的解答。

试题详情

21.一个负离子的质量为m,电量大小为q,以速度v0垂直于屏S经过小孔O射入存在着匀强磁场的真空室中,如图所示。磁感应强度B方向与离子的初速度方向垂直,并垂直于纸面向里。如果离子进入磁场后经过时间t到这位置P,证明:直线OP与离子入射方向之间的夹角θ跟t的关系是

试题详情

20.电视机的显像管中,电子束的偏转是用磁偏转技术实现的。电子束经过电压为U的加速电场后,进入一圆形匀强磁场区,如图所示。磁场方向垂直于圆面。磁场区的圆心为O,半径为r 。当不加磁场时,电子束将通过O点打到屏幕的中心M点,为了让电子束射到屏幕边缘的P点,需要加磁场,是电子束偏转一已知角度θ,此时磁场的磁感应强度B为多少?

试题详情

19.画出下图中通电导线在磁场中所受的安培力的方向。

试题详情

18.试判断图所示带电粒子刚进入磁场时所受的洛仑兹力的方向。

试题详情

17.在水平面上,水平放置一根20cm长的铜棒,将其两端用软导线与电源连结,当铜棒中通有2A的电流时,且空间存在竖直方向上的磁感应强度大小为的匀强磁场,铜棒处于静止状态,如图所示,则铜棒受到的摩擦力大小为___________,方向是______________。

试题详情

16.在磁感应强度B的匀强磁场中,垂直于磁场放入一段通电导线。若任意时刻该导线中有N个以速度v做定向移动的电荷,每个电荷的电量为q。则每个电荷所受的洛伦兹力f=      ,该段导线所受的安培力为F=      。

试题详情

15.如图所示,一束β粒子自下而上进入一垂直纸面的匀强磁场后发生偏转,则磁场方向向       ,进入磁场后,β粒子的动能      (填“增加”、“减少”或“不变”)。

  

试题详情


同步练习册答案