0  340101  340109  340115  340119  340125  340127  340131  340137  340139  340145  340151  340155  340157  340161  340167  340169  340175  340179  340181  340185  340187  340191  340193  340195  340196  340197  340199  340200  340201  340203  340205  340209  340211  340215  340217  340221  340227  340229  340235  340239  340241  340245  340251  340257  340259  340265  340269  340271  340277  340281  340287  340295  447090 

28.(10分)如图,一束波长为0的红光,从空气中垂直于直角三棱镜的AB面入射,角A为300,从AC面射出方向如图所示.则玻璃对红光的折射率、红光在玻璃中的传播速度、红光在玻璃中的波长各是多少?^

试题详情

27、远距离输电时,如果输送的电功率不变,输电电压升高到原来的n倍,则输电线上损耗的功率将变为原来的    倍,输电线上的电压损失将变为原来的     倍。

^

三计算题(要有原始方程与必要的文字说明,否则要扣分)

试题详情

26.在一次测玻璃的折射率实验中,采用了如下方法,将一块半圆形玻璃砖放在水平面上(如图所示),用一束光线垂直于玻璃砖直径平面射入圆心O,以O为转轴在水平面内缓慢转动半圆形玻璃砖,当刚转过角时,观察者在玻璃砖平面一侧恰看不到出射光线,这样就可以知道该玻璃砖的折射率n的大小,那么,上述测定方法主要是利用了        的原理,该玻璃的折射率n=         

试题详情

23.一台理想变压器的副线圈有100匝,输出正弦交流电压为10V,则铁芯中磁通量的变化率的最大值是       

24一个匝数为N、所围成的面积为S的矩形线圈在匀强磁场B中绕垂直于磁感线的轴以角速度ω匀速转动。若从线圈平面平行于磁场方向时开始计时,则这个线圈产生的感应电动势的瞬时值表达式为              

25在双缝干涉实验中,屏上一点P到双缝的路程差是2.4×10-6 m.若P点恰是暗纹,且和中央之间还有一条亮纹,则光的波长是_______m.

试题详情

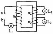
21、L1、L2、L3为三只完全相同的灯泡,按如图所示方式接入一理想变压器。己知匝数比n1:n2=3:1,当a、b接入交流电路时,L2和L3的实际功率为P,此时L1的实际功率P1为___________。^

(改编)22.如右图所示,从竖直墙上的小孔A中沿垂直墙壁方向射出一束光线,照射到平面镜上的O点,开始时平面镜与墙壁平行,两者相距为d,平面镜绕光线入射点O逆时针以角速度ω匀速转动,当转动到与初始位置成22.50时,墙壁上光点的瞬时速度是多大        

试题详情

2.答卷Ⅱ时用兰黑色钢笔或圆珠笔直接填写在试卷答题纸规定的地方。

试题详情

20.对于单缝衍射现象,以下说法正确的是

A.缝的宽度d越小,衍射条纹越亮

B.缝的宽度d越小,衍射现象越明显

C.缝的宽度d越小,光的传播路线越接近直线

D.入射光的波长越短,衍射现象越明显

^

卷Ⅱ(非选择题 共60分)

试题详情

19。某同学自己动手利用如图2所示器材观察光的干涉现象,其中,A为单缝屏,B为双缝屏,C为像屏.当他用一束阳光照射到A上时,屏C上并没有出现干涉条纹.他移走B后,C上出现一窄亮斑.分析实验失败的原因,最大的可能性是

^

A.单缝S太窄          B.单缝S太宽

C.S到S1与到S2的距离不等    D.阳光不能作为光源

试题详情

18.如图所示,将一线圈放在一匀强磁场中,线圈平面平行于磁感线,则线圈中有感应电流产生的是(    )

A、当线圈做平行于磁感线的运动

B、当线圈做垂直于磁感线的平行运动

C、当线圈绕M边转动

D、当线圈绕N边转动

试题详情

17。如图4所示,用一根长为L质量不计的细杆与一个上弧长为、下弧长为的金属线框的中点联结并悬挂于O点,悬点正下方存在一个上弧长为2、下弧长为2的方向垂直纸面向里的匀强磁场,且<<L。先将线框拉开到如图4所示位置,松手后让线框进入磁场,忽略空气阻力和摩擦。下列说法正确的是

A.金属线框进入磁场时感应电流的方向为

B.金属线框进入磁场时感应电流的方向为

C.金属线框dc边进入磁场与ab边离开磁场的速度大小总是相等

D.金属线框最终将在磁场内没能量损失的往复运动

试题详情


同步练习册答案