0  340078  340086  340092  340096  340102  340104  340108  340114  340116  340122  340128  340132  340134  340138  340144  340146  340152  340156  340158  340162  340164  340168  340170  340172  340173  340174  340176  340177  340178  340180  340182  340186  340188  340192  340194  340198  340204  340206  340212  340216  340218  340222  340228  340234  340236  340242  340246  340248  340254  340258  340264  340272  447090 

17.如图所示,质量相同的两个带电粒子P、Q以相同的速度沿垂直于电场方向射入两平行板间的匀强电场中,P从两极板正中央射入,Q从下极板边缘处射入,它们最后打在同一点(不计P、Q的重力以及它们间的相互作用),则从开始射入到打到上极板的过程,下列说法中不正确的是(  )

A.它们运动的时间相等

B.它们所带的电荷量之比qP:qQ=1:4

C.它们的电势能减小量之比△EP: △EQ=1:4

D.它们的动量增量之比△PP: △PQ=1:4

试题详情

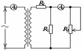
16.如图所示,T为理想变压器A1,A2为交流电流表,R1、R2为定值电阻,R3为滑动变阻器,原线圈两端接交流电源,当滑动变阻器的滑动触头向下滑

动时

A.A1读数变大,A2读数变大

B.A1读数变大,A2读数变小

C.A1读数变小,A2读数变大

D.A1读数变小,A2读数变小

试题详情

15.下列叙述中正确的是

A.摩擦力做功的过程中必定有机械能转化为内能;

B.布朗运动就是液体分子的运动;

C.对气体加热,气体的内能一定增大;

D.对一定质量的气体,如果温度保持不变,体积越小,压强越大。

试题详情

14.物理学的基本原理在生产生活中有着广泛的应用。下面列举的四种器件中,在工作时利用了电磁感应现象的是

A.回旋加速器     B.日光灯     C.质谱仪      D.示波管

试题详情

13.有A、B、C、D四种主族非金属元素,已知:对应的离子为An-、 Bm-、Cx-、Dx-,最外层都为8电子稳定结构。

(1)A、D对应的钠盐配成混合溶液,电解时,在阳极上首先反应的是: An-

(2)B的最高价氧化物对应的水化物酸性最强;

(3)C+xe-=C x- 、D+ xe- =D x-放出的热量分别为Q1 和Q2 , 且Q1>Q2

以下说法正确的是

A.原子半径:C > D ;

B.非金属性:B > A > D > C ;

C.少量B单质加入A、C、D的钠盐混合溶液中,发生的反应是:B+ C x-" Bm-+ C;

D.气态氢化物的稳定性:B > C > D > A ;

试题详情

12.一定条件下,体积为10 L的密闭容器中,1 molX和1 molY进行反应:

2X(g)+Y(g)Z(g),经60s达到平衡,生成0.3 mol Z。下列说法正确的是

A.以X浓度变化表示的反应速率为0.001 mol/(L·s)

B.将容器体积变为20 L,Z的平衡浓度变为原来的

C.若增大压强,则物质Y的转化率减小

D.若升高温度,X的体积分数增大,则该反应的△H>0

试题详情

11.设NA代表阿伏加德罗常数,下列说法正确的是

A.标况下,以任意比混合的N2和O2共22.4 L,所含有的分子数为NA

B.16 g甲烷分子中含有2NA个共价键

C.1 mol Na2O2与水充分反应转移2NA个电子

D. 常温常压下,1 mol羟基(-OH)所含有电子总数为10NA

试题详情

10.40℃时,将相同质量的两份饱和石灰水,一份冷却到10℃;另一份加入少量氧化钙,温度仍控制在40℃。则这两种情况下,均不改变的是

A.Ca(OH)2的溶解度       B.溶液中溶质的质量分数和物质的量浓度

C.溶液中Ca2+数目        D.溶液的质量

试题详情

9.下列反应的离子方程式中,正确的是

A.向碳酸氢镁溶液中加入足量的烧碱溶液

Mg2++2HCO3-+2OH-===MgCO3↓+ CO32-+2H2O

B.氯气溶于水    Cl2+H2O===2H++Cl-+ClO-

C.碳酸钙与醋酸反应    CaCO3+2H+===Ca2++CO2↑+H2O

D.在氯化铝溶液中加过量氨水    Al3++3NH3·H2O===Al(OH)3↓+3NH4+

试题详情

8.某气体的摩尔质量为M g·mol-1,NA表示阿伏加德罗常数的值,在一定的温度和压强下,体积为V L的该气体所含有的分子数为X,则表示的是

A.以g为单位V L该气体的质量   B.以g为单位1 L该气体的质量

C.1 L该气体中所含的分子数     D.以L为单位1 mol该气体的体积

试题详情


同步练习册答案