0  349818  349826  349832  349836  349842  349844  349848  349854  349856  349862  349868  349872  349874  349878  349884  349886  349892  349896  349898  349902  349904  349908  349910  349912  349913  349914  349916  349917  349918  349920  349922  349926  349928  349932  349934  349938  349944  349946  349952  349956  349958  349962  349968  349974  349976  349982  349986  349988  349994  349998  350004  350012  447090 

1、将两个阻值不同的电阻R1、R2分别单独与同一电源连接,如果在相同的时间内,R1、R2发出的热量相同,则电源内阻为[   ]

(A)  (B) 

(C)   (D)

(本题主要考查闭合电路的欧姆定律中的电热问题,本题还可以从U-I图象上来理解)

试题详情

11、两节干电池电动势均为1.5V,其中一节新电池内阻为0.4Ω,一节旧电池的内阻为16Ω.现在将二节电池串联,并向标有“3V,2.5W”字样的小电珠供电.试分析这种做法是否能省电?(即指节约电能),就你的结论进行简要的论证.

图36-B--8
 
12、如图36-B--8所示,电阻R1=8Ω,电动机绕组电阻R0=2Ω,当电键K断开时,电阻R1消耗的电功率是2.88W;当电键闭合时,电阻R1消耗的电功率是2W,若电源的电动势为

6V.求:电键闭合时,电动机输出的机械功率.

图36-B--9
 
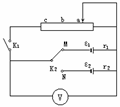
13、 如图36-B--9所示的电路中,电键K1断开时,电键K2分别接到M端与N端,电压表的示数之比U1:U2=4:3.电键K1接通以后,滑动变阻器的滑片移到点,间电阻为R1,将K2分别接到M端与N端时,变阻器消耗的电功率恰好都是4W,若变阻器的滑片移到点,间电阻为R2,R2R1,K2接到N端时,变阻器消耗的电功率也是4W,那么,将K2接到M端时,变阻器消耗的电功率Px是多少瓦?(电源电动势和内电阻恒定不变,电压表对测量的影响忽略不计)

试题详情

9、把10个相同的电池组成串联电池组,对外电路上一个阻值为3.6Ω的电阻供电.若每个电池的电动势为2.0V,内电阻为0.04Ω,则外电阻上消耗的功率为______,电源内阻上的热功率为______,电源提供的总功率为______,每个电池两端的电压为______.

图36-B--7
 
10、如图36-B--7所示,电源的内阻r=0.6Ω,R1=4Ω,R2=6Ω,电源的输出功率为37.6W,电源消耗的总功率为

40W,则电源的电动势为     V,

R3的阻值为    Ω.

试题详情

6、将一个6V、6W的小灯甲连接在内阻不能忽略的电源上,小灯恰好正常发光,现改将一个6V、3W的小灯乙连接到同电源上,则 [ ]  A.小灯乙可能正常发光  B.小灯乙可能因电压过高而烧毁  C.小灯乙可能因电压较低而不能正常发光  D.小灯乙一定正常发光   7、如图36-B--5所示的电路中,V1、V2是理想电压表,R1、R2均为定值电阻、且R1=R2、R3为滑动变阻器,且R3=2R1,电动势为ε,内阻为r,起初滑动接头P接在变阻器[   ]

图36-B--5
 
中央,V1表的读数为V2表的一半,移动接头P,若使V1表读数变为原来的1.5倍,则

(A)通过R2的电流变为原来的1.5倍;

(B)通过R3的电流变为原来的1.5倍;

(C)V2表的读数有所下降;

(D)V2表的读数有所增加。

二填空题:

图36-B--6
 
8、如图36-B--6所示,八个完全相同的电池依次首尾相接后,用一电压表测量图中a、b两点的电压,已知每个电池的电动势为ε,内阻为r,电压表对电路的影响不计,则电压表的读数为________。 

试题详情

5、如图36-B--4电路中,电阻R1=10Ω,R2=8Ω,电源内阻r≠0.当S接R1时,电压表示数为2V,当S接R2时,电压表示数[  ]                 

A.2.2V          B.1.9V

图36-B--4
 
C.1.6V          D.1.3V

试题详情

4、电池甲和乙的电动势分别为ε1和ε2,内电阻分别为r1和r2。若用这两个电池分别向某一个电阻R供电时,这个电阻所消耗的电功率相同。若用电池甲、乙分别向另一个阻值比R大的电阻供电时,电功率分别为P1和P2。已知ε1>ε2,则    [   ]

(A)  电池的内电阻r1>r2 

(B)电池的内电阻r1<r2

(C)电功率P1>P2

(D)电功率P1<P2

试题详情

2、当电路发生故障时,电流和电压如何变化? [   ]

A.电源被短接时,通过电源内部的电流将无穷大,而路端电压也最大;

B.电源被短接时,通过电源的电流等于ε/r,路端电压为零;

C. 外电路断开时,电流为零,路端电压的值等于ε;D.上述说法都错。

图36-B--3
 
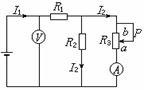
3、如图36-B--3所示电路,当滑线变阻器的滑动触头向b端移动时[   ]

(A)电压表的读数增大,电流表的读数减小

(B)电压表 和电流表 的读数减小

(C)电压表 和电流表 的读数增大

(D)电压表的读数减小,电流表的读数增大

试题详情

1、单位电量的电荷在电场力作用下沿闭合电路移动一周,所释放的电能决定于[   ]

A.电源电动势的大小  B.电流强度的大小

C.路端电压的大小   D.内、外电阻之和

试题详情

10、图36-A--11所示的电路中,R1=3Ω,R2=9Ω,R3=6Ω,电源电动势ε=24V,内阻不计.当电键S1、S2均开启和均闭合时,灯泡L都同样正常发光.

图36-A--11
 
(1)写出两种情况下流经灯泡的电流方向:

S1、S2均开启时;

S1、S2均闭合时.

(2)求灯泡正常发光时的电阻R和电压U.

(本题主要考查闭合电路欧姆定律,及电路简化的能力)

试题详情

9、如图36-A--10所示,电源电动势ε=10V,电源内阻r=1Ω,电阻R1=R2=4Ω.问:

 (1)电流表示数最大是多少?

图36-A--10
 
(2)RAP为何值时安培表示数最小?

(本题主要考查闭合电路欧姆定律,及应用数学知识处理问题的能力)

试题详情


同步练习册答案