0  407746  407754  407760  407764  407770  407772  407776  407782  407784  407790  407796  407800  407802  407806  407812  407814  407820  407824  407826  407830  407832  407836  407838  407840  407841  407842  407844  407845  407846  407848  407850  407854  407856  407860  407862  407866  407872  407874  407880  407884  407886  407890  407896  407902  407904  407910  407914  407916  407922  407926  407932  407940  447090 

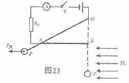
16、(9分)(2009年山东威海市、)我市北部沿海耸起一片“风电林”,为威海经济发展提供了可再生绿色能源,为旅游业带来新亮点。小明对风力的研究也产生了浓厚的兴趣,和同学一起设计了“风力测试仪”的原理图,如图23所示,已知电源电压12V,R0为20Ω,OB长为10cm,AB长为20cm、阻值为60Ω的均匀电阻丝。OP为质量、电阻均不计的金属细杆,下端连接一个重为3N的圆球P。金属细杆OP始终与电阻丝AB 接触良好且无摩擦。闭合开关S,无风时,OP下垂并与电阻丝的B端接触;有风时,圆球P受风力作用,使金属细杆OP绕悬挂点O偏转。请你解答下列问题:

(1)无风时电流表示数是多少?(2)当金属细杆OP滑到AB中点时电路消耗的总功率是多少?(3)当金属细杆OP滑到A点时圆球P受的风力是多大?(4)若将电流表的刻度改为风力表的刻度值,请问表盘刻度均匀吗?简要说明理由。

试题详情

14. (2009年潍坊市.)(6分)在“测定小灯泡功率”的实验中,小灯泡的额定电压为3.8V,灯丝的电阻约为5Ω,如图是小明同学做这个实验连好的电路,请指出图中存在的三处错误。

①                                      ;

②                                      ;

③                                      。

答案:.①滑动变阻器接线柱接错(2分)②电流表量程选错(2分)③电压表正负接线柱接反(2分)

15(2009年山东威海市、)图16是“探究电流通过导体产生热量与导体电阻关系”的实验装置,两阻值分别为R和2R的电阻丝浸在相同质量和相同初温的煤油中,每一烧瓶里各插一支温度计,则闭合开关,经过一段时间,两电阻丝产生热量的多少是通过   反映出来的;采用这种连接方式的目的是    。答案:温度计的示数变化  控制电流相同

试题详情

10.答案一

(1)验证猜想甲(不占分)。

(2)  两个规格不同的小灯泡(1分),若仅答 “两个小灯泡”,不给分;电压表(1分)。

(3)电路图如图(2分)

(4)两灯泡两端的电压U1、U2。(2分)

(5)两灯泡的亮度。(2分)

(6)电流一定时,电功率跟电阻成正比(1分);电压一定时,电功率跟电阻成反比(1分)。

答案二:

(1)验证猜想乙(不占分)。

(2) 两个规格不同的小灯泡(1分)、电流表(1分)。

(3)电路图如图(2分)

(4)两灯泡的电流I1、I2。(2分)

(5)两灯泡的亮度。(2分)

(6)电流一定时,电功率跟电阻成正比(1分);电压一定时,电功率跟电阻成反比。(1分)

评分标准:本题共10分,各小题占分见相应小括号内的分值。其中第(2)小题若仅答出“两个小灯泡”,扣1分;

13(2009年潍坊市.)如图所示,将一只标有“12V6W”的灯泡L1和“6V6W”的灯泡L2并联后,接在6V的电源上(设灯丝电阻不变),则.BC

A.灯泡L1比灯泡L2亮

B. 灯泡L2比灯泡L1亮

C.两灯的实际功率之和小于12W

D.两灯的实际功率之和等于12W

试题详情

12.(2009年济宁市)在“探究灯泡的电功率跟哪些因素有关”时,同学们提出了如下猜想:

甲:电功率跟电压有关,电压越高,电功率越大。

乙:电功率跟电流有关,电流越大,电功率越大。

请你任选其中一个猜想,设计实验,进行验证。

(1)你验证的猜想是     (填甲或乙)。

(2)实验需要的器材,除电源、导线、开关外,

还需要            。

(3)在右面的方框中画出你的实验电路图。

(4)在该实验中,你需要收集的数据是        。

(5)你是通过观察比较        来比较两灯泡功率的大小的。

(6)探究出电功率跟电压和电流的关系后,爱动脑筋的小明猜想 :“电功率跟电阻之间也可能有一定的关系。”于是,他向老师借了一些定值电阻和其他相关器材进行实验,其实验数据如表一、表二所示。

表一                   表二

R/Ω
5
10
15
20
30
I/A
0.2
0.2
0.2
0.2
0.2
U/V
1
2
3
4
6
P/W
0.2
0.4
0.6
0.8
1.2
R/Ω
5
10
15
20
30
I/A
1.2
0.6
0.4
0.3
0.2
U/V
6
6
6
6
6
P/W
7.2
3.6
2.4
1.8
1.2

根据表一中的数据可以得出电功率跟电阻阻值之间的关系是∶                                        

                      。

根据表二中的数据可以得出电功率跟电阻阻值之间的关系是∶                                       

试题详情

3、解:(1)S1闭合,S2,S2断开时,R1R2串联,R总=R1+R2=5Ω…………………1分

     U=IR总=0.6×5=3(V) ………… …………………………………………2分

   (2)开关都闭合时,L和R2并联

    I2==1(A)……………………………………………………………1分

    IL=I-I2=1.5-1=0.5(A)…………………………………………………………1分

    PL=UIL=3×0.5=1.5(W) ………………………………………………… ……2分

答:………。

试题详情

11、(2009年德州市)如图14所示电路中,Rl=2Ω,R2=3Ω。当开关S1闭合,S2、S3断开时,电流表的示数为0.6A;当开关S1、S2、S3都闭合时,电流表示数为1.5A,且灯泡正常发光。设电源电压不变.求:

(1)电源电压;

(2)灯泡的额定功率;

试题详情

10.(2009年德州市)一盏标有“6V  3W”字样的小灯泡,接入电压值为12V的电路中,若使灯泡正常发光,则需

      联一个阻值为      Ω的电阻。

答案、串联;12

试题详情

9.(2009年晋江市)利用图16中的器材,测量额定电压为2.5V的小灯泡的额定功率。

⑴ 把图18中的实物电路连接完整;

⑵ 在闭合开关前,滑动变阻器连入电路的电阻应是_______,即滑片应位于_____端;

⑶ 闭合开关后,移动变阻器的滑片,应使电压表示数为______V,此时电流表示数如图19所示,即为_____A,则该小灯泡的额定功率是______W,此时灯丝电阻为_______Ω。

答案⑴ 右图(接线在D也可以);

  ⑵最大值    A

⑶  2.5    0.24    0.6    10.4

试题详情

8.今年5月娄底全面开通了3G手机通信业务. 你知道到底什么是3G通信吗?所谓3G,其实它的全称是3rdGeneration,中文含义就是指第三代数字通信. 第三代与前两代的主要区别在于:传输声音和数据的速度上的提升,它能够处理图像、音乐、视频流等多种媒体形式. 以下为某3G手机LGKT878的主要参数:? 

手机类型
主屏参数
电池规格
摄像头像素
通话时电流
3G手机 
智能手机 
拍照手机
3.0英寸 
480×800像素
3.7伏 
1300毫安时锂电池
500万像素
400mA

该手机通话5min,消耗的电能是        J. 

答案:444

试题详情

7..(2009年娄底市)小明同学在家中拍到一张电能表照片,如图,他仔细观察照片后,得到下列结论,你认为正确的是 B

A.电能表的额定功率为2500W 

B.电能表的标定电流为5A 

C.拍照片时,小明家已消耗的电能为9316KW·h 

D.拍照片时,小明家已消耗的电能为931.6J 

试题详情


同步练习册答案