0  419962  419970  419976  419980  419986  419988  419992  419998  420000  420006  420012  420016  420018  420022  420028  420030  420036  420040  420042  420046  420048  420052  420054  420056  420057  420058  420060  420061  420062  420064  420066  420070  420072  420076  420078  420082  420088  420090  420096  420100  420102  420106  420112  420118  420120  420126  420130  420132  420138  420142  420148  420156  447090 

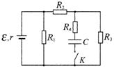
16.(13分)在如图所示的电路中,电源的电动势ε=3.0V, 内阻r=1.0W,电阻R1=10W,R2=10W,R3=30W,R4=35W;电容器的电容CmF,电容器原来不带电.求接通电键K后流过R4的总电量。

试题详情

15.(12分)当物体从高空下落时,空气阻力随速度的增大而增大,因此经过一段距离后将匀速下落,这个速度称为此物体下落的终极速度. 已知球形物体速度不大时所受的空气阻力正比于速度v,且正比于球半径r,即阻力fkrvk是比例系数。对于常温下的空气,比例系为k=3.4×104Ns/m2。已知水的密度r=1.0×103kg/m3,取重力加速度g=10m/s2。试求半径r=0.10mm的球形雨滴在无风情况下的终极速度vT。(结果取两位数字)

试题详情

14.(12分)据美联社2002年10月7日报道,天文学家在太阳系的9大行星之外,又发现了一颗比地球小得多的新行星,而且还测得它绕太阳公转的周期约为288年. 若把它和地球绕太阳公转的轨道都看作圆,问它与太阳的距离约是地球与太阳距离的多少倍。(最后结果可用根式表示)

试题详情

13.(8分)要测量一块多用电表直流10mA档的内阻RA(约为40W),除此多用电表外,还有下列器材:直流电源一个(电动势E约为1.5V,内阻可忽略不计),电阻一个(阻值R约为150W),电键一个,导线若干。

要求(1)写出实验步骤;(2)给出RA的表达式.

试题详情

12.(7分)实验装置如图1所示;一木块放在水平长木板上,左侧拴有一细软线,跨过固定在木板边缘的滑轮与一重物相连,木块右侧与打点计时器的纸带相连,在重物牵引下,木块在木板上向左运动,重物落地后,木块继续向左做匀减速运动,图2给出了重物落地后,打点计时器在纸带上打出的一些点,试根据给出的数据,求木块与木板间的摩擦因数m。要求写出主要的运算过程,结果保留2位有效数字。(打点计时器所用交流电频率为50Hz,不计纸带与木块间的拉力。取重力加速度g=10m/s2)

试题详情

11.(6分)下图为-正在测量中的多用电表表盘。

(1)如果是用直流10V档测量电压,则读数为     V。

(2)如果是用×100W档测量电阻,则读数为     W。

(3)如果是用直流5mA档测量电流,则读数为     mA。

试题详情

10.如图,ab都是厚度均匀的平玻璃板,它们之间的夹角为j,一细光束以入射角qP点射入,qj .已知此光束由红光和蓝光组成,则当光束透过b板后,

A.传播方向相对于入射光方向向左偏转j

B.传播方向相对于入射光方向向右偏转j

C.红光在蓝光的左边

D.红光在蓝光的右边

第Ⅱ卷(非选择题  共110分)

试题详情

9.原子从一个能级跃迁到一个较低的能级时,有可能不发射光子,例如在某种条件下,铬原子的n=2能级上的电子跃迁到n=1能级上时并不发射光子,而是将相应的能量转交给n=4能级上的电子,使之能脱离原子,这一现象叫做俄歇效应,以这种方式脱离了原子的电子叫做俄歇电子,已知铬原子的能级公式可简化表示为En,式中n=1,2,3……表示不同能级,A是正的已知常数,上述俄歇电子的动能是

A.A   B.A   C.A   D.A

试题详情

8.如图,一玻璃柱体的横截面为半圆形,细的单色光束从空气 射向柱体的O点(半圆的圆心),产生反射光束1和透射光束2,已知玻璃折射率为,入射解为45°(相应的折射角为24°),现保持入射光不变,将半圆柱绕通过O点垂直于图面的轴线顺时针转过15°,如图中虚线所示,则

A.光束1转过15°             B.光束1转过30°

C.光束2转过的角度小于15°        D.光束2转过的角度大于15°

试题详情

7.一弹簧振子沿x轴振动,振幅为4cm,振子的平衡位置位于x轴上的0点,图1中的abcd为四个不同的振动状态;黑点表示振子的位置,黑点上的箭头表示运动的方向,图2给出的①②③④四条振动图线,可用于表示振子的振动图象。

A.若规定状态at=0,则图象为①   B.若规定状态bt=0,则图象为②

C.若规定状态ct=0,则图象为③    D.若规定状态dt=0,则图象为④

试题详情


同步练习册答案