0  421015  421023  421029  421033  421039  421041  421045  421051  421053  421059  421065  421069  421071  421075  421081  421083  421089  421093  421095  421099  421101  421105  421107  421109  421110  421111  421113  421114  421115  421117  421119  421123  421125  421129  421131  421135  421141  421143  421149  421153  421155  421159  421165  421171  421173  421179  421183  421185  421191  421195  421201  421209  447090 

6.如图所示,在足够长的斜面上A点,以水平速度v0抛出一个小

球,不计空气阻力,它落到斜面上的水平距离为x1若将此球改

用2v0水平速度抛出,落到斜面上的水平距离为x2,则

                                         (   )

   A.1:1

   B.1:2

   C.1:3

   D.1:4

试题详情

5.质量为m的跳水运动员从距水面H高处跳下,落入水中后受到水的阻力而做减速运  动.设水对他的阻力大小恒为F,他从离开跳台到落入水中减速下降h高度的过程中,下列说法正确的是(g为当地的重力加速度)        (   )

   A.他的动能增加了mg(H+h)       B.他的动能增加了(mg-F)(H+h)

   C.他的机械能减少了FH            D.他的机械能减少了(F-mg)h

试题详情

4.a、b两物体从同一点沿同一方向作直线运动,v-t图象如图所示,

下列说法正确的是                               (   )

   A.当t=5 s时,a、b两物体第一次相遇

   B.当t=10 s时.a、b两物体间距最大

C.当t=1 5 s时,b物体在a物体的前面

D.当t=20 s时,a、b两物体第二次相遇

试题详情

3.如图所示,一带电微粒静止在平行板电容器中,要使带电微粒向上加速运动,可采用的方法有          (   )

   A.将电阻R1的阻值减小

   B.将R2的滑动触头向b端移动

   C.增大平行板之间的距离

   D.减小平行板的正对面积

试题详情

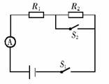
2.如图所示电路中,R=4Ω,R2=6Ω,电源内阻不可忽略,当电

键S2闭合时,电流表A的示数为3 A,则当S2断开时,电流

表示数可能为                             (   )

    A.3.2 A

    B.2.1 A

    C.1.2 A

    D.0.8 A

试题详情

1.在力学范围内,国际单位制规定了三个基本量,这三个基本量是            (   )

   A.长度、质量和力                B.速度、质量和时间

   C.长度、力和时间                D.长度、质量和时间

试题详情

14.请根据下文提供的信息,用不超过32个字(包括标点符号)对“天然湖”作简要的介绍。(6分)

在天山高处,可以看到一个面积很大的天然湖。湖面明净如镜,水清见底。高空的白云和四周的雪峰清晰地倒映在水中,把湖光山色融为晶莹的一体。在这幽静的湖上,唯一活动的东西就是天鹅。天鹅的洁白增添了湖水的明净,天鹅的叫声增添了湖面的幽静。人家说山色多变,而我看事实上湖色也是多变的。你站立高处瞭望湖面,眼前是一片赏心悦目的茫茫碧水,如果你再留意一看,接近你视线的是那闪闪的鳞光,像千万条银鱼在游动,而远处平展如镜。湖色越远越深,由近到远,是银白、淡蓝、深青、墨绿,非常分明。

答案:天然湖在天山高处,面积很大,湖水明净,湖面幽静,湖色多变。

(评分标准:“天然湖在天山高处”1分,“面积很大”1分,“湖水明净”1分,“湖面幽静”1分,“湖色多变”1分,五点写满可得6分)

试题详情

6、把下面文段后的句子按恰当顺序重新排列,使语意连贯。(只填句子的序号)(4分)

衡量决心最简单的方法就是问自己:究竟是“想成功”,还是“一定要成功”?

    “一定要,才能获得深层的驱动力,而不顾任何艰难险阻,义无反顾,锲而不舍,持之以恒。

①   世界上大多数渴望成功的人,就是因为这一字之差而没有成功。

②它至多只是一种向往或一种侥幸心理。

③“想”与“要”仅一字之差,但结果却有天壤之别。

③“想”,是随意的、想当然的,盲目的和非现实的。

⑤“想”成功者,其目标要么游移不定,要么好高驾远,不着边际,因而很难整合现有资源,很难有计划、有方法;要么迟迟不动,要么行动不坚决、不彻底、不持久,一遇挫折,立即为自己找个“本来就是想想而已”的借口,下台了事。

⑥而“要”则全然不同,它是明确的,有目的和现实的。

答案:③①④②⑤⑥(注意这里句子之间的总分关联,以及“这一字之差”“它”的前后关联。④② ⑤在一起给1分,③①④②⑤在一起给3分,全对给4分)

试题详情


同步练习册答案