精英家教网 > 初中数学 > 题目详情
15.如图,直线y=-$\frac{1}{2}$x-1与x轴、y轴分别交于点A、B,与反比例函数y=$\frac{k}{x}$(x<0)的图象交于点C,过点A作AD⊥0A,交反比例函数的图象于点D,连结CD.
(1)若已知AB=AC,求反比例函数的表达式;
(2)若已知CD=AC,求△ACD的面积.

分析 (1)作CE⊥x轴于E,根据直线的解析式求出点A、B的坐标,得到OA、OB的长,证明△ACE≌△AOB,确定点C的坐标求出反比例函数的表达式;
(2)作CF⊥AD于F,根据等腰山脚下的性质和已知得到点C的坐标,求出△ACD的面积.

解答 解:(1)作CE⊥x轴于E,
直线y=-$\frac{1}{2}$x-1与x轴、y轴分别交于点A(-2,0)、B(0,-1),
在△ACE和△AOB中
$\left\{\begin{array}{l}{∠CAE=∠BAO}\\{∠CEA=∠BOA}\\{AC=AB}\end{array}\right.$,
∴△ACE≌△AOB,
∴CE=OB=1,AE=OA=2,
∴C(-4,1)
∴反比例函数的表达式为:y=-$\frac{4}{x}$;
(2)作CF⊥AD于F,
∵CD=AC,∴点F为AD的中点,
∴D(-2,-$\frac{k}{2}$),F(-2,-$\frac{k}{4}$),
∴C($\frac{k}{2}$-2,-$\frac{k}{4}$),
则($\frac{k}{2}$-2)×(-$\frac{k}{4}$)=k,
解得,k=-4,
∴△ACD的面积=$\frac{1}{2}$×AD×CF=2.

点评 本题考查的是一次函数与反比例函数的交点问题,能够求出直线与坐标轴的交点和直线与双曲线的交点是解题的关键,注意数形结合思想的运用.

练习册系列答案
相关习题

科目:初中数学 来源: 题型:解答题

9.已知a+$\frac{1}{a}$=$\sqrt{10}$,求下列各式的值:
(1)(a+$\frac{1}{a}$)2
(2)(a-$\frac{1}{a}$)2
(3)a-$\frac{1}{a}$.

查看答案和解析>>

科目:初中数学 来源: 题型:解答题

6.解不等式:5(x-2)-2(x+1)>3.

查看答案和解析>>

科目:初中数学 来源: 题型:选择题

3.如图,将矩形ABCO放在直角坐标系中,其中顶点B的坐标为(10,8),E是BC边上一点,将△ABE沿AE折叠,点B刚好与OC边上点D重合,过点E的反比例函数y=$\frac{k}{x}$的图象与边AB交于点F,则线段AF的长为(  )
A.$\frac{15}{4}$B.2C.$\frac{15}{8}$D.$\frac{3}{2}$

查看答案和解析>>

科目:初中数学 来源: 题型:解答题

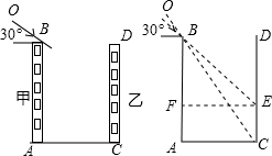
10.棕北中学暑假期间将进行校园外貌环境改造.如图为校园内的两幢教学楼,它们的高AB=CD=35m,它们之间的水平距离AC=30m,现工人现需了解甲楼对乙楼的采光的影响情况,当太阳光与水平线的夹角为30°角时,求EC的高度.

查看答案和解析>>

科目:初中数学 来源: 题型:解答题

20.响应政府“节能”号召,我市华强照明公司减少了白炽灯的生产数量,引进新工艺生产一种新型节能灯.已知这种节能灯的出厂价为每个10元.某商场试销发现:销售单价定为15元/个,每月销售量为350个;每涨价1元,每月少卖10个.
(1)求出每月销售量y(个)与销售单价x(元)之间的函数关系,并写出自变量的取值范围;
(2)设该商场每月销售这种节能灯获得的利润为w(元),当销售单价定为多少元时,每月可获得最大利润?
(3)如果物价部门规定,这种节能灯的销售单价不得高于25元.商场根据公司生产调拨计划得知,每月商场最多可销售这种节能灯300个,在这种情况下,商场每月销售这种节能灯最多可获得多少利润?

查看答案和解析>>

科目:初中数学 来源: 题型:选择题

7.下列图形中,既是轴对称图形又是中心对称图形的是(  )
A.矩形B.平行四边形C.等腰三角形D.直角三角形

查看答案和解析>>

科目:初中数学 来源: 题型:填空题

4.在△ABC中,正方形DEFG的顶点D、E在BC边上,顶点F、G分别在AC、AB上.若△ABC是等腰三角形,且腰长为10cm,底边长为12cm,则正方形DEFG的边长为$\frac{24}{5}$或$\frac{240}{49}$cm.

查看答案和解析>>

科目:初中数学 来源: 题型:解答题

5.如图所示,AB⊥AD,BC⊥CD,∠B=3∠D,求∠B、∠D的度数.

查看答案和解析>>

同步练习册答案