题目列表(包括答案和解析)

 0  134411  134419  134425  134429  134435  134437  134441  134447  134449  134455  134461  134465  134467  134471  134477  134479  134485  134489  134491  134495  134497  134501  134503  134505  134506  134507  134509  134510  134511  134513  134515  134519  134521  134525  134527  134531  134537  134539  134545  134549  134551  134555  134561  134567  134569  134575  134579  134581  134587  134591  134597  134605  447348 

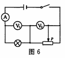
7.在图6所示的电路中,当开关闭合后,滑动变阻器滑片P向右移动时,对电表读数的变化,分析正确的是

   A.电流表A、电压表V1示数都减小,电压表V2示数增大

   B.电流表A、电压表V1示数都变大,电压表V2示数变小

   C.电流表A的示数减小,两电压表示数不变

   D.三个电表的示数都不变

试题详情

5.王伟老师经常引导学生利用身边的生活用品做实验,通过动手动脑,学习物理知识,揭示物理规律.下面的实验(图4)不是揭示流体压强与流速关系的实验是

   6.两个相同的容器分别装满了质量相同的甲、乙两种液体.用同一热源分别加热,液体温度与加热时间关系如图5所示.

   A.甲液体的比热容大于乙液体的比热容

   B.如果升高相同的温度,两液体吸收的热量相同

   C.加热相同的时间,甲液体吸收的热量大于乙液体吸收的热量

   D.加热相同的时间,甲液体温度升高的比乙液体温度升高的多

试题详情

4.过山车是一项非常惊险刺激的娱乐休闲活动.过山车时而从轨道的最低端上升到最高端,时而从最高端飞驰而下(图3).不计能量损失,下列说法正确的是

   A.a点机械能小于b点机械能

   B.d点动能最大,b点势能最大,c点机械能最大

   C.由a到b的过程中,动能减少,势能增大,机械能不变

D.由b到c的过程中,动能增大,势能减少,机械能变大

试题详情

3.如图2所示,通电螺线管周围小磁针静止时,小磁针N极指向正确的是

    A.a、b、c    B.a、b、d    C.a、c、d    D.b、c、d

试题详情

2.在日常生产和生活中,有时需要增大压强,有时需要减小压强,在图1所示的事例中,属于增大压强的是

试题详情

1.吉它是年轻人喜爱的一种乐器.在演奏前,需要调整琴弦的松紧程度,这样做的目的是调节琴弦发声时的

    A.振幅    B.响度    C.音调    D.音色

试题详情

30.(9分)控制变量法是解决复杂问题的一种有效方法,在我们的生活、学习和工作中有广泛的应用.

   (1)下面四个研究实例中,采取控制变量法的是  ▲  (填写选项前的字母).

    A.用水流的形成类比电流的形成 

    B.研究磁场时,用磁感线描述空间磁场的分布情况

    C.研究滑动摩擦力与压力大小关系时,保持接触面的粗糙程度不变

    D.利用光线来研究光的直线传播现象

   (2)在探究影响浮力大小因素的活动中,同学们提出了下列三种猜想:

    猜想1:浮力的大小与物体浸入液体中的体积有关.

    猜想2:浮力的大小与液体的密度有关.

    猜想3:浮力的大小与物体的重力大小有关.

    同学们通过实验探究,验证了猜想1和猜想2是正确的.

    对于猜想3,甲乙两同学分别进行了如下的实验探究.

    ①甲同学的实验探究如下:

     实验:利用弹簧测力计、水和盐水,测算出同一铁块浸没在盐水中受到的浮力大小和浸没在水中受到的浮力大小不相等.

     分析:由于铁块的重力大小不变,而铁块所受的浮力大小不等,所以铁块受到的浮力大小与铁块的重力大小无关.

     结论:猜想3是错误的.

    ②乙同学的实验探究如下:

     实验:利用弹簧测力计和水,测算出体积相同的铁块和铝块浸没在水中受到的浮力大小相等.

     分析:由于铁块、铝块的重力大小不等,而它们受到的浮力大小相等,所以浮力大小与重力大小无关.

     结论:猜想3是错误的.

对甲乙两同学的实验,你认为  ▲  (甲同学/乙同学)的实验方法是不正确的,请具体指出他的错误是:  ▲  ,根据他的实验和他的分析思路还可得出;  ▲  的结论,这个结论是  ▲  (正确/错误)的.

试题详情

29.(7分)小明为了探究通过导体的电流与加在导体两端电压的关系,设计并连接了图甲所示的电路进行实验.实验中电压表的量程选用0-3V、电流表的量程选用0-0.6A、导体的电阻R阻值不变.

(1)当小明闭合开关时发现:电流表有示数,但电压表无示数.请你帮助小明检查电路,只要改动一根导线,就能使电压表显示加在导体两端的电压值.请你在图甲中和将应改动的导线上打“×”,并用笔画线代替导线画出正确的接法.

(2)修正上述错误后小明又发现:无论滑动变阻器的滑片怎样滑动,都不能改变电流表、电压表的示数.请你帮助小明再次检查电路,只要改动另一根导线,当滑动变阻器的滑片移动时,即可改变两电表的示数.请你在图甲中将应改动的另一根导线上打“×”,并用笔画线代替导线画出正确的接法.

(3)修正上述两个错误后,小明按正确的电路进行测量,用两电表测出的数据,描绘出如图乙所示的图像,但不完整,请你在图乙上将小明遗漏的部分补上.

   (4)根据图像可知:通过导体的电流与加在导体两端的电压成  ▲  关系.

试题详情

28.(6分)给你一张密度表和一个可沉于水中的小铁球,请你再自选其他器材,设计一个实验来判断该小铁球是实心的还是空心的?简述你的实验方案. 

   (1)主要器材:       ▲       

   (2)简要做法:        ▲       

   (3)如何判断:        ▲       

试题详情

27.(6分)上海世博会的主题是“城市,让生活更美好”.为了倡导低碳生活,太阳能热水器被广泛应用于现代生活.

   下表提供的是一装满水的太阳能热水器在太阳照射下的相关信息:

太阳照射时间/h
太阳能转换为水的内能的效率
热水器最大水容量/L
10
50%
100
水升高的温度/℃
水的比热容/[J·(kg·℃)1]
水的密度/(kg·m3)
60
4.2×103
1.0×103

注:1L=103m3

   请根据上表信息,通过计算回答问题.

   (1)热水器中水的质量为  ▲  kg;

   (2)热水器中的水需吸收的热量为  ▲  J;

   (3)热水器平均1h所接收的太阳能约为  ▲  J.

试题详情


同步练习册答案