题目列表(包括答案和解析)

 0  172419  172427  172433  172437  172443  172445  172449  172455  172457  172463  172469  172473  172475  172479  172485  172487  172493  172497  172499  172503  172505  172509  172511  172513  172514  172515  172517  172518  172519  172521  172523  172527  172529  172533  172535  172539  172545  172547  172553  172557  172559  172563  172569  172575  172577  172583  172587  172589  172595  172599  172605  172613  447348 

9.如图所示,竖直平面内有一金属环,半径为a,总电阻为R(指拉

直时两端的电阻),磁感应强度为B的匀强磁场垂直穿过环平面,

在环的最高点A用铰链连接长度为2a、电阻为的导体棒AB

AB由水平位置紧贴环面摆下,当摆到竖直位置时,B点的线速

度为v,则这时AB两端的电压大小为

A.     B.       C.      D.Bav

试题详情

8.如图所示,等腰三角形内分布有垂直于纸面向外的匀强磁场,它的底边在x轴上且长为2L,高为L.纸面内一边长为L的正方形导线框沿x轴正方向做匀速直线运动穿过匀强磁场区域,在t=0时刻恰好位于图中所示的位置.以顺时针方向为导线框中电流的正方向,在下面四幅图中能够k_s_5_u正确表示电流--位移(I-x)关系的是

试题详情

7.如图所示,虚线表示等势面,相邻两等势面间的电势差相等,有一带

正电的小球在电场中运动,实线表示该小球的运动轨迹.小 球在a

点的动能等于20 eV,运动到b点时的动能等于2 eV.若取c点为电势

零点,则当这个带电小球的电势能等于-6 eV时(不计重力和空气阻

力),它的动能等于

A.16 eV       B.14ev     C.6 eV         D.4 eV

试题详情

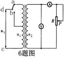
6.如图所示,理想变压器原、副线圈的匝数比为,b是原线圈的中心抽头,电压表

和电流表均为理想电表,从某时刻开始在原线圈c、d两端加

上交变电压,其瞬时值表达式为,则

A.当单刀双掷开关与a连接时,电压表的示数为22V;

B.当时,c、d间的电压瞬时值为110V;

C.单刀双掷开关与a连接,在滑动变阻器P触头向上移动的过程中,电压表和电流表的示数均变小;

D.当单刀双掷开关由a扳向b时,电压表和电流表的示数均变小;

试题详情

5.如图所示,质量相等的物体A和物体B与地面的动摩擦因数相

等,在力F的作用下,一起沿水平地面向右移动x,则

A.摩擦力对AB做功相等

B.AB动能的增量相同

C.FA做的功与FB做的功相等

D.合外力对A做的功与合外力对B做的功相等

试题详情

4.在匀强电场中,有一质量为m、带电荷量为q的带电小球静止在O点,

然后从O点自由释放,其运动轨迹为一直线,直线与竖直方向的夹角

θ,如图所示,那么关于匀强电场的场强大小,下列说法中正确的是          

A.唯一值是        B.最大值是

C.最小值是        D.不可能是

试题详情

3.在光滑水平面上有一静止的物体.现以水平恒力推这一物体,作用一段时间后,换成相反方向的水平恒力推这一物体.当恒力作用时间与恒力作用时间相同时,物体恰好回到原处.在前一段时间内,恒力对物体做功的平均功率为;在后一段时间内,恒力对物体做功的平均功率为.则的关系是:

A.    B.    C.    D.

试题详情

2.如图所示为某质点做直线运动的v-t图象,关于这个质点在4s内的运动情况,下列说法中k_s_5_u正确的是

A.质点始终向同一方向运动

B.4s末物体离出发点最远

C.加速度大小不变,方向与初速度方向相同

D.4s内通过的路程为4m,而位移为零

试题详情

1.火星探测项目是我国继“神舟载人”、“嫦娥探月”工程之后的又一个太空探索项目.假设火星探测器在火星表面附近圆形轨道运行周期为T1,神州飞船在地球表面附近圆形轨道运行周期为T2,火星质量与地球质量之比为p,火星半径与地球半径之比为q,则T1、T2之比为

A.     B.     C.     D.   

试题详情

33.(14分)如图所示,固定于同一条竖直线上的A、B是两个带等量异种电荷的点电荷,电荷量分别为+Q和-QA、B相距为2dMN是竖直放置的光滑绝缘细杆,另有一个穿过细杆的带电小球p,其质量为m、电荷量为+q(可视为点电荷,不影响电场的分布.),现将小球p从与点电荷A等高的C处由静止开始释放,小球p向下运动到距C点距离为dO点时,速度为v,已知MNAB之间的距离为d,静电力常量为k,重力加速度为g.求:

(1)C、O间的电势差UCO

(2)小球pO点时的加速度;

(3)小球p经过与点电荷B等高的D点时的速度.

长宁2010学年度第一学期高三质量抽测物理试卷

试题详情


同步练习册答案