题目列表(包括答案和解析)

 0  172408  172416  172422  172426  172432  172434  172438  172444  172446  172452  172458  172462  172464  172468  172474  172476  172482  172486  172488  172492  172494  172498  172500  172502  172503  172504  172506  172507  172508  172510  172512  172516  172518  172522  172524  172528  172534  172536  172542  172546  172548  172552  172558  172564  172566  172572  172576  172578  172584  172588  172594  172602  447348 

11.如图,连接两个定值电阻的平行金属导轨与水平面成θ角,R1 = R2 = 2R,匀强磁场垂直穿过导轨平面。有一导体棒ab质量为m,棒的电阻也为2R,棒与导轨之间的动摩擦因数为μ。导体棒ab沿导轨向上滑动,当上滑的速度为v时,定值电阻R2消耗的电功率为P,下列正确的是                                  (   )

    A.此时重力的功率为mg v cosθ

    B.此装置消耗的机械功率为 μ mg v cosθ

    C.导体棒受到的安培力的大小为6 P / v

    D.导体棒受到的安培力的大小为8 P / v

[答案]C;

[解析]根据功率计算公式,则此时重力的功率为mg v sinθ,即选项A不正确;由于摩擦力 f=μmgcosθ,故因摩擦而消耗的热功率为 μmgvcosθ,由法拉第电磁感应定律得 E=BLv,回路总电流 I=E/3R,导体棒滑动中受到安培力 F=BIL,故整个装置消耗的机械功率为(F+μmgcosθ)v,即选项B不正确.

由于R1 = R2 = 2R,棒的电阻也为2R,当上滑的速度为v时,定值电阻R2消耗的电功率为P,则定值电阻R1消耗的电功率也为P,根据电路的基本特点,此时导体棒ab消耗的电功率应该为4P,故整个电路消耗的电功率为6P,同时克服安培力做功转化为电功率,所以导体棒受到的安培力的大小为F=6P / v ,即选项C正确,而D错误.

[考点]电磁感应.

试题详情

10.如图,一个质量为m、带电量为+q的圆环,可在水平放置的足够长的粗糙细杆上滑动,细杆处于磁感应强度为B的匀强磁场中。现给圆环一个水平向右的初速度v0,在以后的运动中下列说法正确的是           (   )

    A.圆环可能做匀减速运动           

    B.圆环不可能做匀速直线运动

    C.圆环克服摩擦力所做的功一定为

    D.圆环克服摩擦力所做的功可能为

[答案]D;

[解析]带电圆环向右滑动过程中,受到向上的洛伦兹力,当该力和重力不相等时,杆对圆环出现弹力,即受摩擦力作用,因而做减速直线运动,则洛伦兹力减小,故圆环运动的加速度要变化,即选项A不正确;当该力和重力相等时,杆对圆环的弹力为0,即不受摩擦力作用,因而做匀速直线运动,即选项B不正确;

也正是由于这个可能的情况,所以说圆环克服摩擦力所做的功一定为 是错误的,即选项C也不正确.同样是这个原因,圆环做匀速直线运动的速度满足,即,根据动能定理则有,所以圆环克服摩擦力所做的功可能为.

[考点]磁场.

试题详情

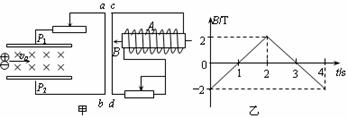
9.等离子气流由左方连续以v0射入PlP2两板间的匀强磁场中,ab直导线与PlP2相连接,线圈A与直导线cd连接.线圈A 内有随图乙所示的变化磁场.且磁场B 的正方向规定为向左,如图甲所示,则下列说法正确的是                    (   )

    A.0-ls内abcd导线互相排斥

    B.1-2s内abcd导线互相排斥

    C.2-3s内abcd导线互相排斥

    D.3-4s内abcd导线互相排斥

[答案]CD;

[解析]等离子气流由左方连续以v0射入PlP2两板间的匀强磁场中时,由于洛伦兹力作用正离子向上偏转,负离子向下偏转,使得直导线ab中产生了向下的电流.在0-ls内线圈A 内有向右的磁场且正在减小,根据楞次定律故线圈中产生了感应电流的磁场向右,由安培定则,cd导线中产生了向下的电流,从而导致abcd导线互相吸引;同理可以判断1-2s内abcd导线互相吸引,2-3s内abcd导线互相排斥,3-4s内abcd导线互相排斥.

[考点]磁场.

试题详情

8.如图所示,a、b间接入电压u=311sin314t(V)的正弦交流电,变压器右侧部分为一火警报警系统原理图,其中R2为用半导体热敏材料制成的传感器,所有电表均为理想电表,电流表A2为值班室的显示器,显示通过R1的电流,电压表V2显示加在报警器上的电压(报警器未画出),R3为一定值电阻。当传感器R2所在处出现火情时,以下说法中正确的是                                                           (   )

    A.A1的示数增大,A2的示数增大      B.V1的示数不变,V2的示数减少

    C.V1的示数减小,V2的示数减小      D.A1的示数增大,A2的示数减小

[答案]BD;

[解析]当传感器R2所在处出现火情时,R2阻值减小,使得次级线圈电流增大,依据变压器的电流特点,变压器初级电流也增大,即A1的示数增大;此时定值电阻R3上的压降增大,根据串联电路的电压关系,则电压表V2的示数减小,故A2的示数减小;而变压器初级电压与负载情况无关,故电压表V 1的示数不变.

[考点]交变电流.

试题详情

7.在如图所示的部分电路中,当滑动变阻器的滑键从最左端向右滑过2R/3时,电压表的读数由U0增大到2U0,若电源内阻不计,则下列说法中正确的是        (   )

    A.通过变阻器R的电流增大为原来的3倍,

    B.变阻器两端的电压减小为原来的2/3倍,

    C.若R的阻值减小到零,则电压表的示数为4U0

    D.以上说法都不正确

[答案]B C;

[解析]滑动变阻器的滑键从最左端向右滑过2R/3时,变阻器连入电路的电阻是原来的1/3,电压表的读数由U0增大到2U0,根据欧姆定律,则通过电压表的电流增大为原来的2倍,亦即通过变阻器R的电流增大为原来的2倍,故变阻器两端的电压减小为原来的2/3倍,故选项A错误,B正确.

  当滑动变阻器的滑键在最左端时,电压表的读数为U0,则有,当滑动变阻器向右滑过2R/3时,电压表的读数增大到2U0,则有,由以上二式得到,故有.因此,若R的阻值减小到零,则电压表的示数即为电源电动势,即为4U0,故选项C正确.

[考点]电路.

试题详情

6.“空间站”是科学家进行天文探测和科学试验的特殊而又重要的场所。假设“空间站”正在地球赤道平面内的圆周轨道上运行,其离地球表面的高度为同步卫星离地球表面高度的十分之一,且运行方向与地球自转方向一致。下列说法正确的有                                                       (   )

    A.“空间站”运行的加速度等于其所在高度处的重力加速度

    B.“空间站”运行的速度等于同步卫星运行速度的

    C.站在地球赤道上的人观察到它向东运动

    D.在“空间站”工作的宇航员因受到平衡力而在舱中悬浮或静止

[答案]AC;

[解析]物体之间的万有引力即是物体的重力,即有,且天体运行的加速度满足故“空间站”运行的加速度等于其所在高度处的重力加速度,选项A正确;天体运动过程中遵循,即,其中R是天体的运动半径,该“空间站”离地球表面的高度为同步卫星离地球表面高度的十分之一,显然“空间站”的运动半径为同步卫星的运动半径没有十分之一的关系,即选项B错误;由于“空间站”运行的速度大于同步卫星运行的速度,而同步卫星相对地球静止,则站在地球赤道上的人将观察到“空间站”向东运动,选项C正确;在“空间站”工作的宇航员因仅受到万有引力作用而在舱中悬浮或静止,并不存在平衡力,即即选项D错误.

[考点]万有引力.

试题详情

5.一斜面被两个小桩A和B固定在光滑的水平地面上,在斜面上放一物体,如图所示,以下判断正确的是                           (   )

    A.若物体静止在斜面上,则B受到斜面的挤压

    B.若物体匀速下滑,则B受到斜面的挤压

    C.若物体加速下滑,则A受到斜面的挤压

    D.若物体减速下滑,则A受到斜面的挤压

[答案]D;                  

[解析]物体静止在斜面上,对整体而言仅受到重力和地面的弹力作用,则水平方向没有其它力存在,即选项A错误;若物体匀速下滑,则整体仍然处于平衡状态,水平方向同样没有其它力存在,即选项B错误;若物体加速下滑,则整体受到向左的力作用,这个力应该通过B对斜面的挤压产生,选项C错误;若物体减速下滑,其加速度沿斜面向上,即整体受到向右的力作用,故A受到斜面的挤压.

[考点]相互作用.

试题详情

4.如图,一质量为m的质点在半径为R的半球形容器中(容器固定),由静止开始自边缘上的一点滑下,到达最低点B时,它对容器的正压力为N。重力加速度为g,则质点自A滑到B的过程中,摩擦力对其所做的功为     (   )

    A.                B.

    C.                   D.

[答案]A;

[解析]质点到达最低点B时,它对容器的正压力为N,根据牛顿定律则有,根据动能定理,质点自A滑到B的过程中有,故摩擦力对其所做的功.

[考点]牛顿定律、机械能.

试题详情

3.如图,两个固定的倾角相同的滑杆上分别套A、B两个圆环,两个圆环上分别用细线悬吊着两个物体C、D,当它们都沿滑杆向下滑动时,A的悬线始终与杆垂直,B的悬线始终竖直向下。则下列说法中正确的是        (   )

    A.A环与滑杆无摩擦力   

    B.B环与滑杆无摩擦力

    C.A环做的是匀速运动   

    D.B环做的是匀加速运动

[答案]A;

[解析]B的悬线始终竖直向下,则物体D只能是受到平衡力作用,即与之相连的B环必定做的是匀速运动,则选项D错误;同时B环运动中受到了重力、弹力作用,而仅这两个力是不可能使B环做匀速运动的,即B环与滑杆间一定存在摩擦力,选项B错误.

  对A环而言,必定受到重力、弹力作用,但是从物体C的状态不难判断它处于匀加速运动,即选项C错误,且根据牛顿第二定律容易得到其加速度,故A环的加速度也应该是,故A环与滑杆无摩擦力.本题答案只能选择A.

[考点]牛顿定律.

试题详情

2.物体A、B的s-t图像如图所示,由图可知                             (   )

    A.从第3s起,两物体运动方向相同,且vA>vB

    B.两物体由同一位置开始运动,但物体A比B迟3s才开始运动

    C.在5s内物体的位移相同,5s末A、B相遇

    D.5s内A、B的平均速度相等

[答案]A;

[解析]在s-t图像中,物体的运动方向是通过位移的大小变化.

来体现的,而速度大小是通过斜率来表示的,故从第3s起,两物体运动方向相同,且vA>vB;从图像上看物体A比B迟3s才开始运动,但是两物体并不是由同一位置开始运动;5s末A、B相遇,但是在5s内物体的位移A比B要大;由于位移不同,则5s内A、B的平均速度也不相等.

[考点]直线运动.

试题详情


同步练习册答案