0  124650  124658  124664  124668  124674  124676  124680  124686  124688  124694  124700  124704  124706  124710  124716  124718  124724  124728  124730  124734  124736  124740  124742  124744  124745  124746  124748  124749  124750  124752  124754  124758  124760  124764  124766  124770  124776  124778  124784  124788  124790  124794  124800  124806  124808  124814  124818  124820  124826  124830  124836  124844  447090 

12.为了了解温度的变化情况,小王同学设计了图所示的电路。图中电源电压保持不变,R是定值电阻,Rt是热敏电阻,其阻值随温度的降低而增大,在该电路中,可以通过电流表或电压表示数的变化来判断温度的变化情况。小王在连接好电路且闭合开关后做了以下的实验,往Rt上擦一些酒精,然后观察电表示数的变化情况。他观察到的现象是(   )

A.A表示数变大,V表示数变小

B.A表示数变小,V表示数变大

C.A表和V表示数均变小

D.A表和V表示数均变大

试题详情

11.如图所示,闭合开关S时,灯泡L1、L2都不亮。用一段导线的两端接触a、b两点时,两灯都不亮;接触b、c两点时,两灯都不亮;接触c、d两点时,两灯都亮。则(   )

A.灯L2断路       B.灯L1断路    C.开关S断路      D.灯L2短路

试题详情

10.有两个定值电阻R1、R2,它们电流随电压变化图象如图所示如果串联后总电阻为R,并联后总电阻为R,下列说法正确是(   )

A.R  在II区域,R在III区域

B.R  在I区域,R在III区域

C.R  在I区域,R在II区域

D.R  在III区域,R在I区域

试题详情

9.如图所示,当甲电路中的开关S闭合时,两个电压表的指针位置均为如图乙所示,则电阻R1和R2两端的电压分别为(    )

A.1.2V,6V       B.6V,1.2V        C.4.8V,1.2V      D.1.2V,4.8V

试题详情

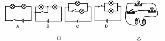
8.图甲中的四个电路与图乙实物图对应的是 (   )

试题详情

7.如图所示,AB和BC是由同种材料制成的长度相同、横截面积不同的两段导体,将它们串联后连入电路中.比较通过这两段导体的电流的大小,有(   )

A. IAB<IBC        B. IAB=IBC               C. IAB>IBC          D.无法判断

试题详情

6.在日常生活中,人们常说"开灯"、"关灯",其物理含义是:(   ) 

A.开灯是指闭合开关,关灯是指断开开关   B. 开灯和关灯都是指断开开关

C.开灯是指断开开关,关灯是指闭合开关   D.开灯和关灯都是指闭合开关

试题详情

5.一桶汽油用去一半后,剩下的汽油(   )

A.比热容、密度不变,热值减半         B.比热容、密度、热值均不变

C.比热容、密度、热值均减半         D.比热容减半,密度、热值不变

试题详情

4.炎热的盛夏,站在水中感觉凉爽,而赤脚走在沙土上却感到烫脚.这主要是因为水和沙具有不同的(   )

A.热量          B.内能         C.比热容      D.密度

试题详情

3.夏天从冰箱中取出的鸡蛋,常看到先湿后干,此现象反映的物态变化过程是(   )

A.先升华后蒸发               B.先液化后蒸发

C.先凝华后升华               D.先液化后升华

试题详情


同步练习册答案