0  125324  125332  125338  125342  125348  125350  125354  125360  125362  125368  125374  125378  125380  125384  125390  125392  125398  125402  125404  125408  125410  125414  125416  125418  125419  125420  125422  125423  125424  125426  125428  125432  125434  125438  125440  125444  125450  125452  125458  125462  125464  125468  125474  125480  125482  125488  125492  125494  125500  125504  125510  125518  447090 

8.(2分)如图所示,是排球二传手托球时的示意图,请作出小球在空中运动时,所受到的重力的示意图。

试题详情

7.质量为45 kg的某同学,利用课余时间参加了学校举行的跳绳比赛,她在1 min的时间内跳了l20次.每次跳起的高度为4 cm,该同学每跳起一次做的功为___________J,跳绳的功率为________W。(g=10 N/kg)

试题详情

6.如图所示,是将“+”“-”极看不清了的蓄电池、开关、滑动变阻器和螺线管用导线连接起来的示意图。当开关闭合后,小磁针静止在螺线管的两端,那么,该实验说明通电螺线管的a端为_______极,在它的周围存在____________。

试题详情

5.2009年3月1日,“嫦娥一号”成功撞上月球,华夏儿女的下一个目标就是登上月球。假设你有幸登上月球乘坐月球车观光,如图所示,你眼睛观察到月球上的景物在视网膜上所成的像是_________的(填“放大”“缩小”或“等大”);同时,由于月球表面的土壤比地球上的松软,使得在月球上行走远比地球上容易打滑,月球车的车轮表面应做得_________ (填“光滑”或“粗糙”)。  

试题详情

4.现有一枚奥运会纪念币,它的质量为16.02 g,体积为1.8 cm3,则制成这枚纪念币的金属的密度为_________kg/m3,这种金属是_________。(19.3×103 kg/m310.5×103 kg)

试题详情

3.如图所示,是在水平地面上铺一张方格纸,当质量为56 kg的同学在上面走过时,左脚在方格纸上留下的鞋底贴地部分的轮廓缩小示意图。如果每一个方格的实际而积为5×10m2,超过半格的算一格,不足半格的忽略不计,此时,该同学对方格纸的压力为________N,压强为__________Pa。(g=10 N/kg)

试题详情

2.在1909年,英国的物理学家__________成功地进行了粒子散射实验,提出了原子核式结构模型;在20世纪杰出的物理学家________明确指出,当物体的运动速度接近光速时,人们所熟悉的空间和时间等概念都会发生变化,他与玻尔等人的伟大贡献,使得物理学跨出了具有划时代意义的一大步。

试题详情

1.在物理学中,把毛皮摩擦过的橡胶棒上所带的电规定为_______电荷(填“正”或“负”);把_______(填“正”或“负”)电荷定向移动的方向规定为电流的方向。

试题详情

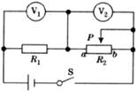
12.在如图所示电路中,两个电压表均为理想电表。闭合开关S,当滑动变阻器R2的滑动触头P移动时,对于两个电压表V1与V2的示数U1和U2,电压表V1与V2的示数的变化量△U1和△U2(均取绝对值),下列说法中正确的是   (    )

A.当P向移动时,U1增大,U2减小

B.当P向移动时,U1增大,U2减小

C.当P向移动时,△U1小于△U2

D.当P向移动时,△U1大于△U2

物  理(共64分)

试题详情

11.2009年2月11日,美国商用通信卫星“铱一33”与俄罗斯废弃的军用卫星“宇宙一2251”在太空轨道上相撞,这是人类航天史上首次发生的在轨卫星相撞事件。减少太空垃圾的产生,防止航天器被撞的有效措施有:将完成任务的火箭收回大气层并烧毁;将达到预定使用寿命的卫星转移到远离地球的“无用轨道”上等。以下说法中正确的是   (   )

     A.“铱一33”卫星与“宇宙一2251”卫星相撞时,两卫星是相对静止的

   B.由于力的作用是相互的,使完成任务的火箭返回大气层,则应向运动的相反方向喷气 

     C.达到预定使用寿命的卫星转移到远离地球的“无用轨道”时,其质量变为零

     D.两颗卫星相撞前、后的运行情况,可以通过“超声”来探测

试题详情


同步练习册答案