0  125317  125325  125331  125335  125341  125343  125347  125353  125355  125361  125367  125371  125373  125377  125383  125385  125391  125395  125397  125401  125403  125407  125409  125411  125412  125413  125415  125416  125417  125419  125421  125425  125427  125431  125433  125437  125443  125445  125451  125455  125457  125461  125467  125473  125475  125481  125485  125487  125493  125497  125503  125511  447090 

1.最早发现电流周围存在磁场的科学家是   (   )

     A.法拉第          B.伽利略           C.奥斯特          D.安培

试题详情

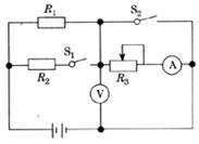
26.如图所示,电源电压恒定不变,R1=9,R2=18,滑动变阻器R3的最大阻值为50,电流表量程为0-0.6 A,电压表量程为0-15 V。求:

     (1)闭合开关S1、S2时电路的总电阻是多少;

   (2)已知断开S1、闭合S2后,10 s内电流通过R1,产生的热量为360 J,试计算电源电压的大小;

    (3)断开S1、S2,要使电路安全工作,变阻器R3的取值范围多大?

试题详情

25.新型抗压潜水服由能承受外界深水压力的坚硬金属壳体构成。一名身穿此潜水服的总重力为7 000 N的潜水员潜入600 m深的海底完成打捞任务,他排开海水的体积是0.66 m3,已知g取10 N/kg,海水密度近似取1.0×103 kg/m3。求:

     (1)该潜水员潜入水中后,受到的浮力; 

    (2)该潜水员在海底进行打捞任务时,潜水员所在处的压强(不考虑大气压强的影响);

     (3)潜水员在完成任务需返回水面时,水面上的人至少给他多大的拉力?

试题详情

24.图甲是小明做测定小灯泡电功率实验的电路,其中小灯泡额定电压为2.5 V,正常发光时灯丝的电阻估计在5-10之间。 

     (1)小明连接电路后,对其认真检查,发现少连了一根导线,请在图甲中补画这根导线,使电路连接完整。

     (2)闭合开关前,滑动变阻器的滑片应置于______端(填“A”或“B”)。

     (3)调节滑动变阻器,使电压表的示数为_______V时,灯泡正常发光,此时电流表的示数如图乙所示,则小灯泡的额定功率为________W。

试题详情

23.小明同学用一只弹簧测力计、一个金属块、两个相同的烧杯(分别装有一定量的水和煤油),对浸在液体中的物体所受的浮力进行了探究。如图表示探究的过程及有关的实验数据。

数据记录如下表所示

实验装置
A
B
C
D
E
烧杯内装入的液体




煤油
弹簧测力计示数/N
10
9
8
7
7.6
烧杯内液面处刻度/mL
500
600
700
800
800

     (1)分析图B、C、D,说明浮力大小跟_________有关; 

     (2)分析图_________(填字母代号),说明浮力大小跟液体密度有关;

     (3)该物体完全浸没在煤油中所受的浮力是________N。

试题详情

22.如图所示,在试管内装些水,用软木塞塞住,加热使水沸腾,水蒸气会把软木塞冲出。在水蒸气把软木塞冲出的过程中,是_________能转化为_________能,此时试管口处出现“白气”,它是水蒸气________形成的。

试题详情

21.如图所示,两平面镜相互垂直,一束光线斜射到平面镜上,请完成光路图并标出反射光线与平面镜问的夹角(可以不画出法线)。

试题详情

20.如图所示是用羊角锤拔钉子的示意图,请在图中画出力F的力臂并用字母L 表示.

试题详情

19.若用太阳能热水器给50 kg的水加热,已知该热水器每秒接受的太阳辐射热为1.0×103 J,且水箱内的水能吸收太阳辐射热的30%,那么经过2.1 h后,箱内水温升高________℃,相当于_________kg的木炭完全燃烧且也只有燃烧热的30%被水吸收使水箱里的水升高同样的温度。[已知水的比热容为4.2×103J/(kg·℃),木炭的热值为3.6×107 J/kg]

试题详情

18.如图所示为某单相电度表的面板示意图,其工作的额定电压为_________V。现断开其他用电器的开关,只保留一只白炽灯正常工作,测得该电度表转盘在12min内转过60圈,则该白炽灯的功率为__________W。

试题详情


同步练习册答案