0  173573  173581  173587  173591  173597  173599  173603  173609  173611  173617  173623  173627  173629  173633  173639  173641  173647  173651  173653  173657  173659  173663  173665  173667  173668  173669  173671  173672  173673  173675  173677  173681  173683  173687  173689  173693  173699  173701  173707  173711  173713  173717  173723  173729  173731  173737  173741  173743  173749  173753  173759  173767  447090 

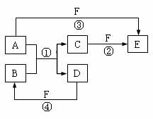
20.(10分)A、B、C、D、E、F六种物质的相互转化关系如下图所示(反应条件未标出),其中反应①是置换反应。

(1)若A是常见的金属单质,D、F是气态单质,反应①在水溶液中进行,则反应②(在水溶液中进行)的离子方程式是_________________________;已知1g D与F反应生成B时放出92.3 kJ热量,写出该反应的热化学方程式_____________       __。

(2)若B、C、F都是气态单质,且B有毒,③和④两个反应中都有水生成,反应②需要放电才能发生, A、D相遇有白烟生成, 则C的电子式是________________,反应③的化学方程式是___________________          _____________________。

(3)若A、D为短周期元素单质,且所含元素的原子序数A是D的2倍,所含元素的原子核外最外层电子数D是A的2倍,③和④两个反应中都有红棕色气体生成,则反应④的化学方程式是_______________________________          __________。

试题详情

19.(12分)某学校研究性学习小组设计实验探究铝等金属的性质:将一置于空气中的铝片投

入浓氯化铜溶液中,铝片表面出现一层海绵状暗红色物质,接下来铝片上产生大量气泡,

产生的气体,具有可燃性,溶液温度迅速上升。若用同样的铝片投入同浓度的硫酸铜溶液

中,在短时间内铝片无明显变化。

(1)铝与氯化铜溶液能迅速反应,而与同浓度的硫酸铜溶液在短时间内不反应的原因

可能是___________。(填序号)

A.铝与Cl-反应,铝与SO42-不反应

B.氯化铜溶液酸性比同浓度的硫酸铜溶液酸性强

C.硫酸铜水解生成硫酸使铝钝化

D.氯离子能破坏氧化铝表面薄膜,而硫酸根离子不能    

E.生成氯化铝溶于水,而生成硫酸铝不溶于水

(2)铝片表面出现的暗红色物质是            

(3)放出的气体是________,请从有关物质的浓度、能量、是否有电化学作用等分析开

始阶段产生气体的速率不断加快的原因是                       

                                       

(4)某同学通过其它的实验操作,也能使铝片与硫酸铜溶液反应加快,他采取的措施可能是_____________________。

A.用砂纸擦去铝片表面的氧化膜后投入硫酸铜溶液中

B.把铝片投入热氢氧化钠溶液中一段时间后,取出洗涤,再投入硫酸铜溶液中

C.向硫酸铜溶液中滴加氢氧化钠溶液,再投入铝片

D.向硫酸铜溶液中加入氯化钠固体,再投入铝片

(5)除去氧化铝的铝片与镁片为电极,在X电解质溶液中构成原电池,列表如下:

选项
铝电极
电解质
负极反应
正极反应
A
负极
NaOH
2Al-6e-+8OH-=2AlO2-+4H2O
6H2O+6e-=6OH-+3H2
B
负极
稀盐酸
2Al-6e-=2Al3+
6H++6e-=3H2
C
正极
浓硝酸
Mg+2e-=Mg2+
2NO3-+4H+-4e-=2NO2↑+2H2O

其中正确的是__      __(填序号),由此推知,金属作电极不仅与本身性质相关,而且与__           __有关。

试题详情

5.0×10-5mol电子,该反应的化学方程式为                     

(3)某同学将足量的YX2通入一支装有氯化钡溶液的试管,未见沉淀生成,再向该试

管中加入过量的下列溶液也无沉淀生成的是           (填字母)。

A.氨水  B.稀盐酸   C.稀硝酸  D.氯化钙  E.双氧水   F.硝酸银

试题详情

18.(10分) X、Y和W为原子序数依次递增的短周期元素,X和Y同主族,Y和W的氢

化物具有相同的电子数。在中学范围内X的单质只有氧化性,且是空气的主要成份之一。

(1)写出实验室制取W2反应的离子方程式               

(2)某小组设计如图所示的装置,分别研究YX2和W2的性质。

①分别通入YX2和W2,在装置A中观察到的现象是否相同    (填“相同”或“不

相同”);若装置D中装的是铁粉,当通入足量W2时观察到的现象为         

                     ;若装置D中装的是五氧化二钒,当通入足

量YX2时,打开K通入适量X2,化学反应方程式为                

②若装置B中装有5.0mL 1.0×10-3mol/L的碘水,当通入足量W2完全反应后,转移了

试题详情

17.(10分)几种短周期元素的原子半径及其某些化合价见下表:

元素代号
A
B
D
E
G
H
I
J
常见化合价
-1
-2
+4、-4
+6、+4、-2
+5、-3
+3
+2
+1
原子半径/pm
64
66
77
104
110
143
160
186

分析上表中有关数据,并结合已学过的知识,回答以下问题,涉及上述元素的答案,请用元素符号表示。

(1)E元素在周期表中位于     周期,     族。

(2) A、H、J对应离子的半径由大到小的顺序是(填离子符号)_________________。

(3)A与J所形成的化合物的晶体类型是       

(4)DB2的结构式                 。

(5)过量的D的最高价氧化物与一定量的J的最高价氧化物对应水化物X的溶液发

生反应的离子方程式:                            

试题详情

16.(8分)氧化还原反应中实际上包含氧化和还原两个过程。下面是一个还原过程的反应式:

NO3+4H++3e →NO + 2H2O

KMnO4、Na2CO3、Cu2O、Fe2(SO4)3 四种物质中的一种物质(甲)能使上述还原过程发生。

(1)写出并配平该氧化还原反应的方程式:                   

(2)反应中硝酸体现了              性质。

(3)反应中若产生0.2mol气体,则转移电子的物质的量是       mol。

(4)若1mol甲与某浓度硝酸反应时,被还原硝酸的物质的量增加,原因是:     

____________________________________________________________________________。

试题详情

15.(12分)Ⅰ、下列实验操作或对实验事实的描述正确的是        (填序号)

①仅用蒸馏水可鉴别出蔗糖、硫酸铜、碳酸钙三种粉末;

②实验室配制氯化亚铁溶液时,将氯化亚铁先溶解在盐酸中,然后用蒸馏水稀释并加入少量铁粉;

③配制一定浓度的溶液时,俯视容量瓶的刻线,会使配制的浓度偏低;

④用瓷坩埚熔化各种钠的化合物;

 ⑤分液时,先从分液漏斗中倒出上层液体,后放出下层液体;

⑥测溶液大致的pH:用玻璃棒蘸取溶液滴在湿润的pH试纸上,与标准比色卡对照;

⑦ 向氨水中滴加Al2(SO4)3溶液和向Al2(SO4)3溶液中滴加氨水现象相同;

⑧分别向体积和pH均相同的盐酸和醋酸中滴加等浓度的氢氧化钠溶液,完全中和时消耗的氢氧化钠溶液的体积前者少,后者多。

Ⅱ、镁及其合金是一种用途很广的金属材料,目前世界上60%的镁是从海水中提取的。某学校课外兴趣小组从海水晒盐后的盐卤(主要含Na+、Mg2+、Cl、Br等)中模拟工业生产来提取镁,主要过程如下:

回答下列问题:

(1) 工业上从盐卤中获取Mg(OH)2用石灰乳而不用NaOH溶液的原因是        

   

(2) 从过程①得到的Mg(OH)2沉淀中混有少量的Ca(OH)2 ,除去少量Ca(OH)2的方法是先将沉淀加入到盛有       溶液的烧杯中,充分搅拌后经         (填操作方法)可得纯净的Mg(OH)2

(3)下图是该兴趣小组设计进行过程③的实验装置图:

其中装置A的作用是              

(4)写出过程④中发生反应的化学方程式                   

试题详情

14.把一块镁铝合金投入到1mol/L HCl溶液里,待合金完全溶解后,往溶液里加入1mol/L NaOH溶液,生成沉淀的物质的量随加入NaOH溶液体积变化的关系如下图A所示。下列说法中不正确的是

A.的取值范围为 0≤a<50

B.的最大值为2.5

C.若将关系图改为B图时,则的取值范围为80<a<90

D.若将关系图改为C图时,则的取值范围为75<a<90

第II卷(非选择题  共72分)

试题详情

13.氯气溶于水达到平衡后,若其他条件不变,只改变某一条件,下列叙述正确的是

A.再通入少量氯气,c(H+)/c(ClO)减小

B.通入少量SO2,溶液漂白性增强

C.加入少量固体NaOH,一定有c(Na+)=c(Cl)+c(ClO)

D.加入少量水,水的电离平衡向电离方向移动

试题详情

12.X、Y为短周期元素,X位于IA族,X与Y可形成化合物X2Y,下列说法正确的是

A.X的原子半径一定大于Y的原子半径

B.X与Y的简单离子不可能具有相同的电子层结构  

C.两元素形成的化合物中,原子个数比可能为1 : 1

D.X2Y可能是离子化合物,也可能是共价化合物

试题详情


同步练习册答案