0  246303  246311  246317  246321  246327  246329  246333  246339  246341  246347  246353  246357  246359  246363  246369  246371  246377  246381  246383  246387  246389  246393  246395  246397  246398  246399  246401  246402  246403  246405  246407  246411  246413  246417  246419  246423  246429  246431  246437  246441  246443  246447  246453  246459  246461  246467  246471  246473  246479  246483  246489  246497  447090 

19.如图所示的电路中,用电动势E=6V,内阻不计的电池组向电阻R0=20Ω,额定电压U0=4.5V的灯泡供电,求:在灯泡获得额定电压下的情况下

(1)要使系统的效率不低于,变阻器R的阻值及它应承受的最大电流是多大?

(2)系统的最大可能效率是多少?变阻器如何连接才能取得最大效率?

   

试题详情

18. 如图所示为检测某传感器的电路图.传感器上标有“3 V、0.9 W”的字样(传感

器可看做一个纯电阻),滑动变阻器R。上标有“10Ω、1 A”的字样,电流表的量程为0.6 A,电压表的量程为3 V.

(1) 根据传感器上的标注,计算该传感器的电阻和额定

电流.

(2)若电路各元件均完好,检测时,为了确保电

路各部分的安全,在a、b之间所加的电源电压最大

值是多少?

(3) 根据技术资料可知,如果传感器的电阻变化超过1Ω,则该传感器就失去了作用.实际检测时,将一个电压恒定的电源加在图中a、b之间(该电源电压小于上述所求电压的最大值),闭合开关S,通过调节R0。来改变电路中的电流和R0两端的电压.检测记录如下;

 
电压表示数U/V
电流表示数I/A
第一次
1.48
0.16
第二次
0.91
0.22

若不计检测电路对传感器电阻的影响,通过计算分析,你认为这个传感器是否仍可使用?此时a、b间所加的电压是多少?

试题详情

17.大气中存在可自由运动的带电粒子,其密度随距地面高度的增加而增大,可以把离地面50km以下的大气看作是具有一定程度漏电的均匀绝缘体(即电阻率较大的物质);离地面50km以上的大气则看作是带电粒子密度非常大的良导体。地球本身带负电,其周围空间存在电场,离地面L=50km处与地面之间的电势差约为U=3.0×105V。由于电场的作用,地球处于放电状态,但大气中频繁发生雷暴又对地球充电,从而保证了地球周围电场恒定不变。统计表明,雷暴每秒带给地球的平均电荷量为q=1800C。试估算大气电阻率ρ和地球漏电功率P。(已知地球半径r=6400km,结果保留一位有效数字)

试题详情

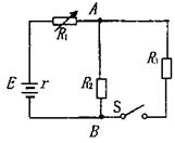
16.如图所示,电源的电动势E=110V,电阻R1=21Ω,电动机绕组的电阻R0=0.5Ω,电键S1始终闭合。当电键S2断开时,电阻R1的电功率是525W;当电键S2闭合时,电阻R1的电功率是336W,求

(1)电源的内电阻;

(2)当电键S2闭合时流过电源的电流和电动机的输出的功率。

试题详情

15.在如图所示的电路中,电源的电动势E=3.0V,内阻r=1.0Ω;电阻R1=10Ω,R2=10Ω,R3=30Ω;R4=35Ω;电容器的电容C=100μF,电容器原来不带电,求接通开关S后流过R4的总电量。

试题详情

14.在如图所示的电路中,所用电源电动势E=10V,内电阻r=1.0Ω,电阻R1可调。现将R1调到3.0Ω后固定。已知R2=16Ω,R3=Ω,求:

(1)开关S断开和接通时,通过R1的电流分别为多大?

(2)为了使A、B之间电路的电功率在开关S接通时能达到最大值,    应将R1的阻值调到多大?这时A、B间电路消耗的电功率将是多少?

试题详情

13.一热敏电阻阻值为温度变化的图象如图甲,请应用这一热敏电阻自行设计一控制电路,当温度高于某一值后红色指示灯亮,而温度低于这一值时绿色指示灯亮。

    给你的器材有:如图乙所示的继电器一只(ab为常闭触点,cd为常开触点)、

    热敏电阻一只、滑动变阻器一只、红绿指示灯各一个、两个独立的电池组、开关两

    个、导线若干,将所用器材连入图乙的继电器中构成电路图并且说明滑动变阻器的作用。

试题详情

12.甲、乙两个同学使用完全相同的器材用伏安法测量同一未知电阻Rx的阻值,给定器材为:待测电阻Rx;电流表mA(量程5mA,内阻约为10Ω);电压表V(量程3V,内阻约为3000Ω);最大阻值为1700Ω的滑动变阻器;电源E(电动势约3V);开关S、导线若干,甲、乙两个同学的测量数据处理结果分别如图甲、乙所示。

(1)由图甲得Rx=      ;由图 

乙得Rx=    

(2)在图丙、丁的线框中分别画出

甲、乙两位同学所用的测量电路,


 

 
并由测量结果判定   同学测量

结果较为准确。

试题详情

11.随着居民生活水平的提高,纯净水已经进入千家万户。某市对市场上出售的纯净水质量进行了抽测,结果发现竞有九成样品的细菌超标或电导率不合格(电导率是电阻率的倒数,是检验纯净水是否合格的一项重要指标)。

(1)不合格的纯净水的电导率一定是偏   _____(填大或小)。

(2)对纯净水样品进行检验所用的设备原理如图所示,将采集的水样装入绝缘性能良好的塑料圆柱形容器内,容器两端用金属圆片电极密封。请把检测电路连接好(要求测量尽可能准确,已知水的电导率远小于金属的电导率,所用滑动变阻器的阻值较小)。

试题详情

10.一辆电瓶车,质量为500kg,由内阻不计的蓄电池组向直流电动机提供24V的电压,当电瓶车在水平地面上以0.8m/s的速度匀速行驶时,通过电动机的电流为5A,设车所受的阻力是车重的0.02倍(g=10m/s2),则此电动机的内阻是  (  )

    A.4.8Ω         B.3.2Ω        C.1.6Ω        D.0.4Ω

试题详情


同步练习册答案