0  246441  246449  246455  246459  246465  246467  246471  246477  246479  246485  246491  246495  246497  246501  246507  246509  246515  246519  246521  246525  246527  246531  246533  246535  246536  246537  246539  246540  246541  246543  246545  246549  246551  246555  246557  246561  246567  246569  246575  246579  246581  246585  246591  246597  246599  246605  246609  246611  246617  246621  246627  246635  447090 

⒈共点力合成的常用方法:

①作图法:

②计算法:(1)相互垂直的两个力的合成:_______________________________________

(2)夹角为θ的大小相同的两个力的合成:_____________________________

      (3)夹角为120°的两等大的力的合成:________________________________

⒉合力范围的确定:

①两个共点力的合力:|F1-F2|≤F≤F1+F2

②三个共点力的合力:

(1)合力的最大值:F1+F2+F3 

(2)合力的最小值:任取两个力,求出其合力范围,若第三个力在这个范围内,则合力最小值为零。若第三个力不在这个范围内,则合力的最小值为最大的力减去另个两个较小的力的和的绝对值。

提醒:三个共点力合成时,其合力的最小值不一定等于两上较小的力的和减去第三个较大的力

试题详情

⒈概念:求一个力的_____________的过程。

⒉遵循的法则:__________________定则或_______________定则

⒊分解的方法:

①按力的作用效果分解:

②正交分解:

⒋分解唯一的条件:

①已知两个分力的方向,两分力的大小结果唯一

②已知一个分力的大小与方向,另一分力的大小和方向结果唯一

⒌力的分解有两解的情况:

①已知一个分力F1的方向和另一个分力F2的大小:

当F2=Fsinθ时,分解是唯一的。(最小值)

当Fsinθ<F2<F时,分解不唯一,有两解。

当F2>F时,分解是唯一的。

②已知两个不平行分力的大小:

分别以F的始端、末端为圆心,以F1、F2为半径作圆,  两圆有两个交点,所以F分解为F1、F2有两种情况。存在极值的几种情况。

已知合力F和一个分力F1的方向,另一个分力F2存在最小值。

已知合力F的方向和一个分力F1大小,另一个分力F2存在最小值。

[要点聚焦]

试题详情

⒈合力与分力:

①定义:如果一个力____________________跟几个力共同作用的效果相同,这一个力就叫那几个力的_________________,那几力就叫这个力的______________

②逻辑关系:合力与分力是一种_______________关系。

⒉共点力:作用在物体的___________________,或作用线的_________交于一点的力。

⒊力的合成:求几个力的_____________的过程。

⒋力的运算法则:

①平行四边形定则:求互成角度的两个共点力的合力,可以用表示这两个力的线段为邻边作_________,这两个邻边之间的对角线表示合力的______和______。

②三角形定则:把两个矢量_______________,从而求出合矢量的方法

⒌合力不一定大于分力

试题详情

⒈静摩擦力大小的计算:根据物体所受外力及所处的状态可分为两种情况:

①物体处于平衡状态(静止或匀速),利用力的平衡条件来判断其大小

②物体有加速度时,若只有摩擦力,则摩擦力等于合力,若除摩擦力外,还有其他力,先求合力再求摩擦力

⒉滑动摩擦力的计算:F=μFN

①μ为动摩擦因数,其大小与接触面的材料、表面的粗糙程度有关,FN为两接触面间的正压力,其大小不一定等于物体的重力

②滑动摩擦力的大小与物体的运动速度无关,与接触面的大小也无关

⒊最大静摩擦力并不是物体实际受到的力,物体实际受到的静摩擦力小于最大静摩擦力,最大静摩擦力与接触面间的压力成正比,一般情况下,为了处理问题的方便,最大静摩擦力可按近似等于滑动摩擦力处理

例⒈所示,固定在小车上的支架的斜杆与竖直杆的夹角为θ,在斜杆下端固定有质量为m的小球,下列关于杆对球的作用力F的判断中,正确的是----------------------------(     )

(A)小车静止时,F=mgsinθ,方向沿杆向上。

(B)小车静止时,F=mgcosθ,方向垂直杆向上。

(C)小车向右以加速度a运动时,一定有F=ma/sinθ.

(D)小车向左以加速度a运动时,,方向斜向左上方,与竖直方向的夹角为α=arctan(a/g).

  例⒉如图所示,小球B放在真空容器A内,球B的直径恰好等于正方体A的边长,将它们以初速度V0竖直向上抛出,下列说法中正确的是--------------------------------(  )

(A)若不计空气阻力,上升过程中,A对B有向上的支持力

(B)若考虑空气阻力,上升过程中,A对B的压力向下

(C)若考虑空气阻力,下落过程中,B对A的压力向上

(D)若不计空气阻力,下落过程中,B对A没有压力

 例⒊如图所示是主动轮P通过皮带带动从动轮Q的示意图,A与B、C与D分别是皮带上与轮缘上相互接触的点,皮带不打滑,则以下判断正确的是-------------------------(     )

(A)B点相对于A点的运动趋势方向与B点运动方向相反

(B)D点相对于C点的运动趋势方向与C点运动方向相反

(C)D点所受静摩擦力方向与D点运动方向相同

(D)主动轮受到的摩擦力是阻力,从动轮受到的摩擦力是动力

  例⒋如图所示,在车厢内悬线下悬挂一小球m,当汽车做匀变速直线运动时,悬线将与竖直方向成某一角度。若在汽车底板上还有一个跟其相对静止的物体m1,则关于汽车的运动情况和物体m1的受力情况正确的是--------------------------------------------------------(     ) (A)汽车一定向右做加速运动;  (B)汽车也可能向左运动;  (C)m1除受到重力、底板支持力作用外,还一定受到向右的摩擦力作用;  (D)m1除受到重力、底板支持力作用外,还可能受到向左的摩擦力作用。

   例⒌质量分别为m和M的两物体P和Q叠放在倾角为θ的斜面上,P、Q之间的动摩擦因数为μ1,Q与斜面间的动摩擦因数为μ2。当它们从静止开始沿斜面滑下时,两物体始终保持相对静止,则物体P受到的摩擦力大小为多少?

  例⒍如图所示,一物体恰能在一个斜面体上沿斜面匀速下滑,可以证明出此时斜面不受地面的摩擦力作用,若沿斜面方向用力F向下推此物体,使物体加速下滑,斜面依然和地面保持相对静止,则斜面受地面的摩擦力是---------------------------------------------(     )

(A)大小为零

(B)方向水平向右

(C)方向水平向左

(D)无法判断大小和方向

例⒎如图所示,一质量为M的楔形块放在水平桌面上,它的顶角为90°两底角为α和β;a、b是两个位于斜面上质量均为m的木块,已知所有接触面都是光滑的。现发现a、b沿斜面下滑,而楔形木块静止不动,这时楔形木块对水平桌面的压力等于---------(     )

(A)

(B)

(C)     

(D)

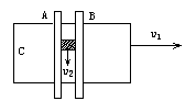
例⒏如图所示,质量为m的物体放在水平放置的钢板C上,与钢板的动摩擦因数为μ,由于光滑导槽A、B的控制,物体只能沿水平导槽运动,现使钢板以速度υ1向右运动,同时用力F沿导槽的方向拉动物体使物体以速度υ2沿导槽运动,则F的大小为______μmg(填<、>或=)

例⒐把一重为G的物体,用一个水平推力F=k t (k为恒量,t为时间)压在竖直的足够高的平整墙上,如图所示,从t=0开始,物体所受的摩擦力f随时间t的关系如下哪一个图所示---------------------------------------------------------------------------------------------------(     )

(A)        (B)         (C)        (D)

例⒑如图,一圆柱半径为0.2m,它以20rad/s角速度绕竖直轴OO/匀速 转动。现用力F将一质量为1㎏物块A压在圆柱侧面上使其以3m/s速度匀速下滑。若μ=,求F的大小(已知A靠在光滑杆上且不会随轴转动,g=10m/s2)

二 力的合成与分解

试题详情

⒈假设法:

⒉运动状态法:

⒊反作用法:

试题详情

⒈弹力有无的判断方法

①根据弹力的产生条件直接判断:多用于判断形变较明显的情况

②假设法:对于形变不明显的情况,可假设物体间的弹力不存在,看物体能否保持原有状态,若能则此处不存在弹力,若不能,则此处一定存在弹力

③根据物体的运动状态分析:由状态分析弹力,使物体的受力必须与物体的运动状态符合,依据物体的运动状态,由物体受力平衡(或牛顿第二定律)列方程来判断物体间的弹力是否存在

⒉弹力的方向的判断方法:

①弹力的方向与物体形变的方向相反,作用在迫使物体发生形变的那个物体上,具体有:

弹力
弹力的方向
弹簧两端的弹力
与弹簧测力计中心轴线相重合,指向弹簧恢复形变的方向
轻绳的弹力
沿绳指向绳收缩的方向
面与面接触的弹力
垂直于接触面指向受力的物体
点与面接触的弹力
过接触点垂直于接触面(或切面)而指向受力物体
球与面接触的弹力
在接触点与球心的连线上,指向受力物体
球与球接触的弹力
垂直于过接触点的公切面,而指向受力物体
杆的弹力
可能沿杆,也可能不沿杆,应具体情况具体分析

②由物体的运动状态判断弹力的方向:

试题详情

⒈产生:相互接触且发生形变的粗糙物体间,有______________或________________时,在接触上所受的______________相对运动或相对运动趋势的力

⒉两种摩擦力的比较:

   名称
项目
静摩擦力
滑动摩擦力
定义
两相对_________的物体间的摩擦力
两相对________的物体的摩擦力
条件
①接触面_____________
②接触处有____________
③两物体有_____________
①接触面_____________
②接触处有____________
③两物体有_____________
大小、方向
大小:___________________
方向:___________________
大小:___________________
方向:___________________
效果
总是阻碍物体间的_______________
总是阻碍物体间的_______________

⒊特别提醒:

①摩擦力阻碍的是物体间的相对运动或相对运动趋势,不一定阻碍物体的运动

②受静摩擦力作用的物体不一定静止,受滑动摩擦力作用的物体不一定运动

③接触面处有摩擦力时一定有弹力,且弹力与摩擦力总垂直,反之不一定成立

[要点聚焦]

试题详情

⒈定义:发生弹性形变的(施力)物体由于要恢复______________,对与它接触的(受力)物体产生力的作用

⒉产生条件:物体相互________________接触并且发生_______________

⒊原因:____________物体发生形变

⒋方向:弹力的方向总是与施力物体形变的方向相反

⒌大小:①弹簧类物体弹力在弹性限度内遵从胡克定律F=_______________

     ②非弹簧类物体弹力大小可以由___________或牛顿运动定律求解

⒍水平面上压力和重力、斜面上压力和重力的垂直分力的联系和区别:

①联系:大小相等、方向相同

②区别:性质不同、受力物体不同、施力物体不同

试题详情

⒈产生:由于________的吸引而例物体受到的力

⒉大小:①G=_______________

     ②测力计测量

⒊g的变化:重力加速度会随着_________的增大而增大,随着__________的增大而减小

⒋方向:_________________

⒌重心:

①定义:为了研究方便人为认定的重力的_______________

②相关因素:物体的几何形状、物体的质量分布

③位置确定:(1)质量分布均匀的规则物体,重心在其__________________

       (2)对于形状不规则或质量分布不均匀的薄板,重心可用____________确定

       (3)重心不一定在物体上

试题详情

⒈作用效果:①改变物体的________________

       ②使物体发生________________

⒉三要素:①_______________②______________③_______________

⒊基本特征:

①物质性:力不能脱离____________而独立存在

②相互性:物体间力的作用是____________的,只要有力,就一定有对应的_________

③独立性:一个力作用于物体上产生的效果,与这个物体是否受其他力的作用________

④矢量性:力既有大小,又有方向,力的运算遵循___________定则,或__________定则

⒋力的图示:用一条带有箭头的线段表示,线段的长度表示力的__________,箭头的指向表示力的_____________,产、箭头(箭尾)画在力的作用点上,线段所在的直线叫做力的作用线

试题详情


同步练习册答案