0  246882  246890  246896  246900  246906  246908  246912  246918  246920  246926  246932  246936  246938  246942  246948  246950  246956  246960  246962  246966  246968  246972  246974  246976  246977  246978  246980  246981  246982  246984  246986  246990  246992  246996  246998  247002  247008  247010  247016  247020  247022  247026  247032  247038  247040  247046  247050  247052  247058  247062  247068  247076  447090 

4.如图2-1-1所示,质量相同的两物体处于同一高度,A沿固定在地面上的光滑斜面下滑,B自由下落,最后到达同一水平面,则        (    )

A.重力对两物体做的功相同           B.重力的平均功率相同

C.到达底端时重力的瞬时功率PA<P

D.到达底端时两物的动能相同,速度相等

试题详情

3.古有“守株待兔”的寓言。设兔子的头部受到大小等于自身体重的打击力时即可致死,并设兔子与树桩作用时间为0.2s,则被撞死的兔子其奔跑速度可能为(g=10m/s2)                 (    )

A.1m/s    B.1.5m/s   C.2m/s     D.2.5m/s

试题详情

2.质量为m的物体以初速度v0水平抛出,经过时间t,下降的高度为h,速率变为v,在这段时间内物体动量变化量的大小为(    )                                   

A.m(vv0)     B.mgt     C.    D.

试题详情

1.下列说法中正确的是                    (    )

A.一质点受两个力作用且处于平衡状态(静止或匀速),这两个力在同一段时间内的冲量一定相同

B.一质点受两个力作用且处于平衡状态(静止或匀速),这两个力在同一段时间内做的功或者都为零,或者大小相等符号相反

C.在同样时间内,作用力和反作用力的功大小不一定相等,但正负号一定相反

D.在同样时间内,作用力和反作用力的功大小不一定相等,正负号也不一定相反

试题详情

2.1  动能定理和动量定理(一)

试题详情

7.两个定值电阻,把它们串联起来,等效电阻是4Ω;把它们并联起来,等效电阻是1Ω.求:

(1)这两个电阻的阻值各为多少?

(2)如果把这两个电阻串联后接入一个电动势为 ,内阻为r的电源两极间,两电阻消耗的总功率等于P1;如果把这两个电阻并联后接入同一电源两极间,两电阻消耗的总功率等于P2,若P1=9W,且P2≥P1,求满足这一要求的 和r的所有值.

试题详情

6.如图3-4-10所示直流电路中,电源电动势 =6.0V,内阻r=1.0Ω,定值电阻R1= 2.0Ω,R2=5.0Ω,滑动变阻器R3的总阻值为15Ω,求:

(1)调节R3过程中电流表示数的最小值.

(2)当电流表的示数最小时,滑动变阻器R3消耗的电功率是

多少?

试题详情

5.一个灯泡 L,标有“16V, 12W”字样,一直流电动机D,

其线圈内阻为2Ω,把L与D并联,当电动机正常工作时,灯泡也正常发光;把L与D串联,当电动机正常工作时,灯泡的实际功率为额定功率的3/4.求这台电动机正常工作时转化为机械能的功率.(假定灯泡灯丝电阻保持不变)

试题详情

4.如图3-4-9所示电路中,M为直流电动机,其线圈电阻为rM=1.0Ω,电池组电动势 =42V,内阻r=1.0Ω,保护电阻R=20Ω,电动机正常工作时,电压表示数为21V,则通过电动机的电流强度为A,电动机消耗的电功率为____W,电动机输出的机械功率为W.

试题详情

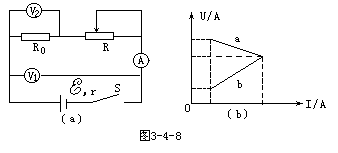
3.如图3-4-8(a)所示电路,不计电表内阻的影响,改变滑动变阻器的滑片位置,测得电压表V1和V2随电流表A的示数变化的两条实验图像,如图(b)所示.关于这两条实验图像,有  [   ]

A.图线b的延长线一定过坐标原点0 B.图线a的延长线与纵轴交点的纵坐标值等于电源电动势

C.图线a、b的交点的横、纵坐标值的乘积等于电源的输出功率

D.图线a、b的交点的横、纵坐标值的乘积等于电阻R消耗的电功率

试题详情


同步练习册答案