0  256942  256950  256956  256960  256966  256968  256972  256978  256980  256986  256992  256996  256998  257002  257008  257010  257016  257020  257022  257026  257028  257032  257034  257036  257037  257038  257040  257041  257042  257044  257046  257050  257052  257056  257058  257062  257068  257070  257076  257080  257082  257086  257092  257098  257100  257106  257110  257112  257118  257122  257128  257136  447090 

19、一理想变压器原、副线圈匝数比n1:n2=11:5。原线圈与正弦交变电源连接,输入电压u如图所示。副线圈仅接入一个10 的电阻。则

A.    流过电阻的电流是20 A

B.     与电阻并联的电压表的示数是100V

C.     经过1分钟电阻发出的热量是6×103 J

D.    变压器的输入功率是1×103  W

试题详情

17.一个理想变压器原、副线圈的匝数比n1 : n2=2:1.原线圈与正弦交变电源连接,输入电压u如图所示,副线圈仅接入一个阻值为10Ω的电阻.则               (   )

A.与电阻串联的电流表的示数是10A

   B.与电阻并联的电压表的示数是100V

   C.经过一分钟电阻发出的热量是6×103J

   D.变压器的输入功率是1×103W

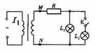
  18.如图所示,理想变压器的副线圈上通过输电线接有两个相同的灯泡L1和L2,输电线的等效电阻为R。开始时,开关S断开,当S接通时,以下说法中正确的是  (   )

   A.副线圈两端M、N的输出电压减小

   B.副线圈输电线等效电阻R两端的电压降增大

   C.通过灯泡L1的电流减小

   D.原线圈中的电流增大

试题详情

15.某发电厂发电机输出的电能先经过升压变压器升压,然后通过输电线路把电能输送到远处的居民小区,再经过降压变压器降压,最后送到用户。设升、降压变压器都是理想变压器,在用电高峰期发电厂输出的总功率增加,输出电压保持不变,但用户的白炽灯不够亮,这是由于                                  (   )

    A.升压变压器的输出电压变大

    B.输电线路损失的电压变大

    C.降压变压器的输入电压变大

    D.降压变压器的输出电压变大

  16.如图所示,理想变压器原、副线圈的匝数比为10:1,

b是原线圈的中心接头,电压表V和电流表A均为理想

电表。从某时刻开始在原线圈c、d两端加上交变电压,

其瞬时值表达式为μ=200100πt(V)。下列说法

正确的是                (   )

    A.当单刀双掷开关与a连接时,电压表的示数为22V

    B.当单刀双掷开关与b连接时, 电压表的示数为11V

    C.当单刀双掷开关与a连接, 滑动变阻器触头P向上移动的过程中,电压表的示数不变,电流表的示数变大

    D.单刀掷开关由a扳向b时(滑动变阻器触头P不动),电压表和电流表的示数均变大

试题详情

14.2008年1月10日开始的低温雨雪冰冻造成我国部分地区严重灾害,其中高压输电线因结冰而损毁严重。此次灾害牵动亿万人的心。为消除高压输电线上的凌冰,有人设计了这样的融冰思路:利用电流的热效应除冰。若在正常供电时,高压线上送电电压为U,电流为I,热耗功率为△P;除冰时,输电线上的热耗功率需变为9△P,则除冰时(认为输电功率和输电线电阻不变)                                         (   )

    A.输电电流为3I                   B.输电电流为9I

    C.输电电压为3U                  D.输电电压为

试题详情

13.如图所示,一圆柱形铁芯上沿轴线方向绕有矩形线圈,铁芯与

  磁极的缝隙间形成了辐向均匀磁场。磁场的中心与铁芯的轴线重   合。当铁芯绕轴线以角速度ω转动的过程中,线圈中的电流变化图象是下图中的哪一个?(从图位置开始计时,NS极间缝隙的宽度不计。以a边的电流进入纸面,b边的电流出纸面为正方向)

i
 
 

                                                     

试题详情

11.输电导线的电阻为R,输送电功率为P。现分别用U1和U2两种电压来输电,则两次输电线上损失的功率之比为                        (   )

    A.U1:U2               B.U12:U22             C.U2:U1                D.U22:U12

  12.调压变压器是一种自耦变压器,它的构造如图所示;线圈AB绕在一个圆环形的闭合铁芯上,AB间加上有效值不变的正弦交流电压U,移动滑动触头P的位置,就可以调节输出电压,在输出端连接了滑动变阻器R和理想交流电流表A,变阻器的滑动触头为Q,则                          (   )

   A.保持P的位置不动,将Q向下移动时,

电流表的读数变大

   B.保持P的位置不动,将Q向下移动时,

电流表的读数变小

   C.保持Q的位置不动,将P沿顺时针方

向移动(不超过B)时,电流表的读数变大

   D.保持Q的位置不动,将P沿顺时针方向移动(不超过B)时,电流表的读数变小

试题详情

10.一个矩形线圈在匀强磁场中转动产生的交变电流e=200sin100πt(V),那么 (   )

    A.该交变电流的频率是100Hz

    B.当t=时,线圈平面恰好与中性面垂直

    C.当t=s时,e有最大值

    D.该交变电流电动势的有效值为200V

试题详情

9.让匝数为100匝的闭合矩形线圈绕某垂直磁场的转动轴在匀强磁场中匀速转动时,线圈内可产生如图所示的交流电,由该图象可计算出

A.该交流电压的有效值为10V

  B.该交流电变化频率为25Hz

  C.矩形线圈转动的角速度为50πrad/s

  D.矩形线圈转动过程中,穿过线圈平面的最大磁通量为wb

试题详情

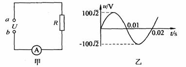
8.在如图甲所示的电路中,电阻R的阻值为50Ω,在ab间加上图乙所示的正弦交流电,则下面说法中正确的是                       (   )

    A.交流电压的有效值为100V

    B.电流表示数为2A

    C.产生该交流电的线圈在磁场中转动的角速度为3.14rad/s

      D.如果产生该交流电的线圈转速提高一倍,则电流表的示数也增大一倍

试题详情

5.如图所示,矩形线圈面积为S、匝数为N、内阻为r,绕垂直于

   匀强磁场的轴OO’以角速度匀速转动,匀强磁场的磁感应强   度为,外电阻为R.t=0时,线圈平面与磁感应线平行,则

  A.线圈中感应电动势的瞬时值表达式是e=NBSsint

  B.通过电阻尺的感应电流的瞬时值表达式是

  C.电压表的示数是NBS   ’

  D.电流表的示数是

  6.如图所示,理想变压器的副线圈上通过输电线接有两个相同的灯泡L1和L2,输电线的等效电阻为R。开始时,开关S断开,当S接通时,以下说法中正确的是  (   )

   A.副线圈两端M、N的输出电压减小

   B.副线圈输电线等效电阻R两端的电压降增大

   C.通过灯泡L1的电流减小

   D.原线圈中的电流增大

  7.如图所示,一理想变压器原、副线圈的匝数比为n:1。原线圈接正弦交变电压U,副线圈接有一个交流电流表和一个电动机。电动机线圈电阻R,当变压器的输入端接通电源后,电流表的示数为I,电动机带动重物匀速上升,则下列判断正确的是           (   )

    A.电动机两端电压这IR            

    B.电动机的输入功率为I2R

    C.变压器原线圈中的电流为nI       

    D.变压器的输入功率为

试题详情


同步练习册答案