0  266063  266071  266077  266081  266087  266089  266093  266099  266101  266107  266113  266117  266119  266123  266129  266131  266137  266141  266143  266147  266149  266153  266155  266157  266158  266159  266161  266162  266163  266165  266167  266171  266173  266177  266179  266183  266189  266191  266197  266201  266203  266207  266213  266219  266221  266227  266231  266233  266239  266243  266249  266257  447090 

1. 影响浙江的菇农去美国承包菇类种植场的区位因素主要是

A. 墨西哥人劳动力廉价              B. 交通运输和保鲜技术先进

C. 接近广阔的消费市场              D. 加州气候适宜菇类种植

试题详情

33.(12分)已知某哺乳动物棒状尾(A)对正常尾(a)为显性;直毛(B)对卷毛(b)为显性;黄色毛(R)对白色毛(r)为显性,但是雌性个体无论基因型如何,均表现为白色毛。三对基因均位于常染色体上,并遵循基因的自由组合定律。请回答:

(1)如果想依据子代的表现型判断出性别,下列四种杂交组合中,能满足要求的有________(填数字序号)。

①aarr×AARR    ②AARr×aarr   ③AaRR×aaRr   ④AARr×aaRr

(2)如果一只黄色个体与一只白色个体交配,生出一只白色雄性个体,则母本和父本的基因型依次是___________。

(3)两只白色棒状尾个体杂交,F1的表现型及比例如右图所示。则父本和母本的基因型依次是_____________。

(4)现有足够多的白色直毛棒状尾雌雄个体(纯合 

体、杂合体都有),要选育出纯合白色卷毛棒

状尾的雌性个体,请简要写出选育步骤:

第一步:_______________________________。

第二步:__________,后代不出现性状分离的个体,即为选育出的纯合白色卷毛棒状尾雌性个体。

(5)用该动物的胰岛素基因制成DNA探针,检测下列物质,不能形成杂交分子的是___________。

(A)该动物胰岛A细胞中的DNA    (B)该动物胰岛B细胞的mRNA

(C)该动物胰岛A细胞的m RNA    (D)该动物肝细胞的DNA

试题详情

32.(10分)近年来在防治稻田虫害方面进行了多种尝试,如①构建稻一萍一鱼生态系统,在该系统中,虽有危害水稻的病菌、害虫和杂草,但鱼的活动可起到除虫、松土和增氧的作用,红萍叶片内的蓝藻固氮可促进红萍和水稻生长;②培育转Bt基因抗虫水稻,减少虫害。此外,一些水稻遭遇虫害时会释放某些物质,引来天敌消灭害虫,科学家称之为稻田三重营养关系。

根据上述材料,请回答下列问题:

(1)指出在稻一萍一鱼生态系统中存在哪些种间关系。(各举一例)         

                                     

(2)转Bt基因抗虫水稻不可能一劳永逸地解决虫害问题,因为          

(3)画出稻一萍一鱼生态系统的能量流动图(不考虑与人的联系)。

试题详情

31.(6分)据美联社2008年1月17日《干细胞》杂志报道,美国加州的科学家使用了进行试管受精的年轻女性捐献的卵子,以及2名志愿者的皮肤成纤维细胞,成功克隆出了5个人体胚胎,进而可以开发出有科学价值的干细胞。请回答:

(1)上述过程中主要应用到的动物细胞工程有          ;若将某经过修饰的基因导人其中的部分胚胎干细胞,常用的方法是          

(2)在使用合成培养基进行胚胎干细胞培养时,通常需加入        等天然成分,除了需要保证被培养的细胞处于无菌、无毒及充足的氧气外,还要提供适宜的           。如果将此细胞用于检测有毒物质是否引起了细胞基因突变,可用          技术;如果想检测不同浓度的有毒物质引起细胞染色体变异的程度,则可以检测出变异细胞            来作为指标。

试题详情

30.(14分)下图甲曲线表示某植物在恒温30℃时光

合速率与光照强度的关系,图乙是某同学“探究影响植物光合速率的因素”的实验装置图。试回答:

(1)图甲曲线中,当光照强度为W点时,叶肉细胞中产生ATP的场所有       

(2)已知该植物光合作用和呼吸作用的最适温度分别为25℃和30℃,在其他条件不变的情况下,将温度调节到25℃,图甲曲线中X点将向       移动,Y点将向      移动。

(3)①据研究发现,当土壤干旱时,植物根细胞会迅

合成某种化学物质X。有人推测根部合成的X运输到叶片,能调节气孔的开闭。他们做了如下实验:从该植株上剪取大小和生理状态一致的3片叶,分别将叶柄下部浸在不同浓度X的培养液中,以分析叶片中X物质浓度与气孔开放程度之间的关系。一段时间后,可以测得有关数据。

 以上方案有两处不完善的地方,请指出来并加以改正。

                                      

                                       

                                      

②方案完善后,测得有关数据,得到下表的结果。(注:气孔导度越大,气孔开启程度越大。)

     










































 分组 
 










































测量指标











































培养液中X的浓度/mol·m-3











































5×10-5
5×10-4
5×10-3











































叶片中X的浓度/mol·g-1(鲜重)











































2.47
2.97











































9.28











































叶片中的气孔导度/mol·m-2·a-1
0.54











































0.43











































0.27

由此可以推测,随着培养液中X浓度的增大,植物光合作用强度     ,原因是   

                                 

试题详情

29.(共14分)在一容积为4 L的密闭容器中,加入0.4mol的N2和1.2mol的H2,在一定条件下,发生如下反应:

N2(g)+3H2(g)2NH3(g )  △H<0 ,

反应中NH3的物质的量浓度变化情况如右图:

(1)根据上图,计算从反应开始到平衡时,平 

均反应速率v(NH3)为______mol/(L·min)。

(2)反应达到平衡后,第5分钟末,保持其它条件不变,若改变反应温度,则NH3的物质的量浓度不可能为___________。

   a. 0.20 mol/L   b. 0.12 mol/L     c. 0.10 mol/L    d. 0.08 mol/L

(3)反应达到平衡后,第5分钟末,保持其它条件不变,若只把容器的体积缩小一半,平衡___________________移动(填“向逆反应方向”、“向正反应方向”或“不”)。

(4)在第5分钟末将容器的体积缩小一半后,若在第8分钟末达到新的平衡(此时NH3的浓度约为0.25 mol/L),请在上图中画出第5分钟末到此平衡时NH3浓度的变化曲线。

(5)在三个相同容器中各充入1 molN2和3molH2,在某一不同条件下反应并达到平衡,氨的体积分数随时间变化曲线如下图。下列说法正确的是       (填序号) 。

(A)图Ⅰ可能是不同压强对反应的影响,且P2>P1

(B)图Ⅱ可能是不同压强对反应的影响,且P1>P2

(C)图Ⅲ可能是不同温度对反应的影响,且T1>T2

(D)图Ⅱ可能是同温同压下,催化剂性能对反应的影响,且1>2

试题详情

28.(共14分)某研究性学习小组将一定浓度Na2CO3溶液滴入CuSO4溶液中得到沉淀。

甲同学认为两者反应生成只有CuCO3一种沉淀;

乙同学认为这两者相互促进水解反应,生成Cu(OH)2一种沉淀;

丙同学认为生成CuCO3和Cu(OH)2两种沉淀。(已知:CuCO3和Cu(OH)2均不带结晶水)

Ⅰ.(1)写出Na2CO3溶液水解的离子方程式      

(2)在探究沉淀物成分前,须将沉淀从溶液中分离并净化。具体操作为:     (填操作名称)、干燥。

Ⅱ.请用下图所示装置,选择必要的试剂,定性探究生成物的成分。

(1)各装置连接顺序为                    

(2)装置C中装有试剂的名称是              

(3)能证明生成物中有CuCO3的实验现象是         

Ⅲ.若CuCO3和Cu(OH)2两者都有,可通过下列所示装置的连接,进行定量分析来测定其组成。

(1)装置C中碱石灰的作用是             ,实验开始时和实验结束时都要通入处理过的过量的空气,其作用分别是:         、      

(2)若沉淀样品的质量为m g,装置B质量增加了n g,则沉淀中CuCO3的质量分数为:

         ×100%

试题详情

27.(共16分)已知有机物A分子由C、H、O三种元素组成,其相对分子质量为120,0.1molA在足量的氧气中充分燃烧后生成0.8mol CO2  和7.2g H2O;A可以发生银镜反应,其苯环上的一卤代物有三种。

(1)A的分子式是     ,A中含氧官能团的名称是     ,A的结构简式为     

现有如下转化关系:

其中D能使溴的四氯化碳溶液褪色,F继续被氧化生成G,G的相对分子质量为90。

(2)C可能具有的化学性质有       (填序号)。

① 能与H2发生加成反应;② 能在碱性溶液中发生水解反应;③ 能与甲酸发生酯化反应;④ 能与Ag(NH3) 2OH溶液发生银镜反应;⑤能与氢氧化钠溶液反应

(A)①②③    (B)①③⑤    (C)①②③⑤    (D)②③④⑤

(3)① 写出C→D的化学反应方程式        ;反应类型为      

②在催化剂条件下,C生成高聚物的化学方程式                

③ G与足量NaHCO3溶液反应的化学方程式                 

(4)C的同分异构体有多种,其中符合下列要求的有机物有两种:

①属于酯类化合物;②遇三氯化铁溶液显紫色;③与新制氢氧化铜悬浊液共热可生成红色沉淀;④苯环上的一卤代物只有一种

  写出其中一种有机物的结构简式                 

试题详情

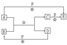
26.(共16分)A、B、C、D、E、F六种物质的相互转化关系如下图所示(反应条件及部分产物均未列出)。

(1)若A、D、F都是短周期的非金属单质,且A、D所含元素同主族,A、F所含元素同周期,已知D单质在电子工业中有重要作用,则D的原子结构示意图为   ;物质E的结构式为    ;反应①的化学方程式为__________________。

(2)若A是常见金属单质,D是气态非金属单质,F是液态非金属单质,反应①、②都在溶液中进行,写出A在周期表中的位置       ;用电子式表示B的形成过程        ;物质C与等物质的量的Cl2在溶液中反应的离子反应方程式为               

(3)若A、D为常见金属单质,A、D分别与F的浓溶液在加热条件下才能发生反应, 写出反应④的化学方程式                ;足量的A与溶液B充分反应后,生成物C中金属阳离子的检验方法为               ;若以惰性电极电解B的水溶液,当阴极增重3.2g时,阳极生成气体的体积在标准状况下为    L。

试题详情

25.(19分)某机械打桩机原理可简化为如图所示,直角固定杆光滑,杆上套有=55kg 和=80kg 两滑块,两滑块用无弹性的轻绳相连,绳长为5m,开始在外力作用下将A滑块向右拉到与水平夹角为37°时静止释放,B滑块随即向下运动带动A滑块向左运动,当运动到绳子与竖直方向夹角为37°时,B滑块(重锤)撞击正下方的桩头C,桩头C的质量=200kg。碰撞时间极短,碰后A滑块由缓冲减速装置让其立即静止,B滑块反弹上升=0.05m,C桩头朝下运动=0.2m静止。取g=10。求:

(1)滑块B碰前的速度;

(2)泥土对桩头C的平均阻力。

试题详情


同步练习册答案