0  268924  268932  268938  268942  268948  268950  268954  268960  268962  268968  268974  268978  268980  268984  268990  268992  268998  269002  269004  269008  269010  269014  269016  269018  269019  269020  269022  269023  269024  269026  269028  269032  269034  269038  269040  269044  269050  269052  269058  269062  269064  269068  269074  269080  269082  269088  269092  269094  269100  269104  269110  269118  447090 

2.振荡过程:电容器放电时,电容器所带电量和电场能均减少,直到零;电路中的电流和磁场能均增大,直到最大值.充电时,情况相反.电容器正反向充放电一次,便完成一次

振荡的全过程.图13-2-1表示振荡过程中有关物理量的变化.

图13-2-1

试题详情

振荡电路中产生振荡电流的过程中,线圈中的电流、电容器极板上的电量及其与之相联系的磁场能、电场能也都作周期性变化,这种现象叫做电磁振荡.

1.振荡原理:利用电容器的充放电和线圈的自感作用产生振荡电流,形成电场能和磁场能的周期性相互转化.

试题详情

大小和方向都做周期性变化的电流叫做振荡电流.能产生振荡电流的电路叫振荡电路,LC电路是最简单的振荡电路.

试题详情

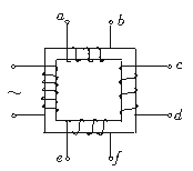
14.如图13-1-13所示,一理想变压器带有三个匝数都为50匝的副线圈abcdef,若原线圈匝数为100匝,并接到220 V交流电源上,通过副线圈的各种组合,可以得到以下哪些电压 

图13-1-13

①0 V    ②110 V ③220 V  ④330 V 

以上正确的是 

A.①②③④                        B.只有①② 

C.只有③④                        D.只有②③④ 

[解析] 当三个副线圈互不连接或其中两个顺向并接时,可得到110 V电压.当其中两个副线圈顺向串接时,可得到220 V电压,当其中两个副线圈逆向串接时,可得到0 V电压.当三个线圈顺向串接时,可得到330 V电压. 

[答案] A 

15.在真空中速度v=6.4×107 m/s的电子束连续地射入两平行极板间,如图13-1-14所示,极板长度为l=8.0×10-2 m,间距d=5.0×10-3 m.两极板不带电时,电子束将沿两极板之间的中线通过.在两极板上加一个50 Hz的交变电压uU0sinωt,如果所加电压的最大值U0超过某值UC时,电子束将有时能通过两极板,有时间断而不能通过(电子电荷量e=1.60×10-19 C,电子质量m=9.1×10-31 kg): 

图13-1-14

(1)UC的大小为多少? 

(2)求U0为何值时,才能使通过与间断时间之比Δt1∶Δt2=2∶1? 

[解析] (1)电子通过平行极板所用时间t=≈10-9 s,而交变电压的周期T=10-2 s.由于T,故对于通过极板的电子来说,可认为板间电压及场强是稳定不变的,每个电子均做类平抛运动,水平方向匀速,场强方向匀变速.设电子经过平行板的时间为t,所受电场力为F,则:a=,t=,电子束不能通过两极板间时有:

at2y,由以上三式可得:

UC=91 V 

(2)画图分析:UCU0sin(π/3), 

所以U0UC/sin(π/3)==105 V. 

[答案] (1) 91 V (2)105 V 

第Ⅱ单元  电磁场和电磁波 

●知识聚焦

试题详情

13.如图13-1-12所示,闭合的单匝线圈在匀强磁场中以角速度ω绕中心轴OO′逆时针匀速转动.已知线圈的边长ab=cd=l1=0.20 m,bc=da=l2=0.10 m,线圈的电阻值R=0.050 Ω,角速度ω=300 rad/s,匀强磁场磁感应强度的大小B=0.50 T,方向与转轴OO′垂直.规定线圈平面与中性面的夹角为θ. 

图13-1-12

(1)当θ=ωt=30°时,线圈中感应电动势大小如何? 

(2)此时,作用在线圈上电磁力的瞬时功率等于多少? 

[解析] (1)eBl1l2ωsin30°=1.5 V 

(2)电磁力的瞬时功率P==45 W 

[答案] (1)1.5 V  (2)45 W 

试题详情

12.有一台内阻为4 Ω的发电机,供给一个学校照明用电,如图13-1-11所示.升压变压器匝数比为1∶4,降压变压器的匝数比为4∶1,输电线的总电阻R=4Ω,全校共22个班,每班有“220 V,40 W”灯6盏.若保证全部电灯正常发光,则: 

图13-1-11

(1)发电机输出功率多大? 

(2)发电机电动势多大? 

(3)输电效率是多少? 

(4)若使用灯数减半并正常发光,发电机输出功率是否减半? 

[解析] (1)对降压变压器:U2I2U3I3nP=22×6×40 W=5280 W.而U2′=U3=880 V 所以I2=6 A.对升压变压器:U1I1U2I2I22R+U2I2=5424 W.

(2)因为U2U2′+I2R=904 V,所以U1U2=226 V 

又因为U1I1U2I2  所以I1=24 A 

所以EU1+I1r=322 V 

(3)η×100%=×100%=97% 

(4)灯数减半时,发电机输出功率为P=2676 W.故发电机输出功率不是减半. 

[答案] (1)5424 W  (2)322 V (3)97%  (4)不是减半 

试题详情

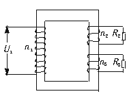
11.如图13-1-10所示,已知n1n2=4∶3,R2=100 Ω,变压器没有功率损耗,在原线圈上加上交流电压U1=40sin100πt V,则R2上的发热功率是______W.若R3=25 Ω,发热功率与R2一样,则流过原线圈的电流I1和流过R3的电流I3之比为______. 

图13-1-10

[解析] U2=×V=21.3 V,PR2 W=4.5 W.由I1=4.5×2,I32×25=4.5,解得I1I3=3∶4. 

[答案] 4.5  3∶4 

★提升能力 

试题详情

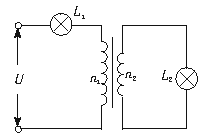
10.如图13-1-9所示,理想变压器的原、副线圈分别接着完全相同的灯泡L1、L2,原、副线圈的匝数比n1n2=2∶1,交流电源电压为U,则 

图13-1-9

①灯L1两端的电压为U/5 

②灯L1两端的电压为3U/5 

③灯L2两端的电压为2U/5 

④灯L2两端的电压为U/2 

以上说法正确的是 

A.①③          B.②④         C.①④             D.②③ 

[解析] 原副线圈中电流之比I1I2n2n1=1∶2,因为U1I1RU2I2R,所以U1U2=1∶2.原、副线圈中电压之比,所以U1U/5,U2U. 

[答案] A 

试题详情

9.一个电热器接在10 V的直流电源上,在时间t内产生的热量为Q,今将该电热器接在一交流电源上,它在2t内产生的热量为Q,则这一交流电源的交流电压的最大

值和有效值分别是 

A.最大值是10 V,有效值是10 V 

B.最大值是10 V,有效值是5V 

C.最大值是5V,有效值是5 V 

D.最大值是20 V,有效值是10V 

[解析] 根据交变电流有效值的定义来求有效值,对正弦交变电流有:Um=U. 

[答案] B 

试题详情

8.如图13-1-7为电热毯的电路图,电热丝接在U=311sin100πt V的电源上,电热毯被加热到一定温度后,通过装置P使输入电压变为图13-1-8所示的波形,从而进入保温状态,若电热丝电阻保持不变,此时交流电压表的读数是

图13-1-7

A.110 V         B.156 V         C.220 V         D.311 V 

[解析] 由·()2R得图13-1-8对应的有效值U=156 V. 

[答案] B 

试题详情


同步练习册答案