0  268929  268937  268943  268947  268953  268955  268959  268965  268967  268973  268979  268983  268985  268989  268995  268997  269003  269007  269009  269013  269015  269019  269021  269023  269024  269025  269027  269028  269029  269031  269033  269037  269039  269043  269045  269049  269055  269057  269063  269067  269069  269073  269079  269085  269087  269093  269097  269099  269105  269109  269115  269123  447090 

7.对麦克斯韦电磁理论的复习,使学生了解并记住三个要点就可以了:(1)变化的磁场(或电场)才能产生电场(或磁场);(2)均匀变化的磁场(或电场) 产生稳定的电场(或磁场);(3)正弦式变化的振荡磁场(或电场)产生同频率的正弦式变化的振荡电场(或磁场).

 

试题详情

6.对于远距离高压输电问题,一般地我们认为,需要传输的电功率是一定的.必须抓住这个不变量.即对输配电系统,输入总功率=输电线上损失的功率+用电器得到的功率.

试题详情

5.理想变压器的动态分析问题是个难点.此类问题,大致有两种情况:一是负载电阻不变,原副线圈的电压U1U2,电流I1I2,输入和输出功率P1P2随匝数比变化而变化的情况;另一类是匝数比不变,上述各量随负载电阻变化而变化的情况.不论哪种情况,都要注意:(1)根据题意分清变量和不变量;(2)要弄清“谁决定于谁”的制约关系.

试题详情

4.要使学生区分瞬时值、最大值、有效值、平均值.让学生知道,计算线圈在某一位置受力情况时应采用瞬时值;计算通过某一截面电量时应采用平均值;计算有关热效应的问题时(如保险丝的熔断等)应采用有效值;考虑电容器击穿电压时应采用最大值.

试题详情

3.交变电流的有效值是复习中的难点,也是重点.因此必然是高考中考查交变电流知识的热点.要使学生准确把握有效值的物理意义--反映交变电流产生的平均效果(热效应),但不是交变电流的平均值.交变电流的有效值体现了电能与内能的等效转换.要明确EEmUUm/IIm/只适用于正弦式交变电流,其他非正弦式交变电流,必须按有效值的定义去推导,切忌乱套公式.

试题详情

2.在复习交变电流的变化规律时,要引导学生抓住中性面这一关键位置. 

试题详情

1.教材中虽然没给出交变电动势最大值Em=nBωS这一公式,但对其仍应让学生熟记、掌握,并告诉学生这一公式对任意形状的线圈都适用.

试题详情

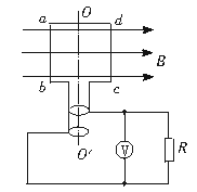
12.如图13-11所示,匀强磁场的磁感应强度B=0.5 T,边长L=10 cm的正方形线圈abcd共100匝,线圈电阻r=1 Ω,线圈绕垂直于磁感线的对称轴OO′匀速转动,角速度ω=    2πrad/s,外电路电阻R=4 Ω.求: 

图13-11

(1)转动过程中感应电动势的最大值; 

(2)由图示位置(线圈平面与磁感线平行)转过60°角时的瞬时感应电动势; 

(3)由图示位置转过60°角的过程产生的平均感应电动势; 

(4)交流电压表的示数; 

(5)转动一周外力做的功. 

[解析] (1)EmNBSω=3.14 V 

(2)从图示位置计时转过时,瞬时感应电动势e=Em·cos=1.57 V 

(3)由图示位置转过60°角产生的平均感应电动势=100×V=2.60 V 

(4)交流电压表测的是有效值,所以其示数U=1.78 V. 

(5)WFI2(R+r)tN2B2S2=0.99 J 

[答案] (1)3.14 V   (2)1.57 V (3)2.60 V   (4)1.78 V   (5)0.99 J 

●教学建议

试题详情


同步练习册答案