0  268923  268931  268937  268941  268947  268949  268953  268959  268961  268967  268973  268977  268979  268983  268989  268991  268997  269001  269003  269007  269009  269013  269015  269017  269018  269019  269021  269022  269023  269025  269027  269031  269033  269037  269039  269043  269049  269051  269057  269061  269063  269067  269073  269079  269081  269087  269091  269093  269099  269103  269109  269117  447090 

7.已知交变电流i=ImsinωtA,线圈从中性面起开始转动,转动了多长时间,其瞬时值等于有效值 

A.π/ω          B.π/ω        C.π/4ω            D.π/2ω 

[答案] C 

试题详情

6.一个理想的变压器,原线圈和副线圈的匝数分别为n1n2,正常工作时输入和输出的电压、电流、功率分别为U1U2I1I2P1P2.已知n1n2,则 

U1U2,P1P2             ②P1=P2,I1I2 

I1I2,U1U2              ④P1P2,I1I2 

以上说法正确的是 

A.①②                        B.②③ 

C.①③                        D.④ 

[答案] B 

试题详情

5.交流发电机在工作时的电动势为e=E0sinωt,若将其电枢的转速提高1倍,其他条件不变,则其电动势变为 

A.e=E0sin                          B.e=2E0sin 

C.e=E0sin2ωt                          D.e=2E0sin2ωt 

[答案] D 

试题详情

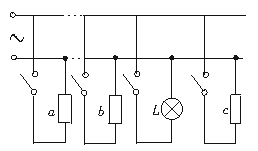
4.如图13-1-6所示,abc为三只功率较大的完全相同的电炉,a离电源很近,而bc离用户电灯L很近,电源离用户电灯较远,输电线有一定电阻,电源电压恒定,则 

①使用a时对用户电灯影响大 

②使用b时比使用a时对用户电灯影响大 

③使用cb对用户电灯的影响几乎一样大 

④使用c时对用户电灯没有影响 

图13-1-6

以上说法正确的是 

A.①③                               B.②④ 

C.①④                               D.②③ 

[解析] 电灯的电压等于电源电压减去输电线电阻的电压. 

[答案] D 

试题详情

3.超导材料电阻降为零的温度称为临界温度,1987年我国科学家制成了临界温度为90 K的高温超导材料.利用超导材料零电阻的性质,可实现无损耗输电,现有一直流电路,输电线的总电阻为0.4 Ω,它提供给用电器的电功率为40 kW,电压为800 V.如果用临界温度以下的超导电缆替代原来的输电线,保持供给用电器的功率和电压不变,那么节约的电功率为 

A.1 kW                           B.1.6×103 kW 

C.1.6 kW                             D.10 kW 

[解析] 输电线中电流I=P/U,输电线上损失功率P′=I2R线P2R线U2=1 kW. 

[答案] A 

试题详情

2.在变电所里,经常要用交流电表去监测电网上的强电流,使用的仪器是电流互感器,图13-1-5的四个图中,能正确反映其工作原理的是 

图13-1-5

[解析] 电流互感器是用来把大电流变成小电流的变压器,原线圈串联在被测电路的火线上,副线圈接入交流电流表,故A对. 

[答案] A 

试题详情

1.关于理想变压器的下列说法 

①原线圈中的交变电流的频率跟副线圈中的交变电流的频率一定相同 

②原线圈中输入恒定电流时,副线圈中的电流一定是零,铁芯中的磁通量也一定是零 

③原线圈中输入恒定电流时,副线圈中的电流一定是零,铁芯中的磁通量不是零 

④原线圈中的输入电流一定大于副线圈中的输出电流 

以上正确的说法是 

A.①③                           B.②④ 

C.①②                           D.③④ 

[答案] A 

试题详情

4.对原、副线圈匝数比()确定的变压器,其输出电压U2是由输入电压决定的,U2U1;在原、副线圈匝数比()和输入电压U1确定的情况下,原线圈中的输入电流I1却是由副线圈中的输出电流I2决定的:I1I2.(当然I2是由所接负载的多少而定的.) 

●典例剖析 

[例1]一矩形线圈在匀强磁场中以角速度4π rad/s匀速转动,产生的交变电动势的图象如图13-1-2所示.则

A.交变电流的频率是4π Hz 

B.当t=0时,线圈平面与磁感线平行 

C.当t=0.5 s时,e有最大值 

D.交变电流的周期是0.5 s 

[解析] 由于线圈转动的角速度题中已给出,所以线圈的转动频率可以由公式直接求出.线圈的频率和交变电流的频率是相同的.ω=4π rad/s,而ω=2πf,故f=2 Hz,T=   0.5 s.由图象可看出:t=0时e=0,线圈位于中性面,即线圈平面跟磁感线垂直.t=0.5 s时,  ωt=2πe=0.所以,应选D. 

[思考] (1)当线圈的转速加倍时,其交变电动势的图象如何?有效值多大? 

(2)在线圈匀速转动的过程中,何时磁通量最大?何时磁通量的变化率最大? 

[思考提示] (1)转速加倍时,电动势的最大值Em=nBsω加倍,即Em′=20 V,交变电流的频率加倍,f′=4 Hz,其图象如图所示 

有效值为14.1 V 

(2)线圈转动过程中,当线圈与磁场方向垂直时磁通量最大,此时磁通量的变化率为零.当线圈与磁场平行时,磁通量为零,磁通量的变化率最大. 

[设计意图] 通过本例说明应用交变电流的产生及其变化规律分析问题的方法. 

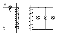
[例2]如图13-1-3所示,一理想变压器原、副线圈匝数比为3∶1,副线圈接三个相同的灯泡,均能正常发光.在原线圈接有一相同的灯泡L.则 

图13-1-3

A.灯L也能正常发光 

B.灯L比另三灯都暗 

C.灯L将会被烧坏 

D.不能确定 

[解析] 该题主要考查变压器的工作原理--原副线圈的电流关系和电功率等内容.该题易犯的错误是:由原副线圈匝数比n1n2=3∶1,可知原副线圈电压之比为U1U2=3∶1,既然副线圈中电灯能正常发光,可知U2恰为灯的额定电压,所以原线圈中电灯两端电压U1U.故被烧坏而错选C.其错误是把变压器原线圈两端电压和电灯L两端电压混淆了.正确的解答应为:原副线圈中的电流之比为I1I2=1∶3,而副线圈中通过每灯的电流为其额定电流II2/3,故ILI1I即灯L亦能像其他三灯一样正常发光.所以正确选项为A. 

[思考] (1)如果副线圈上的三个灯泡“烧”了一个,其余灯泡的亮度如何变?

变压器的输入功率如何变?如果副线圈上的三个灯泡全“烧”了,灯泡L还亮不亮? 

(2)如果副线圈上再并入一个灯泡,与原来相比其余灯泡的亮度如何?谁更容易烧坏? 

(3)对理想变压器而言,其I1I2U1U2P1P2,是输入决定于输出,还是输出决定于输入? 

[思考提示] (1)副线圈上的三个灯泡烧坏一个,则副线圈输出的功率变小,原线圈输入功率变小,则原线圈中电流减小,灯泡L变暗,灯泡L两端的电压减小,若电源电压一定,则原线圈两端电压略有升高,副线圈两端电压也略有升高,剩余两灯泡变亮.若副线圈上的三个灯泡全“烧”了,灯L不亮. 

(2)若在副线圈上再并入一个灯泡,变压器输出功率增大,输入功率也增大,原、副线圈中的电流均增大,故L变亮、L两端电压增大,若电源电压一定,则原、副线圈两端电压都减小,副线圈上的灯泡变暗.L更容易烧坏. 

(3)对理想变压器而言,U1决定U2I2决定I1P2决定P1. 

[设计意图] 通过本例说明利用变压器的电压比,电流比及功率关系分析问题的方法.

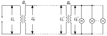
[例3]有条河流,流量Q=2 m3·s-1,落差h=5 m,现利用其发电,若发电机总效率为50%,输出电压为240 V,输电线总电阻R=30 Ω,允许损失功率为发电机输出功率的6%,为满足用电的需要,使用户获得220 V电压,则该输电线路所使用的理想升压、降压变压器的匝数比各是多少?能使多少盏“220 V、100 W”的电灯正常发光? 

[解析] 按题意画出远距离输电的示意图13-1-4所示,电源端的输出功率 

图13-1-4

P=(η 

=2×1.0×103×10×5×0.5 W=5×104 W 

输电线上的功率损失P=I2R,所以输电线中电流为 

I==10 A 

则升压变压器B1的原线圈电压U1=U=240 V,副线圈送电电压为 

U2= V=5×103 V 

所以升压变压器的变压比为 

n1n2=U1U2==6∶125 

输电线上电压的损耗 

ΔU=IR=10×30 V=300 V 

则降压器B2的原线圈的电压 

U1′=U2U=5×103 V-300 V=4700 V 

据题意知,U2′=220 V,所以降压变压器的匝数比为 

n1′∶n2′=U1′∶U2′==235∶11 

因为理想变压器没有能量损失,所以可正常发光的电灯盏数为 

N===470 

[说明] 这是远距离送电的典型题,一般要抓住变压器B1的输出电流去求输电线上的电压损失和功率损失,要注意用户的电压为220 V是B2的输出电压.为了帮助分析解题,必须先画出输电线路的简图,弄清楚电路的结构,然后再入手解题,解出变压比不一定是整数,这时取值应采取宜“入”不宜“舍”的方法,因为变压器本身还有损耗. 

[设计意图] 通过本例说明远距离问题的分析方法. 

●反馈练习 

★夯实基础 

试题详情

3.理想变压器各线圈两端电压与匝数成正比的关系,不仅适用于原、副线圈只有一个的情况,而且适用于多个副线圈的情况;这是因为理想变压器的磁通量是全部集中在铁芯内的,因此穿过每组线圈的磁通量的变化率是相同的,因而每组线圈中产生的电动势和匝数成正比.在线圈内阻不计的情况下,线圈两端电压即等于电动势,故每组线圈两端电压都与匝数成正比.但电流和匝数成反比的关系只适用于原副线圈各有一个的情况,一旦有多个副线圈,该关系即不适用.由于输入功率和输出功率相等,所以应有:

U1I1U2I2+U2I2′+U2I2″+…….

试题详情

2.若线圈匝数为N,当其在匀强磁场中绕垂直于磁场方向的轴匀速转动时,所产生的感应电动势的最大值为:EmNBSω.即Em仅由NBSω四个量决定,与轴的具体位置和线圈的形状都是无关的.

试题详情


同步练习册答案