0  269342  269350  269356  269360  269366  269368  269372  269378  269380  269386  269392  269396  269398  269402  269408  269410  269416  269420  269422  269426  269428  269432  269434  269436  269437  269438  269440  269441  269442  269444  269446  269450  269452  269456  269458  269462  269468  269470  269476  269480  269482  269486  269492  269498  269500  269506  269510  269512  269518  269522  269528  269536  447090 

7.关于电磁波的应用,下列说法正确的是                               (   )

    A.γ射线可以用于防伪鉴别工作

    B.紫外线可用于加热和烘干

    C.X射线可以用于机场检查箱内的物品

    D.微波可以测量钢板厚度

    考点:77.能量量子化.光电效应.光子.爱因斯坦光电效应方程

    意图:知识点落实

试题详情

6.关于光谱,下列说法中正确的是                                     (   )

    A.炽热的液体发射明线光谱

    B.太阳光谱中的暗线说明太阳缺少与这些暗线对应的元素

    C.明线光谱和暗线光谱都可以用于对物质成分进行分析

    D.发射光谱一定是连续光谱

试题详情

5.如图,P是一偏振片,P的透振方向(用带有箭头的实线表示)为竖直方向。下列四种

入射光束中,哪种光束照射P时,在P的另一侧观察不到透射光            (   )

    A.太阳光     

    B.沿竖直方向振动的光

    C.沿水平方向振动的光  

    D.沿与竖直方向成45°角振动的光

    考点:76.光谱和光谱分析.红外线、紫外线、X射线、γ射线以及它们的应用.光的电磁本性.电磁波谱

    意图:知识点落实

试题详情

4.在研究A物体材料的热膨胀特性时,可采用如图所示的干涉实验法.A的上表面是一光滑平面,在A的上方放一个两面平行的玻璃板BBA上表面平行,在它们之间形成一厚度均匀的空气薄膜.现用波长为λ的单色光垂直照射玻璃板B,同时对A缓慢加热,在B上方观察到B板的亮度发生周期性变化.当温度为t1时最亮,然后亮度逐渐减弱至最暗;当温度升到t2时,亮度再一次增到最亮.则                   (   )

    A.出现最亮时,B上表面反射光与B下表面反射光叠加后加强

B.出现最暗时,B下表面反射光与A上表面反射光叠加后加强

    C.温度从t1升至t2过程中,A的高度增加λ/4

    D.温度从t1升至t2过程中,A的高度增加λ/2

    考点:76.光的偏振现象

    意图:知识点落实

试题详情

3.如图所示,s1s2是杨氏双缝实验装置的两个狭缝,S是单缝,光源发出的光的波长为0.40×10-6m,ss1=ss2,Δr=r2r1=1.2×10-6m,则下列说法正确的是     (   )

    A.在光屏上的P位置出现暗条纹

    B.若把其中一条狭缝挡住,屏上出现相同的明暗

相间的条纹,只是亮度减半

    C.不论是单缝衍射、双缝干涉或薄膜干涉,都是

色散造成的

    D.光通过双缝或单缝产生的明暗相间的条纹,说

明光具有波动性

  从图示情况看S是单缝而不是光源,若是光源,怎会有ss1=ss2?  薄膜干涉

试题详情

2.以下说法正确的是                                               (   )

    A.要有效的发射电磁波需要高频、开放振荡电路

    B.检波的方法有调幅和调频两种

    C.接收电磁波的过程叫解调

    D.调谐和调制都是电磁波发射应该经历的过程

    考点:73.光的干涉现象.双缝干涉.薄膜干涉

    意图:知识点落实

双缝干涉

试题详情

1.关于电磁场和电磁波,下列叙述中正确的是                            (   )

    A.恒定的电场能够产生电磁波

    B.电磁波的传播需要介质

    C.电磁波从一种介质进入另一种介质,频率不变

    D.有的电磁波纵波,有的电磁波是横波

    考点:72.无线电波的发射和接收

    意图:知识点落实

试题详情

8.(09年广东物理 )如图(a)所示,一个电阻值为R,匝数为n的圆形金属线与阻值为2R的电阻R1连结成闭合回路。线圈的半径为r1。在线圈中半径为r2的圆形区域存在垂直于线圈平面向里的匀强磁场,磁感应强度B随时间t变化的关系图线如图(b)所示。图线与横、纵轴的截距分别为t0B0 . 导线的电阻不计。求0至t1时间内

  (1)通过电阻R1上的电流大小和方向;

  (2)通过电阻R1上的电量q及电阻R1上产生的热量;

光的本性和近代物理

    考点:71.电磁场.电磁波.电磁波的周期.频率.波长和波速

    意图:知识点落实

试题详情

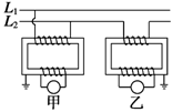
7.如图所示,L1、L2是高压输电线,图中两电表示数分别是220V和10A,已知甲图中原、副线圈匝数比为 100:1,乙图中原副线圈匝数比为1:10,则                         (   )

A.甲图中的电表是电压表,输电电压为2200 V

    B.甲图是电流互感器.输电电流是100 A

    C.乙图中的电表是电压表,输电电压为22000 V

    D.乙图是电流互感器,输电电流是100 A

    考点:60.电磁感应现象.磁通量.法拉第电磁

感应定律.楞次定律

    意图:方法落实

试题详情

6.机场的安全门可以探测人随身携带的金属物品,它是利用涡流工作的。导线沿着安全门的“门框”绕成线圈,线圈中有___________的电流,如果携带金属物品穿过,金属中会感应出涡流,涡流___________又会反过来影响线圈中的___________,使仪器报警。

    考点:66.变压器的原理。原、副线圈电压、电流的关系

    落实:方法落实

试题详情


同步练习册答案