0  311981  311989  311995  311999  312005  312007  312011  312017  312019  312025  312031  312035  312037  312041  312047  312049  312055  312059  312061  312065  312067  312071  312073  312075  312076  312077  312079  312080  312081  312083  312085  312089  312091  312095  312097  312101  312107  312109  312115  312119  312121  312125  312131  312137  312139  312145  312149  312151  312157  312161  312167  312175  447090 

9.如图所示,一网球运动员将球在边界处正上方水平向右击出,球刚好过网落在图中位置(不计空气阻力),相关数据如图,下列说法中正确的是      (  AD  )

A.击球点高度h1与球网高度h2之间的关系为h1 =1.8h2

B.若保持击球高度不变,球的初速度只要不大于,一定落在对方界内

C.任意降低击球高度(仍大于),只要击球初速度合适,球一定能落在对方界内

D.任意增加击球高度,只要击球初速度合适,球一定能落在对方界内

 

试题详情

8.河水的流速随离河岸的距离的变化关系如下图左图所示,船在静水中的速度与时间的关系如如下图右图所示,若要使船以最短时间渡河,则( BD )

 

A.船渡河的最短时间是60s        

B.船在行驶过程中,船头始终与河岸垂直

   C.船在河水中航行的轨迹是一条直线 

D.船在河水中的最大速度是5m/s

试题详情

7.如图所示,一水平固定的小圆盘A,带电量为Q,电势为零,从圆盘中心处O由静止释放一质量为m,带电量为+q的小球,由于电场的作用,小球竖直上升的高度可达盘中心竖直线上的c点,Oc=h,又知道过竖直线上的b点时,小球速度最大,由此可知在Q所形成的电场中,可以确定的物理量是        (  AD  )

A.b点场强    B.c点场强   

C.b点电势    D.c点电势

试题详情

6.下列说法正确的是                      

A.话筒是一种常用的声传感器,其作用是将电信号转换为声信号

B.楼道里的灯只有天黑时出现声音才亮,说明它的控制电路中只有声传感器

C.电子秤所使用的测力装置能将受到的压力大小的信息转化为电信号

D.光敏电阻能够把光照强弱这个光学量转换为电阻这个电学量     (  CD   )

试题详情

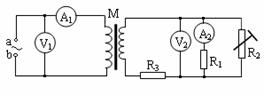
5.如图所示,M是一小型理想变压器,接线柱a、b 接在电压u=311sin314t(V)的正弦交流电源上,变压器右侧部分为一火警报警系统原理图,其中R2为用半导体热敏材料制成的传感器,电流表A2为值班室的显示器,显示通过R1的电流,电压表V2显示加在报警器上的电压(报警器未画出),R3为一定值电阻。当传感器R2所在处出现火警时,以下说法中正确的是( D  )

A.A1的示数不变,A2的示数增大

B.A1的示数增大,A2的示数增大

C.V1的示数增大,V2的示数增大

D.V1的示数不变,V2的示数减小

试题详情

4.下列由基本门组成的电路中,能使蜂鸣器发出声音的是( B  )

试题详情

3.如图所示为一理想变压器,原线圈匝数为n1,四个副线圈的匝数均为n2,四个副 线圈中负载电阻的阻值Ra=Rb=Rc=Rd,D为理想二极管。现从原线圈P、Q两端输入正弦交变电流,那么下列说法正确的是  (  D  )

A.只有流过Ra和Rd上的电流仍是交变电流

B.加在Ra两端的电压是Rb的两倍

C.Ra消耗的功率是Rb的两倍

D.若输入的正弦交变电流频率增大,Rc的功率减小,Rd的功率增大

试题详情

2.在集成电路中,经常用若干基本门电路组成复合门电路.如图所示,为两个基本门电路组合的逻辑电路,根据真值表,判断虚线框内门电路类型及真值表内x的值   (  B  )

A
B
Z
0
0
1
0
1
0
1
0
0
1
1
x

A.“或门”,1

B.“或门”,0

C.“与门”,1

D.“与门”,0

试题详情

1.第29届奥运会将于今年8月在北京举行,跳水比赛是我国的传统优势项目.某运动员正在进行10m跳台跳水训练,下列说法正确的是

A.为了研究运动员的技术动作,可将正在比赛的运动员视为质点

B.运动员在下落过程中,感觉水面在匀速上升

C.前一半时间内位移大,后一半时间内位移小

D.前一半位移用的时间长,后一半位移用的时间短           ( D )

试题详情

12.[温州中学·文]20.(本小题满分14分)已知,直线与函数的图象都相切于点

(1)求直线的方程及的解析式;

(2)若(其中的导函数),求函数的值域.

[解](1)直线是函数在点处的切线,故其斜率

所以直线的方程为             (2分)

又因为直线的图象相切,所以在点的导函数值为1.   所以    (6分)

(2)因为      (7分)

所以       (9分)

时,;当时,         (11分)

因此,当时,取得最大值        (13分)

所以函数的值域是.               (14分)

试题详情


同步练习册答案