0  312755  312763  312769  312773  312779  312781  312785  312791  312793  312799  312805  312809  312811  312815  312821  312823  312829  312833  312835  312839  312841  312845  312847  312849  312850  312851  312853  312854  312855  312857  312859  312863  312865  312869  312871  312875  312881  312883  312889  312893  312895  312899  312905  312911  312913  312919  312923  312925  312931  312935  312941  312949  447090 

14.(10分)矩形绝缘板固定在水平面上,另有一质量为m,带电量为q的小物块沿板的上表面以某一初速度从左端A水平向右滑上该板,整个装置处于竖直向下,足够大的匀强电场中,小物块沿板运动至右端B恰好停在板上.若强场大小不变而方向反向,当小物块仍由A端以相同的初速度滑上板面,则小物块运动到距A端的距离为板长2/3处时,就相对于板静止了.

求:⑴小物块带何种电荷?

⑵匀强电场场强的大小E

 

 

 

 

 

 

 

 

 

 

 

 

试题详情

13、(10分)15.如图所示,光滑圆弧轨道与光滑斜面在B点平滑连接,圆弧半径为R=0.4m,一半径很小、质量为m=0.2kg的小球从光滑斜面上A点由静止释放,恰好能通过圆弧轨道最高点D,g取10m/s2。求:

  (1)小球最初自由释放位置A离最低点C的高度h

(2)小球运动到C点时对轨道的压力大小FN

(3)若斜面倾斜角与图中θ相等,均为53°,小球离开D点至落到斜面上运动了多长时间?

试题详情

12. 某一电压表的刻度清楚,但刻度上的数字模糊不清了。某同学为了尽量准确地测定该电压表的量程(大于2.5 V,小于3.5 V)和内阻(大于1 k,小于3 k),设计了如图甲所示的电路图,图中是定值电阻。请按要求完成下列问题。

(1)请按照图甲中的电路图,在图乙的实物图上完成实物连线。

(2)实验室提供了下列器材:

   A.定值电阻,电阻值20      B.定值电阻,电阻值600

   C.电流表(量程l A,内阻O.5 )   D.电流表(量程10 mA,内阻50 )

   E.电流表(量程5mA,内阻100)   F.滑动变阻器R(50,允许最大电流1A)

   G.电池组(电动势6 V)         H.开关,导线若干

   为了测量尽可能准确,定值电阻应选用①__________;电流表A1应选用②__________;

电流表应选用③______________(以上各空均填器材的序号字母)。

   (3)该同学接通电路后,调节滑动变阻器,电压表达到满偏刻度时,电流表的读数为

,电流表的读数为,定值电阻的阻值用表示,电流表的内阻用表示,则该电压表的量程为①_________;内阻为②__________(用表示)。

试题详情

11.测量一小段金属丝的直径和长度,得到如下情形,则这段根金属丝直径①   ㎜,长度是②   ㎝。

试题详情

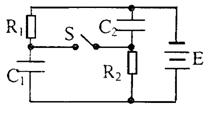
10.在右图所示的电路中,已知C1=C2,电阻R1>R2,电源电动势为E,内阻不计,当开关S由断开到接通时,下列说法正确的是(  )

     A.C1所带的电量变多,C2所带的电量变少

     B.电路稳定后C1所带的电量大于C2所带的电量

     C.C1和C2的电量都变多

     D.C1和C2的电量都变少

试题详情

9.如右图所示,曲线C1、C2分别是纯电阻直流电路中,内、外电路消耗的电功率随电流变化的图线.由该图可知下列说法中错误的是(    )

   A.电源的电动势为4V

B.电源的内电阻为1Ω

   C.电源输出功率最大值为8W

   D.电源被短路时,电源消耗的最大功率可达16W

试题详情

8、两个质量相同的小球用不可伸长的细线连结,置于场强为E的匀强电场中,小球1和小球2均带正电,电量分别为q1q2(q1q2)。将细线拉直并使之与电场方向平行,如图所示。若将两小球同时从静止状态释放,则释放后细线中的张力T为(不计重力及两小球间的库仑力)

A.   B.

C.   D.

试题详情

7.如图所示,图中的四个电表均为理想电表,当滑线变阻器滑动触点P向右端移动时,下面说法中正确是:

A.伏特表V1的读数减小,安培表A1的读数增大

B.伏特表V1的读数增大,安培表A1的读数减小

   C.伏特表V2的读数减小,安培表A2的读数增大

D.伏特表V2的读数增小,安培表A2的读数减小

试题详情

6.2008年9月25日至28日我国成功实施了“神舟”七号载入航天飞行并实现了航天员首次出舱。飞船先沿椭圆轨道飞行,后在远地点343千米处点火加速,由椭圆轨道变成高度为343千米的圆轨道,在此圆轨道上飞船运行周期约为90分钟。下列判断正确的是(  )

A.飞船变轨前后的机械能相等

   B.飞船在圆轨道上时航天员出舱前后都处于失重状态

   C.飞船在此圆轨道上运动的角度速度小于同步卫星运动的角速度

   D.飞船变轨前通过椭圆轨道远地点时的加速度大于变轨后沿圆轨道运动的加速度

试题详情

5. 如图是某中学科技小组制作的利用太阳能驱动小车的装置,当太阳光照射到小车上方的光电板,光电板中产生的电流经电动机带动小车前进。若小车在平直的水泥路上从静止开始加速行驶,经过时间t 前进距离s,速度达到最大值 vm,设这一过程中电动机的功率恒为P,小车所受阻力恒为F,那么 (   )

A.这段时间内小车先加速运动,然后匀速运动 

B.这段时间内电动机所做的功为 Pt

C.这段时间内电动机所做的功为    

D.这段时间内小车先做加速度减小的加速再做加速度增大的加速

试题详情


同步练习册答案