0  340067  340075  340081  340085  340091  340093  340097  340103  340105  340111  340117  340121  340123  340127  340133  340135  340141  340145  340147  340151  340153  340157  340159  340161  340162  340163  340165  340166  340167  340169  340171  340175  340177  340181  340183  340187  340193  340195  340201  340205  340207  340211  340217  340223  340225  340231  340235  340237  340243  340247  340253  340261  447090 

(浙江省杭十四中2008/2009学年度高三联考调研考试)

1.下列句子中字音、字形全部正确的一项是(   )

A.自然学者们常常把变异的惟一可能原因归之与如气候、食物等等外界条件,从某一狭隘(yì)的意义来说,这时正确的。

B.荔枝不耐贮(zhù)藏,人们一直设法延长它的贮藏期,以利于长途运输。

C.掐丝工人心里有谱,不用在铜苔上打稿,就能自由自在地粘(nián)成图画。

D.凡我所编缉(jī)的期刊,大概是因为往往有始无终之故罢,销行一向就甚为寥落。

试题详情

(三)(1)取少许样品,加入稀H2SO4,若溶液出现蓝色,说明红色物质中含有Cu2O反之则没有

试题详情

(二)(1)在装置A与B之间增加装有碱石灰的干燥管

(2)3CuO+2NH33Cu+N2+3H2O

试题详情

(三)问题讨论:

有同学认为:NH3与CuO反应生成的红色物质中可能含有Cu2O。已知:Cu2O是一种碱性氧化物;在酸性溶液中,Cu+的稳定性差(Cu+Cu+Cu2+)。请你设计一个简单的实验检验该红色物质中是否含有Cu2O:______________;

答案:(一)(1)2NH4Cl+Ca(OH)2CaCl2+2NH3↑+2H2O

(2)否

试题详情

(二)该小组中某同学设计了下图所示的实验装置(夹持及尾气处理装置未画出),探究氨气的还原性:

(1)该装置在设计上有一定缺陷,为保证实验结果的准确性,对该装置的改进措施是:________________________________________________________________________

________________________________________________________________________。

(2)利用改进后的装置进行实验,观察到CuO变为红色物质,无水CuSO4变蓝色,同时生成一种无污染的气体。写出氨气与CuO反应的化学方程式________。

试题详情

(一)制取氨气

(1)写出实验制取氨气的化学方程式_______________________________;

(2)有同学模仿排饱和食盐水收集氯气的方法,想用排饱和氯化铵溶液的方法收集氨气。你认为他能否达到目的?________(填“能”或“否”)。

试题详情

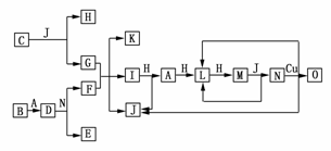
18.(2009·四川)已知A-O分别代表一种物质,它们之间的转化关系如下图所示(反应条件略去)。A、B、H分别是由短周期元素组成的单质。B与冷水缓慢反应,与沸水迅速反应,放出氢气。D是一种离子化合物,其阴阳离子的个数比为2?3,且能与水反应得到两种碱。C为淡黄色固体化合物,O能与G的水溶液反应生成蓝色沉淀。

请回答下列问题:

(1)组成B单质的元素位于周期表第________周期,第________族。化合物C的电子式为________________________________________________________________________。

(2)J的沸点比硒化氢(H2Se)的沸点高,其原因是_______________________________

___________________________________________________________。

(3)写出I与H在点燃条件下反应生成A和J的化学方程式:___________________。

(4)写出D与足量的N反应生成E和F的化学方程式:

________________________________________________________________________

________________________________________________________________________。

(5)上图中,在同一反应里一种物质作氧化剂,又作还原剂,这样的反应共有________个。

解析:B与冷水缓慢反应,与沸水迅速反应且产生H2,则B为Mg;D中阴阳离子的个数比为2?3,且能与水生成两种碱,则D为Mg3N2;C为淡黄色固体化合物,可确定C为Na2O2或K2O2,即

答案:(1)3 ⅡA Na+[?····?····?]2Na+或K+[?····?····?]2K+

(2)水分子之间存在氢键且化硒化氢的分子间作用力强

(3)4NH3+3O22N2+6H2O

(4)Mg3N2+8HNO3===3Mg(NO3)2+2NH4NO3

(5)2

19.(1)某学生课外活动小组利用如图所示装置分别做如下实验:

①在试管中注入某红色溶液,加热试管,溶液颜色逐渐变浅,冷却后恢复红色,则原溶液可能是________溶液;加热时溶液由红色逐渐变浅的原因是________。

②在试管中注入某无色溶液,加热试管,溶液变为红色,冷却后恢复无色,则此溶液可能是________溶液;加热时溶液由无色变为红色的原因是________________________________________________________________________

________________________________________________________________________。

(2)实验室可用如图所示装置(缺少收集装置,夹持固定装置部分略去)制备并收集NH3

①在图中方框内绘出用烧瓶收集NH3的仪器装置简图。

②试管中的药品是________(填写化学式)。

答案:(1)①稀氨水和酚酞 稀氨水中的NH3逸出

②溶有SO2的品红 SO2气体逸出,品红溶液恢复红色

(2)①如右图所示。②NH4Cl、Ca(OH)2

20.下图是甲、乙两位同学探究铜与稀硝酸反应还原产物的实验装置图,请回答下列问题:

(1)写出铜和稀硝酸反应的离子方程式____________。

(2)实验装置甲能否证明铜和稀硝酸反应的产物是NO气体________(填“能”或“不能”),请简述理由(包括化学方程式)是____________________________________。

(3)若用实验装置乙进行实验,检查装置乙气密性的操作是:____________________。

解析:(2)当烧瓶中有空气存在时,NO与O2会生成NO2,不能判断稀HNO3与Cu反应的产物。用乙装置进行实验时,可防止有O2与NO混合,干扰实验,所以乙装置能达到实验目的。

答案:(1)3Cu+8H++2NO===3Cu2++2NO↑+4H2O

(2)不能 因为烧瓶内有氧气,能氧化NO气体生成红棕色的NO2,2NO+O2===2NO2

(3)关闭活塞b打开活塞a,通过分液漏斗向U型管内加水,若加入少量水后漏斗中的水不再下滴,则说明该装置的气密性良好

21.(2009·江西省南昌二中高三第四次阶段考试)某校化学研究性学习小组的同学在学习了氨的性质后讨论:运用类比的思想,既然氨气具有还原性,能否像H2那样还原CuO呢?他们设计实验制取氨气并探究上述问题。请你参与该小组的活动并完成下列研究:

试题详情

17.(2009·江苏)下表所列各组物质中,物质之间通过一步反应就能实现如图所示转化的是                                                               ( )

 物质
 
 
 
选项 
a
b
c
A
Al
AlCl3
Al(OH)3
B
HNO3
NO
NO2
C
Si
SiO2
H2SiO3
D
CH2=CH2
CH3CH2OH
CH3CHO

解析:本题要特别注意物质之间的相互转化通过一步反应就能实现这个限制条件。如A项中Al(OH)3→Al,C项中H2SiO3→Si,D项中CH3CHO→CH2=CH2这三种变化都不能只通过一步反应而形成。B项:HNO3NO+O2+H2ON+O2+H2OO2

答案:B

试题详情

22.4 L  11.2 L

x=1。

答案:A

试题详情

16.(2009·宁夏)将22.4 L某气态氮氧化合物与足量的灼热铜粉完全反应后,气体体积为11.2 L(体积均在相同条件下测定),则该氮氧化合物的化学式为                  ( )

A.NO2          B.N2O2

C.N2O             D.N2O4

解析:设氮的氧化物为NxOy,则

2NxOy+2yCuxN2+2yCuO

2  x

试题详情


同步练习册答案