题目列表(包括答案和解析)

 0  168949  168957  168963  168967  168973  168975  168979  168985  168987  168993  168999  169003  169005  169009  169015  169017  169023  169027  169029  169033  169035  169039  169041  169043  169044  169045  169047  169048  169049  169051  169053  169057  169059  169063  169065  169069  169075  169077  169083  169087  169089  169093  169099  169105  169107  169113  169117  169119  169125  169129  169135  169143  447348 

8.压敏电阻的阻值会随所受压力的增大而减小.某位同学利用压敏电阻设计了判断电梯运动状态的装置,其原理示意图如图所示,将压敏电阻平放在电梯内,受压面朝上,在上面放一物体m,当电梯静止时电流表的示数为I0,当电梯在其它不同的运动过程中,电流表的示数分别如图甲、乙、丙、丁所示,则下列判断中正确的是

A.甲图表示电梯可能做匀速直线运动

B.乙图表示电梯可能做匀加速上升运动

C.丙图说明电梯内的物体处于超重状态

D.丁图说明电梯内的物体处于失重状态

试题详情

7.质量为M的汽车,以额定的功率P由静止开始在平直路面上行驶,若汽车所受阻力恒为f,则由上述条件可求出的物理量有

A.汽车行驶的最大速度

B.达到最大速度的过程中汽车通过的路程

C.汽车速度为v(已知)时加速度的大小

D.达到最大速度的过程中汽车克服阻力所做的功

试题详情

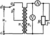
6.如图所示为一理想变压器,b是原线圈的中心接头,电压表V和电流表A均为理想交流电表,除滑动变阻器的电阻R以外,其余电阻均不计.在原线圈cd两端加上交变电压,下列说法中正确的是

A.单刀双掷开关始终与a连接,当滑动片P向下滑动时,电压表的示数增大

B.单刀双掷开关始终与a连接,当滑动片P向下滑动时,电流表的示数增大

C.保持P的位置不变,当单刀双掷开关由触点a拨到触点b后,电压表的示数减小

D.保持P的位置不变,当单刀双掷开关由触点a拨到触点b后,变压器的输入功率增大

试题详情

5.如图所示,AB两物体通过轻细绳跨过定滑轮相连接,已知物体A的质量大于物体B的质量,开始它们处于静止状态.在水平拉力F的作用下,物体A向右做变速运动,同时物体B匀速上升.设水平地面对物体A的支持力为N,对A的摩擦力为f,绳子对A的拉力为T.那么在物体B匀速上升的过程中,下列说法中正确的是

A.NfT都增大      B.NfT都减小

C.Nf增大,T不变     D.NT减小,f不变

试题详情

4.如图所示,带正电的点电荷固定于Q点,电子在库仑力作用下做椭圆运动,Q位于椭圆的一个焦点上.MPN为椭圆上的三点,其中P点是轨道上离Q最近的点.电子在从MP运动到N点的过程中

A.速率先增大后减小     B.速率先减小后增大

C.电势能保持不变     D.电势能先增大后减小

试题详情

3.美国的NBA篮球赛非常精彩,吸引了众多观众.经常有这样的场面:在临终场前,运动员把球投出且准确命中,获得比赛的胜利.如果运动员投篮的过程中对篮球做的功为W,出手高度(相对地面)为,篮筐距地面高度为,球的质量为,空气阻力不计.下列说法中正确的是

A.篮球出手时的动能为

B.篮球进框时的动能为

C.篮球从出手到进框的过程中,其重力势能增加了

D.篮球从出手到进框的过程中,重力对它做的功为

试题详情

2.如图所示的电路可将声音信号转化为电信号.该电路中, a是能在声波驱动下沿水平方向振动的镀有金属层的振动膜,b是固定不动的金属板,ab构成了一个电容器,且通过导线与稳恒电源两极相接.当声源S发出的声波推动a在一定范围内振动的过程中,下列说法中正确的是

A.ab板之间的电场强度不变

B.ab板所带的电荷量不变

C.电路中始终有方向不变的电流

D.a板向右的位移最大时,电容器的电容最大

试题详情

1.下列叙述中,不符合历史事实的是

A.法拉第发现了电磁感应现象

B.牛顿总结出了万有引力定律并测量出了万有引力常量

C.库仑总结并确认了真空中两个静止点电荷之间的相互作用

D.伽利略在研究自由落体运动时将实验事实和逻辑推理和谐地结合起来

试题详情

17.(12分)举重运动是力量和技巧充分结合的体育项目。就抓举而言,其技术动作可分为预备、提杠铃、发力、下蹲支撑、起立、放下杠铃等六个步骤,如图甲所示照片表示了其中的几个状态。现在只研究从发力到支撑这个过程,测得轮子在照片中的直径d=0.9cm,在照片上用尺量出从发力到支撑,杠铃上升的距离为1.4cm。已知运动员所举杠铃的直径0.45m,质量m=150kg。运动员从发力到支撑所用的时间0.7s,为了简便起见,可以认为在该过程中运动员作用在杠铃上的竖直向上的作用力与时间的关系如图乙所示,在该过程中杠铃的速度与时间的关系如图丙所示,空气阻力不计,g取l0m/s2,则(1)估算在从发力到支撑的过程中杠铃向上运动的最大速度vm;(2)求F-t图像中F0的值。

Key:vm=2m/s  F0=2100N

试题详情

16.(12分)如图所示,虚线为相邻两个匀强磁场区域1和区域2的边界,磁场的方向都垂直纸面向里。区域1的磁感应强度的大小为B,区域2的磁感应强度的大小为3B/4。两个磁场区域的宽度都是d,一质量为m、电量为q的粒子,沿垂直于区域1边界的初速从A点射人区域1并进入区域2,最后恰好未能穿出区域2,求此带电粒子的速度。(不计粒子重力。)

Key:v=7Bqd/4m

试题详情


同步练习册答案