题目列表(包括答案和解析)

 0  168870  168878  168884  168888  168894  168896  168900  168906  168908  168914  168920  168924  168926  168930  168936  168938  168944  168948  168950  168954  168956  168960  168962  168964  168965  168966  168968  168969  168970  168972  168974  168978  168980  168984  168986  168990  168996  168998  169004  169008  169010  169014  169020  169026  169028  169034  169038  169040  169046  169050  169056  169064  447348 

11.(10分)测量一块量程已知的电压表的内阻,器材如下:

A.待测电压表(量程3V,内阻未知)    B.电流表(量程3A,内阻0.01Ω)  

C.定值电阻(阻值5kΩ,额定电流0.5A)  D.电池组(电动势小于3V,内阻不计)

E.多用电表一块   F.开关两只     G.导线若干

有一同学利用上面所给器材,进行如下实验操作:

 (1) 用多用电表进行粗测:多用电表电阻档有3种倍率,分别是×100Ω、×10Ω和×1Ω。该同学选择×10Ω倍率,用正确的操作方法测量时,发现指针偏转角度太小。为了较准确地进行测量,应重新选择  ▲  倍率。重新选择倍率后,刻度盘上的指针位置如图所示,那么测量结果大约是   ▲   Ω。 

(2)为了更准确的测出该电压表内阻的大小,该同学设计了如图甲、乙两个实验电路。你认为其中较合理的是  ▲  (填“甲”或“乙”)电路。其理由是: ▲  _________________

(3)用你选择的电路进行实验时,需要直接测量的物理量   ▲     ;用上述所测各量表示电压表内阻,其表达式应为Rv    ▲   

试题详情

10.(10分)用纳米技术处理过的材料叫纳米材料,其性质与处理前相比会发生很多变化,如机械性能会成倍地增加,对光的反射能力会变得非常低,熔点会大大降低,甚至有特殊的磁性质。

现有一种纳米合金丝,欲测定出其伸长量x与所受拉力F、长度L、截面直径D的关系。

   ⑴测量上述物理量需要的主要器材是:   ▲    ▲     ▲  等。

⑵若实验中测量的数据如下表所示,根据这些数据请写出xFLD间的关系式:

x=  ▲    (若用到比例系数,可用k表示)

 

长度L/cm

 
50.0
100.0
200.0
5.00
0.040
0. 20
0.40
0.80
10.00
0.040
0. 40
0.80
1.60
5.00
0.080
0. 10
0.20
0.40

⑶在研究并得到上述关系的过程中,主要运用的科学研究方法是  ▲  (只需写出一种)

⑷若有一根合金丝的长度为20cm,截面直径为0.200mm,使用中要求其伸长量不能超过原长的百分之一,那么这根合金丝能承受的最大拉力为  ▲   N。

试题详情

9.电冰箱工作时,冰箱内部的食物温度降低,位于冰箱后背的散热器温度升高,散发热量.某位同学利用物理课中学过的热学知识,设法测量了电冰箱一段工作时间t内散热器发出的热量Q.在这段时间内冰箱压缩机消耗的电能为E(E=Pt,P为电冰箱压缩机的额定功率),以下四组数据是Q与E的百分比,其中肯定不符合事实的是 (   )

   A.200%     B.160%     C.60%    D.80%

第二卷(非选择题  共89分)

试题详情

8.如上图所示,在水平的光滑平板上的O点固定一根原长为l0的劲度系数为k的轻弹簧,在弹簧的自由端连接一个质量为m的小球(可视为质点).若弹簧始终处在弹性范围内,将平板以O为转轴在竖直面内逆时针缓慢转动,直至平板变为竖直状态,则在此过程中

  A.球的高度不断增大

  B.若弹簧的长度l0一定,则球的质量m足够大时,总能使球的高度先增大后减小

  C.若球的质量m一定,则弹簧的长度l0足够小时,总能使球的高度先增大后减小

  D.球的高度变化情况仅与球的质量m有关,而与弹簧的原长l0无关

试题详情

7.“神舟六号”载人飞船2005年10月12日升空,在太空环绕地球飞行77圈后于10月17日顺利返回,这标志着我国航天事业又迈上了一个新台阶.假定正常运行的“神舟六号”飞船和通信卫星(即地球同步卫星)做的都是匀速圆周运动.下列说法正确的是

A.“神舟六号”飞船的线速度比通信卫星的线速度小

B.“神舟六号”飞船的角速度比通信卫星的角速度大

C.“神舟六号”飞船的运行周期比通信卫星的运行周期大

D.“神舟六号”飞船的向心加速度比通信卫星的向心加速度大

试题详情

6.从地面竖直上抛一个质量为m的小球,小球上升的最大高度为H,设上升过程中空气阻力f恒定.对于小球从抛出到上升至最高处的过程,下列说法正确的是

A.小球的动能减少了mgH     B.小球的机械能减少了fH

C.小球的重力势能增加了mgH   D.小球的加速度大于重力加速度g

试题详情

5.一匀强电场的电场强度E随时间t变化的图像如图所示,在该匀强   电场中,有一个带电粒子于t=0时刻由静止释放,若带电粒子只受电场力作用,则下列说法中正确的是(   )

A.带电粒子只向一个方向运动 B.0s-2s内,电场力的功等于0

C.4s末带电粒子回到原出发点 D.2.5s-4s,电场力冲量等于0

试题详情

4. 如图所示,光滑物块A从光滑斜面B的上端下滑。第一次B固定在水平面上时,A下滑受支持力为F1;第二次B置于光滑水平面上时,A下滑受支持力为F2,以下说法正确的是(  )

    A.F1和F2方向一致,且F1=F2

    B.F1和F2方向一致,且F1>F2

    C.F1和F2方向不同,且F1=F2

    D.F1和F2方向不同,且F1>F2

试题详情

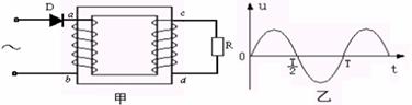
3.如图甲所示,在变压器的输入端串接上一只整流二极管D,在变压器输入端加上如图乙所示的交变电压u1=Um1sinωt,设t=0时刻为a“+”、b“-”,则副线圈输出的电压的波形(设c端电势高于d端电势时的电压为正)是下图中的(  B  )

试题详情

2.现将电池组、滑线变阻器、带铁芯的线圈A、线圈B、电流计及开关如右图连接.在开关闭合、线圈A放在线圈B中的情况下,某同学发现当他将滑动变阻器的滑片P向左加速滑动时,电流计指针向右偏转.由此可以推断

A.线圈A向上移动或滑动变阻器的滑片P向右加速滑动,都引起电流计指针向左偏转

B.线圈A中铁芯向上拔出或断开开关,都能引起电流计指针向右偏转

C.滑动变阻器的滑片P匀速向左或匀速向右滑动,都能使电流计指针静止在中央

D.因为线圈A、线圈B的绕线方向未知,故无法判断电流计指针偏转的方向

     第2题                    第3题

试题详情


同步练习册答案