0  123726  123734  123740  123744  123750  123752  123756  123762  123764  123770  123776  123780  123782  123786  123792  123794  123800  123804  123806  123810  123812  123816  123818  123820  123821  123822  123824  123825  123826  123828  123830  123834  123836  123840  123842  123846  123852  123854  123860  123864  123866  123870  123876  123882  123884  123890  123894  123896  123902  123906  123912  123920  447090 

1.下列有关噪声的叙述,错误的是          ( )

A.发声体做无规则振动发出的声音是噪声

B.妨碍人们正常工作、学习和休息的声音都是噪声

C.在中考期间考场附近机动车禁鸣喇叭属于在传播过程中减弱噪声

D.在校园内植树可以减弱校外传来的噪声

试题详情

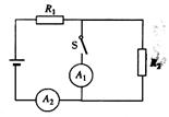
28.在下图示的电路中,R1、R2为两个阻值相等的电阻。闭合开关S前,电流表A2的示数为0.3A,R1消耗的功率为0.9W求:

  (1)电阻R1两端的电压。(3分)

  (2)电阻R1的阻值。(3分)

  (3)电源电压。(4分)

  (4)闭合开关S后,电流表A1、A2的示数。(4分)

试题详情

27.滑轮是我们日常生活和生产中常用的简单机械,使用滑轮能给我们带来许多好处。

  (1)请分析下图中的实验,说明图中滑轮的特点;(3分)

(2)小明按如下图所示的滑轮组实验时,用F=5N的拉力在3s内将重为12N的物体匀速提高了10cm。求:滑轮组的机械效率为多少,拉力F的功率是多少?(6分)

试题详情

26.实验桌上有如下器材:符合实验要求的电源一个、电流表和电压表各一只、开关一个、  各种阻值已知的定值电阻和导线若干。要求从实验桌上选择适当器材,设计一个实验证明:“当通过电阻的电流保持不变时,电阻消耗的电功率与该电阻的阻值成正比”。请:(1)画出实验电路图;(2)写出实验步骤。(6分)

试题详情

25.在“测滑轮组的机械效率”的实验中,用下图所示的同一滑轮组进行两次实验实验所记录的数据如下表所示。(g取10N/kg)(4分)

次数
钩码质量
/g
钩码上升高度
/m
弹簧测力计
示数/N
弹簧测力计
移动距离/m
l
100
0.1
0.5
0.3
2
300
0.1
1.2
0.3

(1)在下图中画出实验时滑轮组的绕线方法。

(2)计算第2次实验时的机械效率=     %。(结果保留一位小数)

试题详情

24.小明做“研究液体的压强”实验时得到的几组数据如下表。

序号
液体
深度/cm
橡皮膜方向
压强计左右液面
高度差/cm
1

5
朝上
4.8
2

5
朝下
4.8
3

5
朝侧面
4.8
4

10
朝侧面
9.5
5

15
朝侧面
14.2
6
酒精
15
朝侧面
11.4

根据表中的数据,请回答下列问题:(6分)

(1)比较序号为1、2、3的三组数据,可得出的结论是:           

(2)比较序号为3、4、5的三组数据,可得出的结论是:           

(3)比较序号为5、6的两组数据,可得出的结论是:            

试题详情

23.如下图所示为“研究杠杆平衡的条件”的实验装置。实验时,应先向     调节杠杆两端的平衡螺母(选填“左”或“右”),使杠杆在      位置保持平衡。(4分)

试题详情

22.在下图所示的电路中,有一根导线尚未连接,请用笔线代替导线补上,使之成为正确的电路。补上后要求:闭合开关S,当移动滑动变阻器的滑片时,电流表的示数不变。

试题详情

21.在下图中,根据所给电流方向,标出通电螺线管的N、S极。

试题详情

20.在下图中的小球重10N,画出它受到重力的示意图。

试题详情


同步练习册答案