0  123840  123848  123854  123858  123864  123866  123870  123876  123878  123884  123890  123894  123896  123900  123906  123908  123914  123918  123920  123924  123926  123930  123932  123934  123935  123936  123938  123939  123940  123942  123944  123948  123950  123954  123956  123960  123966  123968  123974  123978  123980  123984  123990  123996  123998  124004  124008  124010  124016  124020  124026  124034  447090 

4.电能表可以直接测定

A.电流           B.电能            C.电阻            D.电功率

试题详情

3.把电阻R1和R2串联在电路中,已知R1>R2,通电时,通过它们的电流分别为I1和I2,则

A.I1<I2           B.I1>I2            C.I1=I2            D.无法判断。

试题详情

2.公式的物理意义是

A.加在导体两端的电压越大,导体的电阻就越大

B.通过导体的电流越大,导体的电阻就越小

C.导体中的电阻与导体两端的电压成正比,与电流成反比

D.导体的电阻的大小等于导体两端的电压与导体中通过的电流之比+

试题详情

1.一盏灯和一个滑动变阻器串联,要使灯的亮度变暗,应使滑动变阻器的阻值

A.变大           B.变小            C.保持不变        D.无法确定

试题详情

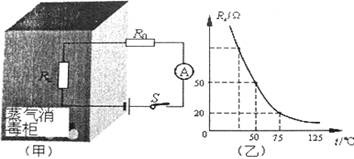
21、学校食堂内普遍使用高温高压蒸气消毒柜对餐具进行消毒,图(甲)为自动测定消毒柜内温度的电路原理图,其中R0为定值电阻,A为温度指示计(其实质是一只量程为0.6A的电流表),RX为热敏电阻,其阻值与温度的关系如图(乙)所示。

⑴、若柜内温度t1为50℃时,对应的电流为0.2A;柜内温度t2为75℃时,对应的电流为0.4A。求电源总电压U及电阻R0的阻值。

⑵、若柜内温度t3为125℃时,对应的电流为0.6A,求此时热敏电阻的阻值。

试题详情

20、汽车在行驶中由于路况和车速的不同,发动机(汽车的发动机实际上是一个热机)的实际功率也不同,通常情况下实际功率要小于它的最大功率。下表是某型号轿车的相关数据:

发动机最大功率
30kW
百公里油耗(100km/h匀速行驶)
6L(某标号汽油)
最大车速
170km/h

(某标号汽油的密度约为0.8×103㎏/m3,热值约为4.5×107J/㎏)

若该轿车以100km/h的速度匀速行驶,问:

⑴、该轿车行驶1h消耗的汽油是多少千克? 

⑵、该轿车行驶1h消耗的汽油完全燃烧放出的热量是多少焦耳?

⑶、该轿车发动机的效率是30%,发动机的实际功率是多少瓦? 

试题详情

19、如图12所示,R1=12Ω,R2=4Ω,将它们串联后接到8V的电源上,求:

⑴、串联电路的总电阻;

⑵、电路中的电流。

试题详情

18、如图所示是小松同学测定滑轮组机械效率的实验装置,小松同学实验中测量的有关数据如下表所示:

⑴、请你根据表中数据在图中画出实验时滑轮组的绕线情况,并填好表中的空格。

⑵、若提升的钩码重增加到6N,则该滑轮组的机械效率将    (填“变大”、“变小”或“不变”)。 

⑶、小松在实验过程中,应当     向下拉动弹簧测力计,才能通过弹簧测力计准确读出拉力的大小。

试题详情

17、程跃同学要做“伏安法测量小灯泡电功率”的实验,请你跟随程跃边实验边思考,逐一回答下面的几个问题:

⑴、请在下图方框内画出该实验的电路图。

⑵、实验时,程跃刚连完最后一根导线,立即看到灯泡发出明亮的光。在一旁观察的小强一惊,提醒程跃实验中有问题。程跃想:我的实验连线没有出问题啊!请你帮助程跃找出实验中两个操作不当之处:

                    

                    

⑶、程跃选用的小灯泡的额定电压是2.5V,当小灯泡正常发光时电流表的读数如图所示,此小灯泡的额定功率是    W。

⑷、做完实验后,程跃将测灯泡实际功率的实验与测某一电阻阻值的实验进行比较,发现这两个实验有许多相似的地方,也有不同之处。请你写出一个不同之处:

                                  

⑸、程跃根据测量灯泡实际功率的多组实验数据作出了I-U图像,如图所示,结果发现图像不是直线。这表明通过灯泡的电流与它两端的电压不成正比。程跃很纳闷,请你帮助他分析其中的原因。

答:                              

试题详情

16、如图所示木块A的长度是    ㎝;图中所测物体质量是    g。

 

试题详情


同步练习册答案