0  123905  123913  123919  123923  123929  123931  123935  123941  123943  123949  123955  123959  123961  123965  123971  123973  123979  123983  123985  123989  123991  123995  123997  123999  124000  124001  124003  124004  124005  124007  124009  124013  124015  124019  124021  124025  124031  124033  124039  124043  124045  124049  124055  124061  124063  124069  124073  124075  124081  124085  124091  124099  447090 

22.在用电压表、电流表测量小灯泡电功率的实验中,灯泡上标有“2.5V”的字样。

(1)小红根据电路图连接了如图所示的实验电路,小刚检查后发现有一根导线连接有错误。请你在这根导线上打“×”,并用笔画线代替导线,画出正确的连线。

(2)电路改正后,小红闭合开关,发现灯泡不亮,电流表无示数,而电压表示数接近3V,取下灯泡,两表的示数仍不变。出现故障的原因可能是    

(3)故障排除后,开始进行实验,小刚根据测出的数据,在图中画出了小灯泡电流电压变化的关系图像。由图可以判断,小灯泡的额定功率为      W。

(4)根据下图还可以判断,小灯泡灯丝的电阻随电压的增大逐渐     ,原因是             

试题详情

21.如图所示,在探究电流产生的热量与哪些因素有关的实验中

 (1)通过观察      来判断电流产生的热量的多少。

(2)图中甲、乙两根电阻丝是串联的,这是为了研究电流产生的热量与     的关系。

试题详情

20.如图所示,一小木块从斜面上滑下,在粗糙的水平面上滑动一段距离后便停下来。请你画出木块在水平面上滑动时的受力示意图。

试题详情

19.如图所示,S是一个发光点,S′是它通过平面镜所成的像,SAS发出的一条光线。请在图中画出平面镜的位置和SA经平面镜反射后的光线。

试题详情

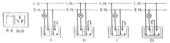
18.家庭电路中需要安装一个“一开三孔”开关(即一个开关和一个三孔插座不存在一起),要求插座能单独使用,开关能控制电灯且符合安全用电原则。从实物正面观察,图所示的几种接线中符合要求的是

试题详情

17.少林功夫名扬天下,“二指禅”绝活令人称奇。表演时,人体倒立,只用中指和食指支撑全身的重量,如图所示。这时两手指对地面的压强最接近于

A.3×102Pa   B.3×104Pa   C.3×106Pa   D.3×108Pa

试题详情

16.关于能源的开发和利用,下列说法中正确的是

A.天然气是可再生能源

B.可通过太阳能电池把光能转化成电能

C.煤和石油的大量燃烧不会导致温室效应

D.秦山核电站利用的是核聚变释放的能量

试题详情

15.物理研究中常常用一个抽象的“模型”来形象地突出事物的主要特征,如:可以用一条有方向的直线--光线,来表示光的传播方向。下列事例中,也用到这种方法的是

A.研究电流时把它与水流相比  B.用音叉溅起的水花显示音叉的振动

C.用水银气压计测量大气压   D.利用磁感线来描述磁场

试题详情

14.在“探究凸透镜的成像规律”时,把蜡烛放在凸透镜前30cm处,光屏上可接收到倒立缩小清晰的像。则该凸透镜的焦距可能为

A.10cm        B.15cm        C.20cm        D.30cm

试题详情

13.下列现象中,通过热传递改变物体内能的是

A.打开啤酒瓶盖,瓶口处气体温度降低

B.放进冰箱冷冻室的水变成冰块

C.在汽油机的压缩冲程中,汽缸内的温度升高

D.用手来回弯折铁丝,弯折处铁丝温度升高

试题详情


同步练习册答案