0  124118  124126  124132  124136  124142  124144  124148  124154  124156  124162  124168  124172  124174  124178  124184  124186  124192  124196  124198  124202  124204  124208  124210  124212  124213  124214  124216  124217  124218  124220  124222  124226  124228  124232  124234  124238  124244  124246  124252  124256  124258  124262  124268  124274  124276  124282  124286  124288  124294  124298  124304  124312  447090 

13.下列说法中正确的是

  A.地震发生时水塘内的鱼恐慌极了,争着跳离水面,说明水能传播地震波

  B.雨滴落在地面会发出声音,说明物体不振动也可以发声

  C.下雨时搜救人员很难听清废墟中幸存者微弱的呼救声,说明幸存者的呼救声是噪声

  D.“帐篷里的小王用纸团塞着耳朵睡觉,是为了阻断噪声的传播

试题详情

12.支援灾区的志愿者带着一瓶冰镇矿泉水从山脚出发,爬到山腰处拿出来喝时发现水温升高了,下列说法中正确的是

A.水的内能增加是通过做功实现的 

B.水的机械能增加了

C.水温上升,水分子运动加剧,所以瓶内水面很不平静

D.将板蓝根颗粒冲剂放入水瓶内,颗粒很快"化”了,说明板蓝根的熔点较低

试题详情

11.震灾后,灾区容易产生大量的致病菌感染人体。关于原子、电子、病菌(直径为微米级)的大小,按由小到大的顺序排列的是

A.原子、电子、病菌          B.电子、原子、病菌

C.电子、病菌、原子          D.原子、病菌、电子

试题详情

10. 2008年5月12日14时28分,我省阿坝州汶川县境内发生里氏8.0级强烈地震,造成了重大的人员伤亡和财产损失。党和政府迅速动员全社会力量,投入抢险救灾。下列关于灾区常见的几种用品的文字说明错误的是

试题详情

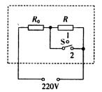
2.CFX.B型“220V 1100W”电饭煲的原理图如下图所示,它有高温烧煮和焖饭、保温两挡,通过单刀双掷开关S进行调节,R0为电热丝。当开关S接高温烧煮挡时,电路的功率为1100W,当开关S接焖饭、保温挡时,电路的总功率为22W。

   (1)电饭煲在高温烧煮挡时;开关S应与哪个触点连接?(2分)[只回答结论即可]

(2)电热丝R0的阻值多大?(3分)

   (3)当电饭煲在正常焖饭、保温时电路中的电流多大?焖饭、保温10min,电热丝R0产生的热量为多少?(6分)

试题详情

1.某电水壶的铭牌如下表所示。

龙日牌电水壶
型号
LRDH9913
额定电压
220V
额定功率
l 500W
最大水量
1 kg
频率
50 Hz

   (1)电水壶在额定电压下工作时的电流是多少?(3分)

   (2)此电水壶正常工作5 min消耗的电能?(3分)

   (3)若实际平均每天使用1 h电水壶烧水,那么一个月(30天)使用电水壶需用多少电?(3分)

试题详情

2.在家庭电路中,为什么导线相互连接处往往比别处更易发热,加速老化,甚至引起火灾?(3分)

试题详情

1.手机(移动电话)与固定电话使人们生活中的信息交流更方便,快捷。通过学习有关知识,手机与固定电话分别是利用什么来传递声音信息的?(3分)

试题详情

5.在“测定小灯泡的功率”实验中:(9分)

(1)请在下图中的圆圈内填入正确的电表符号,使实验电路图完整。

(2)上图中的实验连接有一处错误,请在错误连线上打“×”,并用笔画线替代导线画上正确的连线。

   (3)在纠正电路连接错误的操作过程中,应使开关处于       状态。

   (4)实验中,移动滑动变阻器的滑片,使电压表示数为2.5V.此时电流表示数如图所示。请将读数填入下表,并把表格补充完整。

电压U/V
电流I/A
电功率P/W
灯的亮暗程度
2.5
 
 
正常发光
2.0
0.26
0.52
偏暗
3.0
0.33
0.99
更亮

   (5)从上表实验记录中,可以发现灯泡亮暗不同时其实际功率大小       ;还可以计算的另一个物理量是      

试题详情


同步练习册答案