0  124157  124165  124171  124175  124181  124183  124187  124193  124195  124201  124207  124211  124213  124217  124223  124225  124231  124235  124237  124241  124243  124247  124249  124251  124252  124253  124255  124256  124257  124259  124261  124265  124267  124271  124273  124277  124283  124285  124291  124295  124297  124301  124307  124313  124315  124321  124325  124327  124333  124337  124343  124351  447090 

22.如图所示,悬挂在细金属丝上的金属棒AB处在磁场中.

   (1)当C、D两个线头没有接到电池组的正、负极上时,AB棒保持静止不动,而一旦使C、D两个线头接触到电池组的正、负极时,AB棒立即摆动起来,这一现象说明了什么?

   (2)细心的同学还会注意到,当两个线头分别接触C、D两极时,金属棒相对蹄形磁铁向里摆动,而如果将两个线头对调一下再接触C、D两极,则看到金属棒相对蹄形磁铁向外摆动,这一现象说明了什么?

   (3)如果两个线头像图示那样接触C、D,而把蹄形磁铁上下翻转一下(S极在上),则金属棒也相对蹄形磁铁向外摆动,这一现象说明了什么?

   (4)从以上的实验过程中你学到了什么?对你以后的学习和探究有什么启迪?

试题详情

21.一台发电机输出电压为220V,输出功率为110 kW,用电阻为0.3的导线把电能输送到远处时,问:

   (1)如果用220V的电压直接输送,在导线上的功率损失是多少?

   (2)如果先用变压器将电压升高到6 000V,然后再输送,那么导线上的功率损失是多少?

   (3)比较(1)、(2)结果,可得出什么结论?

试题详情

20.给你一个带铁心的螺线管、蓄电池、开关、滑动变阻器,如图所示。

   (1)用笔画线代替导线,把它们连接起来(连线不要交叉),要求满足以下两点要求:

   ①组成一个可以改变电磁铁磁性强弱的电路.

   ②当滑动变阻器的滑片向左滑动时,电磁铁的磁性增强.

   (2)标出通电电磁铁的N、S极.

试题详情

19.如图所示,从一个不能打开的盒子(内有电池组等电路元件)上的两个小孔中伸出一段细软的长导线,试在不断开该导线的情况下,设计两种不同的方法判断该导线中是否有电  流,并根据你的设计填写下表: 

 
所有器材
主要实验步骤及判断导线中是否有电流的方法



 
 



 
 

试题详情

18.我市一所农村初级中学,常常因为不能及时给水塔注水而停水.小明知道后,想利用如图所示的器材设计一个自动注水装置:A是浮子(重约5 N),B是金属触头(重约10N),C为水塔上的柱形蓄水池,M是带水泵的电动机,D是弹簧,E是衔铁,F是电磁铁,S1、S2分别为触头开关.

   (1)请你写出该装置涉及的主要物理知识. 

   (2)连接电路图. 

   (3)按设计要求,小明将设备组装调试,投入使用.几天后,学校又停水了,检查发现:水塔已无水,但电路连接无误,电动机、水泵完好无损.请你分析该装置没有实现自动注水的原因,怎样改进? 

试题详情

17.请在图中标出:

   (1)通电螺线管A端和永磁体B端的磁极.

   (2)磁感线的方向.

试题详情

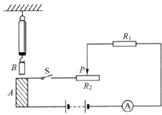
16.如图所示,A为螺线管,B为悬挂在弹簧测力计下的铁块,R1为定值电阻,R2为滑动变阻器,当滑片P从左端移到右端时   (   )

   A.电流表和弹簧测力计的示数都变大

   B.电流表和弹簧测力计的示数都减小

   C.电流表示数变大,弹簧测力计的示数减小

   D.电流表示数减小,弹簧测力计的示数变大

试题详情

15.一束带负电的电子流经过一暗盒附近,运动轨迹发生偏转,如图所示.则暗盒中可能存在的物体为   (   )

①磁铁  ②铅块  ③带正电荷的物体  ④带负电荷的物体

A.①③   B.②③         C.②④        D.只可能是③

试题详情

14.“神舟号”系列飞船的成功发射和顺利回收,标志着我国载人航天技术的研究已经进入世界领先行列,我国宇航员登上月球即将成为现实.月球表面周围没有空气,它对物体的引力仅为地球上的1/6,月球表面没有磁场.根据这些特征,在月球上,下列四种情况能够做到的是  (   )

A.用指南针定向  B.用电风扇吹风  C.举行露天演唱会   D.用天平称质量

试题详情

13.如图所示,M是一个用细导线绕成的螺线管,当闭合开关S后,M的民度将 (   )

   A.伸长    B.缩短        C.不变        D.先伸长,后缩短

试题详情


同步练习册答案