0  124160  124168  124174  124178  124184  124186  124190  124196  124198  124204  124210  124214  124216  124220  124226  124228  124234  124238  124240  124244  124246  124250  124252  124254  124255  124256  124258  124259  124260  124262  124264  124268  124270  124274  124276  124280  124286  124288  124294  124298  124300  124304  124310  124316  124318  124324  124328  124330  124336  124340  124346  124354  447090 

5.一只标有“220V 5A 3 000r/(kW·h)”的电能表接在家庭电路巾,当只让一只灯泡发光时,测得转盘转过l5r所用时间为3min,则这段时间内该灯泡消耗的电能是    J,灯泡的实际功率为    

试题详情

4.如图所示是某型号电池外壳上的说明文字.由说明可知该电池可储存的电能是   J,若该电池平均工作电流为0.03A,则最多可使用    h,图案打“×”的表示普通垃圾箱,它告诉我们        .(注:BECHARGEABLE可再充电池,STANDARDCHARGE标准充电)

试题详情

3.微电子控制电热水瓶的铭牌如下表,由此可知,在额定电压下工作,保温时通过电热水瓶的电流约是     A(保留两位小数);煮水6min,消耗的电能是     kW·h.

试题详情

2.家用电能表是用来测量        的仪表.功率为100W的白炽灯正常工作4 h耗电       kW·h.

试题详情

1.若要将一个规格为“6V 3W”的小灯泡接在24V的电源上正常发光,必须串联一个阻值为    的电阻,该电阻的功率至少为     

试题详情

25.图(b)、(c)是HG2003家用蒸汽电熨斗示意图和铭牌.使用时水箱中的水滴入被加热的底板汽室迅速汽化产生向下的蒸汽.

额定电压
220V
功能
汽烫、干烫
额定频率
50Hz
蒸汽方式
滴下式
额定功率
1 000W
质量
1.3kg
底面面积
160cm2
放置方式
自立式

                    (c)

   (1)某师傅在用熨斗干烫衣服时,用了32 N向下的力压熨斗,在此过程中,衣服受到的压强是多大?

   (2)用熨斗汽烫时先预热,使金属底板的温度从20℃升高到220℃,温控开关自动断开.已知底板的质量为1kg,铁的比热容为0.46×103 J/(kg·℃),问蒸汽电熨斗预热时底板吸收多少热量?

   (3)汽烫时,水滴入汽室,由于水升温汽化带走热量.当底板温度降到190℃时,温控开关自动闭合,当加热到220℃时又断开,如此反复.若蒸汽电熨斗大体按图(a)所示程序工作,10min烫一件衣服共消耗多少电能?(14分)(g取10N/kg)

试题详情

24.某电水壶的铭牌如下表所示.

(1)电水壶在额定电压下工作时的电流是多少?

(2)此电水壶正常工作5 min消耗多少电能?

(3)若实际电压只有110V,则电水壶的实际功率是多少?(不考虑温度对电阻的影响)

龙日牌电水壶
型号
LRDH9913
额定电压
220V
额定功率
1500W
最大水量
1kg
频率
50Hz

试题详情

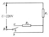
23.饮水机是一种常见的家用电器,其工作原理可简化为如图所示的电路,其中S是一个温控开关,R1为发热板,当饮水机处于加热状态时,水被迅速加热,达到预定温度时,开关S自动切换到另一挡,饮水机便处于保温状态.

   (1)试确定温控开关S接时,饮水机分别对应的工作状态。

   (2)若饮水机加热时发热板的功率为550W,而保温时发热板的功率为88W,求电阻R2的阻值(不考虑温度对阻值的影响).

试题详情

22.小明为了探究电流的热效应,找来了如下器材:l2V的电源,开关,一段电炉丝,粗细、长短与电炉丝相同的铜导线,蜡和导线若干.他设计了一个简单的实验:把电炉丝和铜导线串联起来接到电源上,在电炉丝和铜导线上分别滴上几滴熔化的蜡.如图所示,等蜡凝固后,合上开关,过一会儿,发现电炉丝上的蜡熔化了,而铜导线上蜡没有熔化。

   (1)他的这个简单实验能不能用来探究电流的热效应?

   (2)他把电炉丝和铜导线串联在电路中的目的是什么?

   (3)电炉丝上的蜡能熔化,而铜导线上的蜡没熔化,据此你能得出什么结论?

试题详情

21.几位同学在做“测量小灯泡的电功率”实验.

(1)请画出实验电路图;

   (2)在连接电路时,开关应       ,滑动变阻器的滑片应移到      处;

(3)小荣同学实验时,所用的电压表量程是0-3V,但刻度模糊不清,无发直接读出实验数据,却能从0-15V挡的刻度线看出指针停在11.5V处,则加在电压表两端的实际电压为

     V.

   (4)平平同学连接好实验电路,检查无误后,闭合开关,发现电流表指针偏转,电压表指针几乎不动,该故障的原因是   (   )

   A.灯泡灯丝断了 B.电流表接线短路   C.电源接触不良   D.灯座接线短路

试题详情


同步练习册答案