0  124624  124632  124638  124642  124648  124650  124654  124660  124662  124668  124674  124678  124680  124684  124690  124692  124698  124702  124704  124708  124710  124714  124716  124718  124719  124720  124722  124723  124724  124726  124728  124732  124734  124738  124740  124744  124750  124752  124758  124762  124764  124768  124774  124780  124782  124788  124792  124794  124800  124804  124810  124818  447090 

30.(6分)将“PZ220-60”的灯泡分别接入220V和200V的电路中,求灯泡工作时的电阻以及对应电压下的实际功率。(假设灯丝电阻不变)

试题详情

29.(6分)下表是我国自行研制的歼-10战斗机的部分性能参数,请根据表中数据回答:

(1)战斗机以最大速度完成一次最大航程,约需多长时间?(1马赫≈340m/s,结果保留到整数位)

(2)战斗机以最大载弹量上升到允许的最大高度,需克服炸弹的重力做多少功?(g=10N/kg)

试题详情

28.(8分)冬天,小帆同学在帮爸爸洗车。小帆怕凉,就用温水擦车。他发现温水沾到车体会很快结冰,而爸爸用冷水擦车却没有结冰,这引起了小帆的好奇……

请你据此确立一个探究课题,并完成下列探究报告:

(1)探究课题:                                       

    (2)猜想与假设:                                       

(3)设计并进行实验:

A.实验器材和装置:3只相同的玻璃杯、热水、温水、冷水、手表、天平、电冰箱

B.主要步骤:将3杯质量相等的热水、温水和冷水同时放进冰箱的冷冻室里,记录它们结冰所用的时间,分析数据,得出结论。

C.根据上述步骤,请你设计出一种记录数据的表格。

    D.在上面的实验中,将看到的现象是                     

试题详情

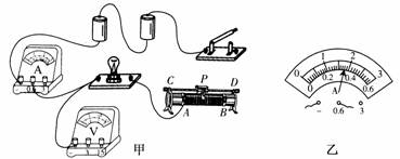
27.(7分)小王同学在做“测定小灯泡的额定功率”的实验时,电源电压为3V,小灯泡的额定电压为2.5V,如图甲所示为小王同学已连接的部分电路。

(1)请将图甲中剩下的两根电线连接好,使电路完整;

(2)当滑片P在某点时,电压表的示数为2.0V,为了测定小灯泡的额定功率,应将滑片P向      端移动;(填“左”或“右”)

    (3)当电压表示数为      V时,小灯泡正常发光,此时电流表的示数如图乙所示,其读数为      A,灯泡的额定功率是      W。

试题详情

26.(7分)在“研究滑动摩擦力与哪些因素有关”的实验过程中,有同学猜想:①滑动摩擦力的大小与接触面的粗糙程度有关;②滑动摩擦力的大小与压力的大小有关。已有的实验器材为:长木板、砝码、小车、弹簧测力计、棉布、毛巾。

(1)要验证猜想①,需选用的器材是                    

(2)要验证猜想②,需选用的器材是                   

    (3)下表是某同学按正确方法实验时所做的记录:

实验次数
压力情况
接触面情况
弹簧测力计示数
1
小车
小车与长木板
1.2N
2
小车
小车与棉布
1.5N
3
小车
小车与毛巾
1.8N

i.本实验是为了验证猜想       ;(填代号)

    ii.分析表中记录,能得出的初步结论是                      

                                      

试题详情

25.(4分)某实验小组在探究光的折射规律时,将光从空气分别射入水和玻璃中,测得的数据如下表:

空气中的入射角i

30°
45°
60°
水中的折射角r

22°
32°
40°
玻璃中的折射角β

17°
24°
30°

分析表中数据,写出你的两条结论:

(1)                                    

    (2)                                    

试题详情

24.(4分)如图所示,用喝酸奶的塑料管或较粗的麦管等,把甲杯中的水吸出一些,滴到乙杯中。将管插入水中后,用手指        管上端的开口,然后将管和其中的水移到乙杯上方,        管上端的开口,管中的水会滴入乙杯中。(填“松开”或“堵住”)

试题详情

23.使用如图所示的滑轮组提升重物G,请在图中画出最省力的绕线方法。

试题详情

22.请根据图中所画出的磁感线,标出通电螺线管中的电流方向和A端的极性。

试题详情

21.给一定质量的水加热,其温度与时间的关系如图中a(实线)所示。若其他条件不变,仅增加水的质量,则温度与时间的关系正确的是(   )

A.a       B.b          C.c             D.d

试题详情


同步练习册答案