0  124625  124633  124639  124643  124649  124651  124655  124661  124663  124669  124675  124679  124681  124685  124691  124693  124699  124703  124705  124709  124711  124715  124717  124719  124720  124721  124723  124724  124725  124727  124729  124733  124735  124739  124741  124745  124751  124753  124759  124763  124765  124769  124775  124781  124783  124789  124793  124795  124801  124805  124811  124819  447090 

9.小明同学在家中拍到一张电能表照片,如下图所示。他仔细观察照片后,得到下列结论,你认为正确的是

A.电能表的额定电流为l0A

B.电能表允许通过的最大电流为20A

C.电能表的额定功率为2200W

D.拍照片时,小明家已消耗的电能为9316J

试题详情

8.在某一温度下,两个电路元件A和B中的电流与其两端的电压的关系如下图所示,下列有关图像说法正确的是

   A.由A的图像可知,电阻一定时,电压随着电流的增大而增大

   B.由B的图像可知.电阻一定时,电流随着电压的增大而增大

C.由图像可知,两电阻的比值RA:RB=2:1

D.由图像可知,两电阻的比值RA:RB=2:1=1:1

试题详情

7.下图是北京奥运冠军王峰、秦凯进行3米板跳水比赛的情景,他们从起跳至最高点然后落到水面的过程中,他们的动能与重力势能变化的情况是

   A.动能一直减小,重力势能一直增大

   B.动能一直增大,重力势能一直减小

   C.动能先增大后减小,重力势能先减小后增大

   D.动能先减小后增大,重力势能先增大后减小

试题详情

6.如下图所示,用酒精灯加热试管中的水,当水沸腾一段时间以后,塞子被试管内水蒸气推出,该过程与右下图所示内燃机的哪个工作冲程能量转化是一致的?

试题详情

5.在下图所示的电路图中,能用电压表正确测出灯L1两端电压的是

试题详情

4.如下图所示电路,闭合开关后,比较a、b、c、d四处电流的大小,其中正确的是

   A.Ic=Id        B.Ia<Ib       C.Ib>Ic       D.Ia=Id

试题详情

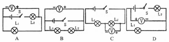
3.右下图所示四个电路中,与左下图所示实物电路图对应的是

试题详情

2.如下图所示,先用导线把电源、灯泡连接起来,再依次把铅笔j芯、塑料线、玻璃棒、瓷棒等接到A、B之间,其中能使灯泡发光的是

A.玻璃棒      B.塑料线       C.铅笔芯       D.瓷棒

试题详情

1.在肥桃成熟的时候,桃园里到处都闻到肥桃的清香,这是一种扩散现象。以下分析错误的是

A.扩散现象说明分子在不停地做无规则运动

B.扩散只发生在气体、液体之间

C.温度越高时扩散现象越剧烈

D.扩散现象说明分子间存在着间隙

试题详情

31.(8分)小明同学设计的“风力测试仪”在校科技节上备受师生们的青睐,“风力测试仪”的原理如图所示。电源电压6V,R0为保护电阻,AB为长20cm、阻值为50Ω的均匀电阻丝。OP为质量、电阻均不计的金属细杆,下端连接一个重为2N的球P。闭合开关S,无风时,OP下垂并与电阻丝的B端接触;有风时,球P受风力的作用,使金属细杆OP绕悬挂点O偏转,当偏转到电阻丝的A端时,电流表示数为0.6A。已知悬挂点O与电阻丝B端的距离为10cm,金属细杆OP始终与电阻丝AB接触良好且无摩擦,求

(1)R0的阻值;

(2)无风时电流表示数;

(3)在风力作用下,当金属细杆OP在图示位置静止时,作出F风的力臂,并求出该力的大小。

试题详情


同步练习册答案