0  124708  124716  124722  124726  124732  124734  124738  124744  124746  124752  124758  124762  124764  124768  124774  124776  124782  124786  124788  124792  124794  124798  124800  124802  124803  124804  124806  124807  124808  124810  124812  124816  124818  124822  124824  124828  124834  124836  124842  124846  124848  124852  124858  124864  124866  124872  124876  124878  124884  124888  124894  124902  447090 

28.(10分)小明同学设计的“风力测试仪”在校科技节上备受师生们的青睐,“风力测试仪”的原理如图所示。电源电压6V,R0为保护电阻,AB为长20cm、阻值为50Ω的均匀电阻丝。OP为质量、电阻均不计的金属细杆,下端连接一个重为2N的球P。闭合开关S,无风时,OP下垂并与电阻丝的B端接触;有风时,球P受风力作用,使金属细杆OP绕悬挂点O偏转,当偏转到电阻丝的A端时,电流表示数为0.6A。已知悬挂点O与电阻丝B端为10cm,金属细杆OP始终与电阻丝AB接触良好且无摩擦,求:

(1)R0的阻值;

(2)无风时电流表示数;

(3)在风力作用下,当金属细杆OP在图示位置静止时,作出F风的力臂,并求出该力的大小。

试题详情

27.(6分)如图滑动变阻器的最大电阻为200Ω,R1的电阻为50Ω,电源电压为10V保持不变,闭合开关,移动滑动变阻器的滑片,求电流表和电压表的读数变化范围分别是多少?

试题详情

26.(6分)实验室里有一个电灯,它正常发光时的电阻为10Ω、电压是4V,现要用一个电压为6V不变的蓄电池使它正常发光,应该给它怎样连接一只阻值多大的电阻?(作出电路图,写出计算的过程)

试题详情

25.(4分)如图所示,是平桥中学物理实践小组同学所作的关于定值电阻R1、R2的U-I图像。

(1)试根据图像求出R1、R2的阻值;

(2)将R1、R2串联接入6V的电路,电路中的电流有多大?

试题详情

24.已知黑箱中有两个阻值均为R的电阻,RBD=0,RCD=4Ω,RAC=4Ω,RAB=8Ω,请画出框内电路,并标出R的值。

试题详情

23.小敏想用“伏安法”测出小电灯的电阻,所选择的器材如下图所示,估计电灯的电阻约为10Ω.

(1)请在下框内画出电路图,并根据电路图用笔画线代替导线,将图中的元件连成电路.要求:滑动变阻器的滑片向左移动时,电流表的示数变小;

(2)本实验的实验原理是           

(3)在连接电路的过程中,开关应该处于     状态,在接通电路前,应将滑动变阻器的滑片移到阻值      的位置。

(4)通过测量和计算,发现灯两端的电压越大时,灯的电阻越大。小敏认为,这说明“导体的电阻与电压有关,电压越大电阻越大”。你认为这一说法对吗?答        

“电压越大电阻越大”的原因是                        

试题详情

22.如图(甲)、(乙)所示,把M、N 分别跟废目光灯管中的钨丝和废灯泡灯芯连接,观察钨丝和灯泡灯芯加热前后电流表的示数变化情况,其中(甲)图中电流表的示数将 ________________ ,此现象表明 __________________ ____________________________。(乙)图中电流表的示数将_______________,此现象表明______________    ___            ______。

试题详情

21.平中物理实践小组按图所示的电路图连接好了电路(其中R1为定值电阻,R2为电阻箱),闭合开关,各电路器件工作正常,他们调节电阻箱,记录了各表的示数如下表所示,请通过比较、推理、归纳,回答以下问题,要求用文字叙述。

实验次序
A1示数/A
A2示数/A
A3示数/A
V1示数/V
V2示数/V
V3示数/V
1
0.1
0.1
0.1
1
6
5
2
0.2
0.2
0.2
2
6
4
3
0.3
0.3
0.3
3
6
3

(1)比较A1 A2 A3示数的示数可得出规律                                 

(2)比较V1 V2 V3示数的示数可得出规律                                 

(3)研究A1和 V1的示数可以得出的规律                               

试题详情

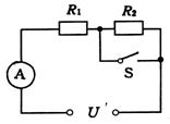
20.如图所示的电路中,电阻R1=2欧,R2=l欧,电压 U保持不变.当开关S断开时,电流表A的示数为I;当开关S闭合时,电流表 A的示数为I’.则I与I’的比值为 

A.1:2             B.2:1            C.2:3             D.3:2

第Ⅱ卷(非选择题  共60分)

试题详情

19.如图所示,电源电压不变,当滑动变阻器接入电路部分电阻为R/,定值电阻R1两端的电压为U;调节P的位置,使定值电阻两端的电压变为U/2,滑动变阻器接入电路的电阻为

A.2R/             B.R/             C.2R1+R/       D.R1+2R/

试题详情


同步练习册答案