0  125073  125081  125087  125091  125097  125099  125103  125109  125111  125117  125123  125127  125129  125133  125139  125141  125147  125151  125153  125157  125159  125163  125165  125167  125168  125169  125171  125172  125173  125175  125177  125181  125183  125187  125189  125193  125199  125201  125207  125211  125213  125217  125223  125229  125231  125237  125241  125243  125249  125253  125259  125267  447090 

2.人眼的晶状体相当于凸透镜。针对如下图所示的成像情况,下列判断正确的是

A.属于近视眼,应配戴凹透镜            B.属于近视眼,应配戴凸透镜

C.属于远视眼,应配戴凹透镜            D.属于远视眼,应配戴凸透镜

试题详情

1.噪声严重污染环境,影响人们的生活和工作,已成为社会公害。下列措施中不能减弱噪声的是

A.机动车辆在市内严禁鸣笛              B.学校将高音喇叭换成许多小音箱

C.清除城市垃圾,保持环境整洁          D.在城市街道两旁种草植树

试题详情

41.在图所示装置中,甲物重G=10N,乙物重G是动滑轮重G的8倍。物体乙跟地面的接触面积为1.5×102m2。轻杆AB可以绕O点转动,且OAOB=2∶1。不计轴摩擦,装置如图所示处于平衡状态时,乙对水平地面的压强P=2×103Pa。求:此时动滑轮对物体乙的拉力F;若在物体甲下面再加挂物体丙,恰使物体乙对地面的压强为零。求:丙的物重G

试题详情

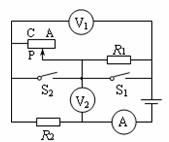
40.如图所示电路图中,电源两端电压保持不变。当开关S1、S2都断开,滑动变阻器的滑片P在某点C时,电压表V1、V2的示数之比为的示数为3∶4,定值电阻R2消耗的电功率为18W。当开关S1闭合、S2断开,滑动变阻器的滑片P移到某点A时,电压表V1、V2的示数之比为2∶3,R2两端电压为U2¢。当开关S1断开、S2闭合时,电压表V1、V2的示数之比仍为2∶3,R2两端电压为U2²。求:

(1)U2¢∶U2²;

(2)当开关S1、S2都断开,滑动变阻器的滑片P在某点C时,滑动变阻器消耗的电功率PC

(3)当开关S1闭合、S2断开,滑动变阻器的滑片P移到某点A时,滑动变阻器消耗的电功率PA

试题详情

39.质量是10kg、初温度为20℃的冷水,吸收1.68×106的热量,温度可以升高到多少摄氏度?[已知水的比热容c=4.2×103J/(kg×℃)]

试题详情

38.实验桌上有如下器材:电源一台;调好的电流表一块、开关一个、电阻箱一个;阻值已知但大小不同的定值电阻六个和导线若干。请你从中选择器材,设计一个实验证明:“当电阻两端的电压保持不变时,通过电阻的电流跟电阻成反比”。

(1)画出实验电路图;

(2)写出主要实验操作步骤。

试题详情

37.蓓蓓用量筒、溢水杯、小烧杯、水和细铁丝等实验器材完成了对一个塑料球密度的测量。请你根据图所示的实验情景,把相应的数据填入下面的表格中。

小球漂浮时
的排水体积
V1/cm3
小球浸没时
的排水体积
V2/cm3
小球的质量
m/g
小球的密度
r/kg×m-3
 
 
 
 

试题详情

36.晓伟手边有两块体积大小不同的正方体M1和M2。M1和M2的材料相同、表面粗糙程度也相同。晓伟用弹簧测力计沿水平方向先后拉着M1、M2在水平放置的长木板上做匀速直线运动时,测得弹簧测力计第一次的拉力大于第二次的拉力。于是得出“接触面的粗糙程度一定时,接触面积越大,滑动摩擦力越大”的结论。从上述实验过程看,晓伟的实验结论是不可靠的。请你利用上述器材,重新设计实验。

试题详情

35.图是未完成的研究欧姆定律的实验电路。

(1)请你以笔画线代替导线完成电路连接,要求开关S闭合后,滑动变阻器的滑片P向右移动时,电压表的示数变大。

(2)下面表格中记录的是部分实验数据,分析数据可以得到的结论是_________

__________________________。

实验序号
1
2
3
4
5
6
电阻R/W
5
5
5
5
5
5
电压U/V
0.5
1.0
1.5
2.0
2.5
3.0
电流I/A
0.1
0.2
0.3
0.4
0.5
0.6

试题详情

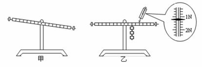
34.同学们在实验室进行“探究杠杆的平衡条件”的实验。所用杠杆上相邻刻线间距均为5cm,实验中使用的钩码每个重0.5N。

(1)实验前,小宏发现杠杆如图甲所示,左端偏高,右端偏低。他应将平衡螺母向______调节,使杠杆水平平衡后再进行实验。

实验序号
动力F1/N
动力臂L1/cm
阻力F2/N
阻力臂L2/cm
M
 
20
1.5
10

(2)图乙是小宏某次实验的情景,请你把弹簧测力计的示数填入上表中。

(3)本次实验数据不符合杠杆平衡条件,出现问题的原因是______________。

试题详情


同步练习册答案