0  311150  311158  311164  311168  311174  311176  311180  311186  311188  311194  311200  311204  311206  311210  311216  311218  311224  311228  311230  311234  311236  311240  311242  311244  311245  311246  311248  311249  311250  311252  311254  311258  311260  311264  311266  311270  311276  311278  311284  311288  311290  311294  311300  311306  311308  311314  311318  311320  311326  311330  311336  311344  447090 

28.(16分)(注意:在试题卷上作答无效。)

氮元素是生命活动、物质间转化的常见元素。

⑴图a是元素周期表中N元素的有关信息,图a中横线上缺失的具体内容是__________。15N是N元素的一种重要核素,其一个原子核中含有的中子数为_________________。

⑵三聚氰胺的结构简式如上图b,根据你的了解,下列关于三聚氰胺的表述中,正确的是___________(填字母序号)。

A.三聚氰胺的熔点可能很高         B.三聚氰胺的含氮量高达67%左右

C.三聚氰胺属于无机化合物         D.三聚氰胺分子中所有原子在同一平面上

⑶H与N能形成化合物NH5 ,已知该物质与水反应有H2生成,则NH5中含有的化学键为_______________________________________________。

⑷已知M为氮元素与一种金属元素组成的离子化合物,其中金属元素的质量分数为35.4%,M在汽车安全气囊中有重要的作用。常温下G为淡黄色固体。H为一种常见的液体,A、B、C、X为单质,其中A、C、X为气体,A、X均为空气中成分。I、J为常见的工业原料。

①写出D与X反应的化学方程式__________________________________________。

②写出G与H反应的离子方程式__________________________________________。

③常温下M受撞击时可分解,13gM完全分解为A和B时,放出akJ的热量,写出M分解的热化学方程式_________________________________________________。

④M是一种易溶于水的盐,其水溶液显弱碱性,用离子方程式解释原因__________。

试题详情

27.(14分)(注意:在试题卷上作答无效。)

某学生利用以下装置探究氯气和氨气之间的反应。其中A、F分别为氨气和氯气的发生装置,C为纯净干燥的氯气和氨气的反应装置。

请回答下列问题:

⑴装置F中发生反应的离子方程式__________________________________________。

⑵装置A中的烧瓶内的固体可选用______________________(选填以下选项的代号)

A.碱石灰   B.生石灰   C.二氧化硅   D.五氧化二磷   E.烧碱

⑶虚线框内应添加必要的装置,请从上图的备选装置中选择,并将编号填入下列空格。

B__________、D__________、E__________(填编号)

⑷通入C装置的两根导管左边较长右边较短,其目的是:________________________ ______________________________________________________________________。

⑸氯气和氨气在常温下相混就会反应生成氯化铵和氮气,该反应的化学方程式为:______________________________________________________________________;装置C内出现浓厚的白烟并在容器内壁凝结,请设计一个实验方案鉴定该固体就是氯化铵:_______________________________________________________________ ______________________________________________________________________。

试题详情

26.(21分)(注意:在试题卷上作答无效。)

如图所示,y轴右方有方向垂直于纸面的匀强磁场,y轴左方有方向平行于纸面的匀强电场。一个质子,质量为m、带电荷量为q,以速度v0从x轴上P点开始水平向右运动,最后从y轴上的M点射出磁场,垂直进入匀强电场;此后质子又从N点进入磁场。已知M点和N点到原点O的距离均为H,质子射出磁场时速度方向与y轴负方向夹角θ=30°,不计质子重力.求:

⑴P点的位置;

⑵磁感应强度B的大小和方向;

⑶电场强度E的大小;

⑷质子从N点进入磁场后又经过多长时间飞离磁场?(可用反三角函数表示角度)

试题详情

25.(18分)(注意:在试题卷上作答无效。)

如图所示,粗糙斜面与水平面通过半径可忽略的光滑小圆弧平滑连接,斜面倾角α=37°,水平面的M到N段是长度L1=0.3m的粗糙平面、N点的右边是光滑的。A、B是两个质量均为m=1kg的小滑块(可看作质点),置于N点处的C是左端附有胶泥的薄板(质量不计),D是两端分别与B和C连接的轻质弹簧,滑块A与斜面和与水平面MN段的动摩擦因数相同。当滑块A置于斜面上且受到大小F=4N、方向垂直斜面向下的恒力作用时,恰能向下匀速运动。现撤去F,让滑块A从斜面上距斜面底端L2=1m处由静止下滑(取g=10m/s2,sin37°=0.6,cos37°=0.8),求:

⑴滑块A到达斜面底端时的速度大小。

⑵滑块A与C接触并粘连在一起后,两滑块与弹簧所构成的系统在相互作用的过程中,弹簧的最大弹性势能。

试题详情

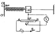
24.(15分)(注意:在试题卷上作答无效。)

角速度计可测量航天器自转的角速度ω,其结构如图所示.当系统绕OO′轴转动时,元件A在光滑杆上发生滑动,并输出电压信号成为航天器的制导信号源.已知A质量为m,弹簧的劲度系数为k,原长为L0,电源电动势为E,内阻不计.滑动变阻器总长为L,电阻分布均匀,系统静止时滑动变阻器滑动头P在中点,与固定接点Q正对,当系统以角速度ω转动时,求:

⑴弹簧形变量x与ω的关系式;

⑵电压表的示数U与角速度ω的函数关系。

试题详情

23.(10分)(注意:在试题卷上作答无效。)

某同学用如图所示的实验装置探究小车动能变化与合外力对它所做功的关系。图中A为小车,连接在小车后面的纸带穿过打点计时器B的限位孔,它们均置于水平放置的一端带有定滑轮的足够长的木板上,C为弹簧测力计,不计绳与滑轮的摩擦。实验时,先接通电源再松开小车,打点计时器在纸带上打下一系列点,重复多次,打出多条纸带。

a.该同学在某条比较理想的纸带上,从点迹清楚的某点开始记为O点,顺次选取5个点,分别测量这5个点到O之间的距离,并计算出它们与O点之间的速度平方差△v2(注:△v2v2v02),填入下表:

点迹
S/cm
v 2/m2·s-2
O
/
/
1
1.60
0.04
2
3.60
0.09
3
6.00
0.15
4
7.00
0.18
5
9.20
0.23

若测出小车质量为0.2kg,结合图象可求得小车所受合外力的大小为________N。

b.若该同学通过计算发现小车所受合外力小于测力计读数,明显超出实验误差的正常范围。你认为主要原因是_______________,实验操作中改进的措施是_______________。

试题详情

22.(8分)(注意:在试题卷上作答无效。)

某同学设计了如图所示的电路,用来测量未知电阻Rx的阻值,在下列可供选择的器材中:

A.被测电阻Rx,阻值约为50Ω

B.电源(电动势10V,内阻0.5Ω)

C.电流表(量程0-200mA,内阻r2)

D.电流表(量程0-300mA,内阻约为r3)

E.定值电阻500Ω

F.定值电阻100Ω

G.滑动变阻器(0-100Ω,1A)

H.滑动变阻器(0-2000Ω,0.5A)

I.电键,导线若干

测量时,为使结果尽可能精确,电路安全,电流表A1应选用________,电流表A2应选用________,R1应选用________,R2应选用________。(填所选仪器前面的字母)

将该同学的实验步骤补充完整:

①将滑动变阻器的滑片移到最右端,闭合电键;

②将滑动变阻器的滑片移到适当位置,读出电流表A1、A2的读数;

③______________________________________________________;

④实验完毕后,拆除电路。

若某次测量时电流表A1、A2的读数分别为I1、I2,则被测电阻的测量值为Rx=________.

试题详情

3.第Ⅱ卷共13题,共174分。

试题详情

2.第Ⅱ卷共8页,请用直径0.5毫米黑色墨水签字笔在答题卡上各题的答题区域内作答,在试题卷上作答无效

试题详情

21.如图所示为某探究活动小组设计的节能运动系统。固定的斜面轨道倾角为30°,质量为M的木箱与轨道的动摩擦因数为。木箱在轨道顶端时,自动装货装置将质量为m的货物装入木箱,然后木箱载着货物沿轨道无初速滑下,当轻弹簧被压缩至最短时,自动卸货装置立刻将货物卸下,然后木箱恰好被弹回到轨道顶端,再重复上述过程。下列选项正确的是

A.mM          B.m=2M

C.木箱不与弹簧接触时,上滑的加速度大于下滑的加速度

D.在木箱与货物从顶端滑到最低点的过程中,减少的重力势能全部转化为弹簧的弹性势能

鄂州市2010届高三摸底考试

理科综合能力测试

第Ⅱ卷

试题详情


同步练习册答案