0  312779  312787  312793  312797  312803  312805  312809  312815  312817  312823  312829  312833  312835  312839  312845  312847  312853  312857  312859  312863  312865  312869  312871  312873  312874  312875  312877  312878  312879  312881  312883  312887  312889  312893  312895  312899  312905  312907  312913  312917  312919  312923  312929  312935  312937  312943  312947  312949  312955  312959  312965  312973  447090 

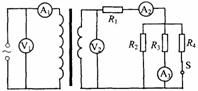
1、如图,一理想变压器原线圈接入一交流电源,副线圈电路中R1、R2、R3和R4均为固定电阻,开关S是闭合的。为理想电压表,读数分别为U1和U2;   和为理想电流表,读数分别为I1、I2和I3。现断开S,U1数值不变,下列推断中正确的是BC(08四川卷)

A.U2变小、I3变小   B.U2不变、I3变大  C.I1变小、I2变小   D.I1变大、I2变大

试题详情

10、如图所示,理想变压器原、副线圈匝数之比为20∶1,原线圈接正弦交流电源,副线圈接入“220 V,60 W”灯泡一只,且灯光正常发光。则C(06四川卷)

A.电流表的示数为A     B.电源输出功率为1 200W

C.电流表的示数为A      D.原线圈端电压为11 V

试题详情

9、一气体放电管,当其两电极间的电压超过500V时,就放电而发光。在它发光的情况下逐渐降低电压,要降到500V时才熄灭。放电管两电极不分正负。现有一正弦交流电源,输出电压峰值为1000V,频率为50Hz。若用它给上述放电管供电,则在一小时内放电管实际发光的时间为B(08灾区卷)

A.10分钟    B.25分钟    C.30分钟     D.35分钟

试题详情

8、将阻值为5Ω的电阻接到内阻不计的交流电源上,电源电动势随时间变化的规律如图所示。下列说法正确的是C(07天津卷)

A.电路中交变电流的频率为0.25 Hz  B.通过电阻的电流为A

C.电阻消耗的电功率为2.5 W

D.用交流电压表测得电阻两端的电压是5 V

试题详情

7、某变压器原、副线圈匝数比为55︰9,原线圈所接电源电压按图示规律变化,副线圈接有负载。下列判断正确的是D(07山东卷)

A.输出电压的最大值为36V

B.原、副线圈中电流之比为55︰9

C.变压器输入、输出功率之比为55︰9

D.交流电源有效值为220V,频率为50Hz

试题详情

6、如图是霓虹灯的供电电路,电路中的变压器可视为理想变压器,已知变压器原线圈与副线圈匝数比,加在原线圈的电压为(V),霓虹灯正常工作的电阻R=440kΩ,I1、I2表示原、副线圈中的电流,下列判判断正确的是A(07广东卷)

A.副线圈两端电压6220V,副线圈中的电流14.1mA

B.副线圈两端电压4400V,副线圈中的电流10.0mA

C.I1<I2           D.I1>I2

试题详情

5、电阻R1R2交流电源按照图1所示方式连接,R1=10R2=20。合上开关后S后,通过电阻R2的正弦交变电流i随时间t变化的情况如图2所示。则B (07北京卷)

A.通过R1的电流的有效值是1.2A     B.R1两端的电压有效值是6V

C.通过R2的电流的有效值是1.2A   D.R2两端的电压有效值是6V

试题详情

4、小型交流发电机中,矩形金属线圈在匀强磁场中匀速转动。产生的感应电动势与时间呈正弦函数关系,如图所示,此线圈与一个R=10Ω的电阻构成闭合电路,不计电路的其他电阻,下列说法正确的是C(08广东卷)

A.交变电流的周期为0.125   B.交变电流的频率为8Hz

C.交变电流的有效值为A  D.交变电流的最大值为4A

试题详情

2、一理想变压器的原线圈上接有正弦交变电压,其最大值保持不变,副线圈接有可调电阻R。设原线圈的电流为I1,输入功率为P1,副线圈的电流为I2,输出功率为P2。当R增大时

A.I1减小,P1增大    B.I1减小,P1减小  B(08天津卷)

D.I2增大,P2减小    D.I2增大,P2增大

3、如图a所示,一矩形线圈abcd放置在匀  强磁场  中,并绕过ab、cd中点的轴OO′以角速度逆时针匀速转动。若以线圈平面与磁场夹角时(如图b)为计时起点,并规定当电流自a流向b时电流方向为正。则下列四幅图中正确的是D(08宁夏卷)

试题详情

1、一理想变压器原、副线圈匝数比n1:n2=11:5。原线圈与正弦交变电源连接,输入电压u如图所示。副线圈仅接入一个10 的电阻。则D(08北京卷)

A.流过电阻的电流是20 A       

B.与电阻并联的电压表的示数是100V

C.经过1分钟电阻发出的热量是6×103 J 

D.变压器的输入功率是1×103W

试题详情


同步练习册答案